LEMON Manuals: Even more car manuals for everyone
Home >> Cadillac >> 2009 >> XLR Base >> Repair and Diagnosis >> Accessories & Equipment >> Infotainment >> Cellular System, Entertainment System, And Navigation System >> Schematic and Routing Diagrams >> Radio/Navigation System Schematics

Radio/Navigation System Schematics

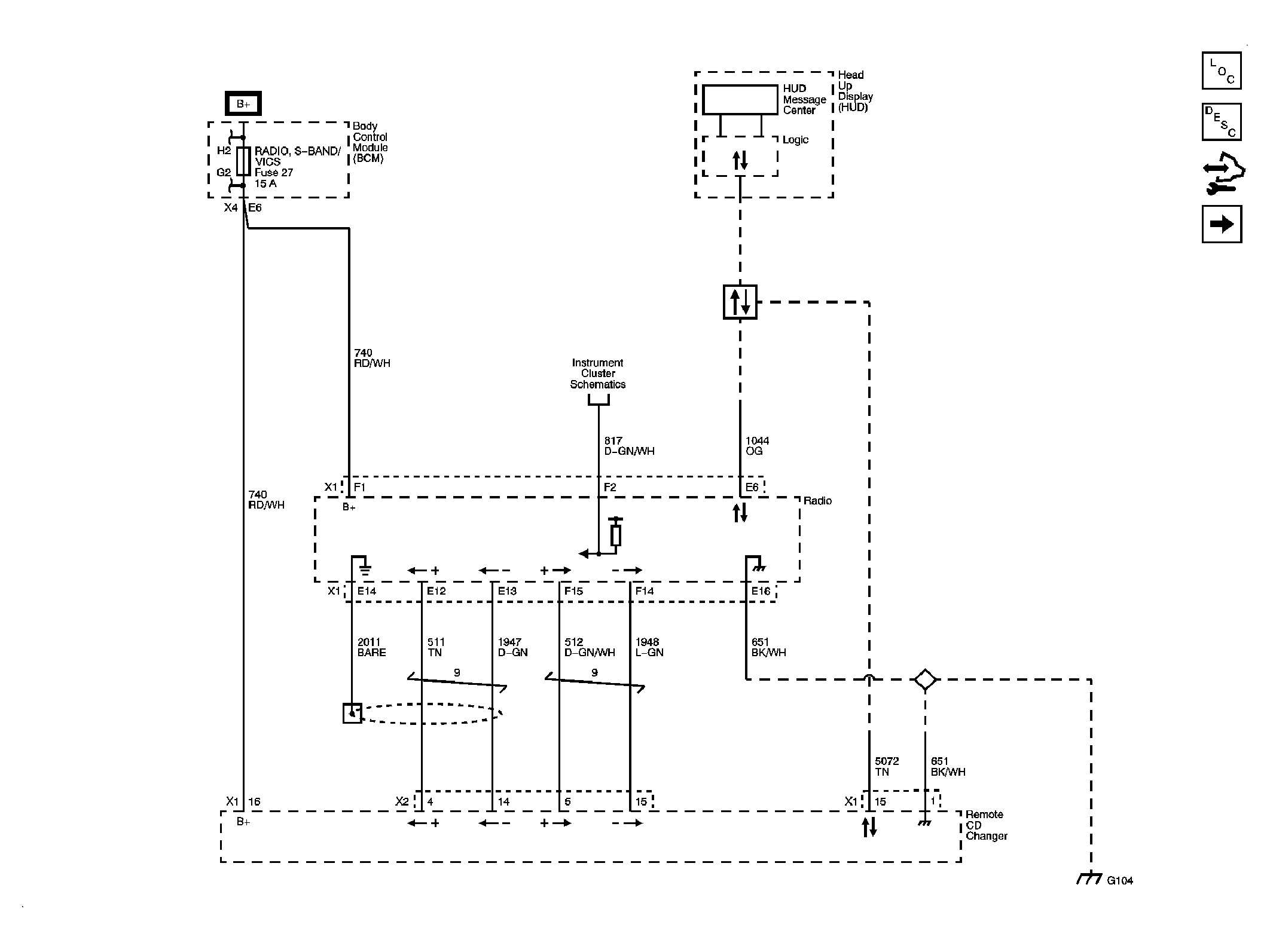
Fig 1: Power, Ground, Messages, & Radio to Remote CD Changer Audio Signals
GM2075857Courtesy of GENERAL MOTORS CORP.
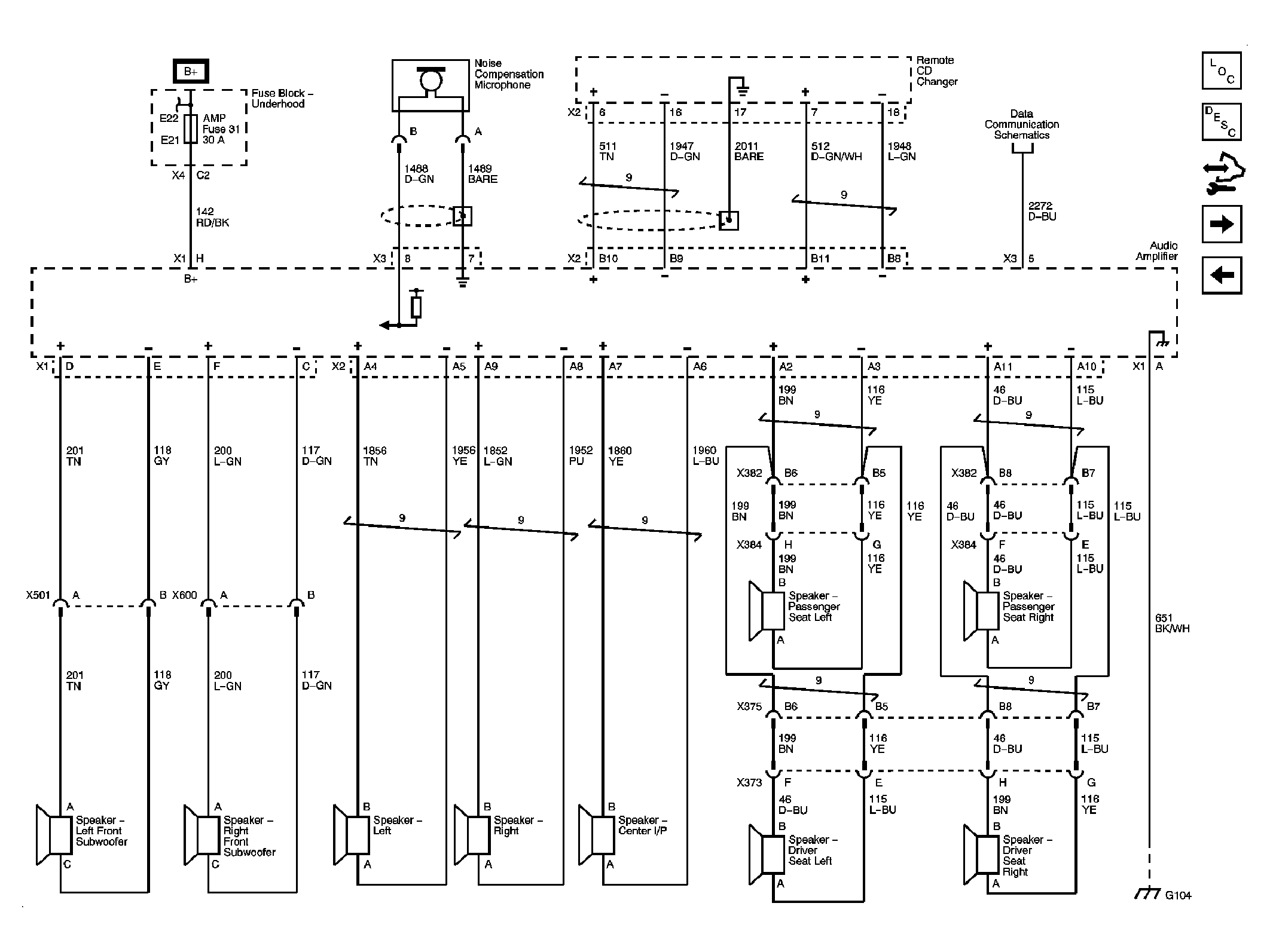
Fig 2: Amplification
GM2075858Courtesy of GENERAL MOTORS CORP.
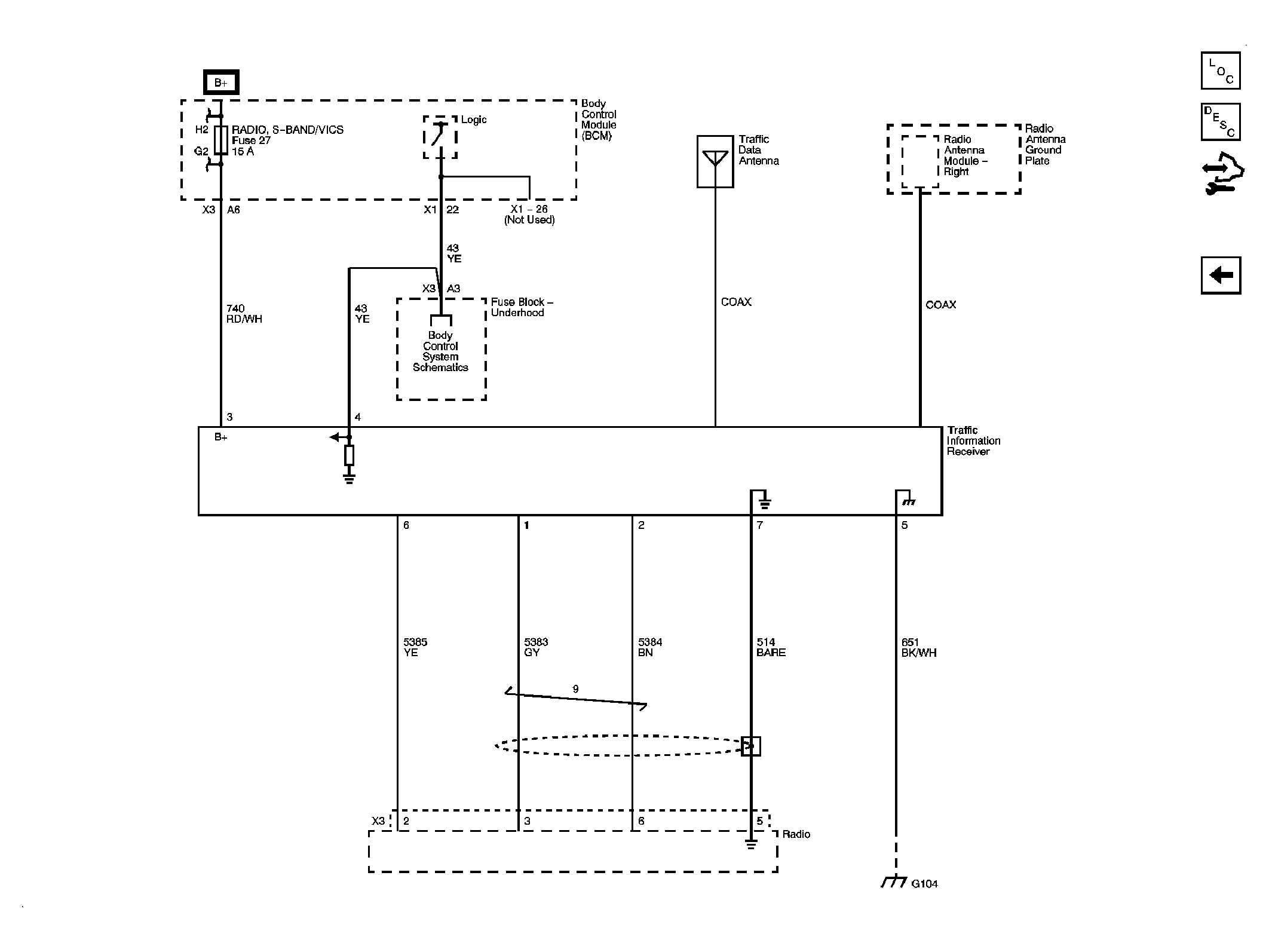
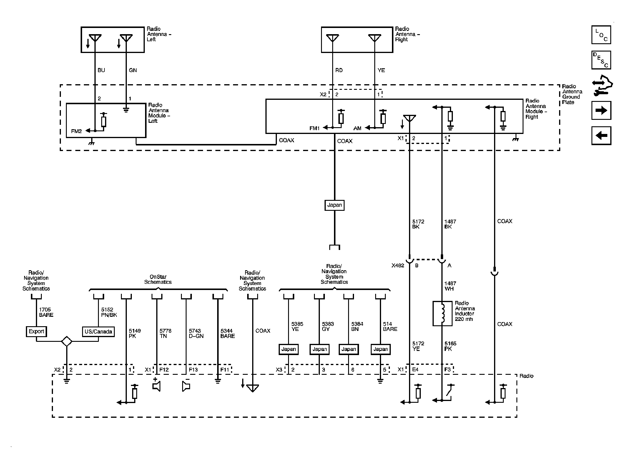
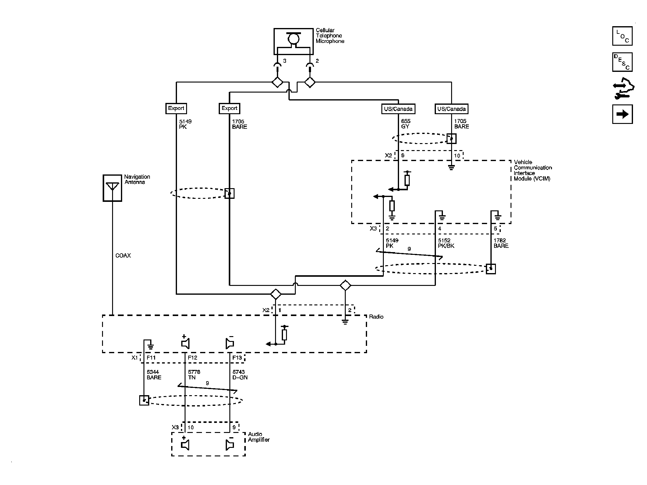
Fig 3: AM & FM Antennas & OnStar References
GM2075859Courtesy of GENERAL MOTORS CORP.
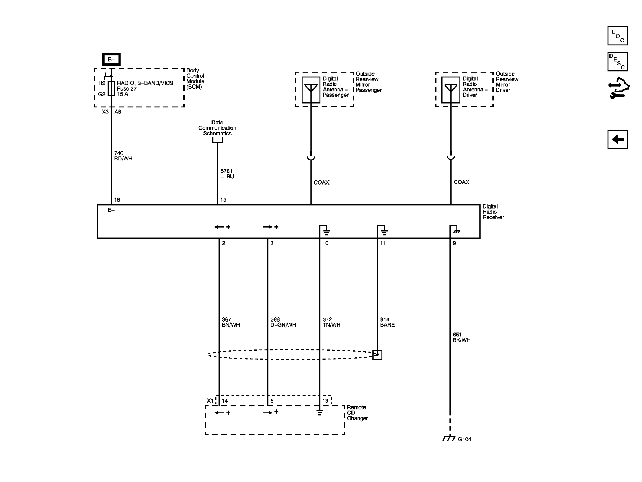
Fig 4: Digital Radio Receiver
GM2075860Courtesy of GENERAL MOTORS CORP.
Fig 5: Navigation - Except Japan
GM2075861Courtesy of GENERAL MOTORS CORP.
Fig 6: Navigation - Japan
GM2075863Courtesy of GENERAL MOTORS CORP.