LEMON Manuals: Even more car manuals for everyone
Home >> Cadillac >> 2009 >> Escalade EXT >> Repair and Diagnosis (Single Page) >> Body & Frame >> Ignition Switch/Steering Lock >> Wiring Systems And Power Management - Introduction >> Schematic and Routing Diagrams >> Trailer Connector/Provision Schematics

Trailer Connector/Provision Schematics

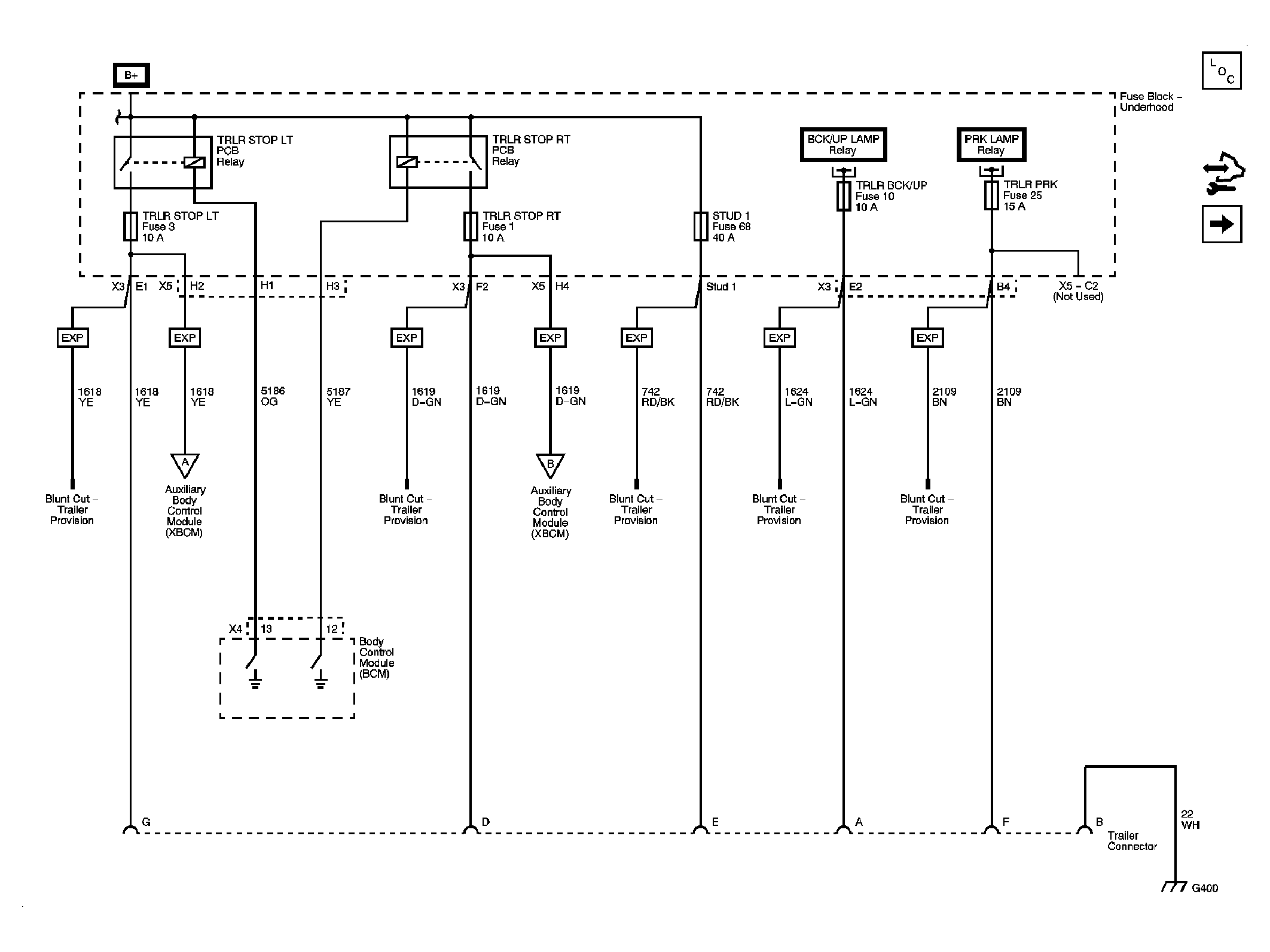
Fig 1: Trailer Lighting Control - Export 1 of 2 and all Domestic
GM2075722Courtesy of GENERAL MOTORS CORP.
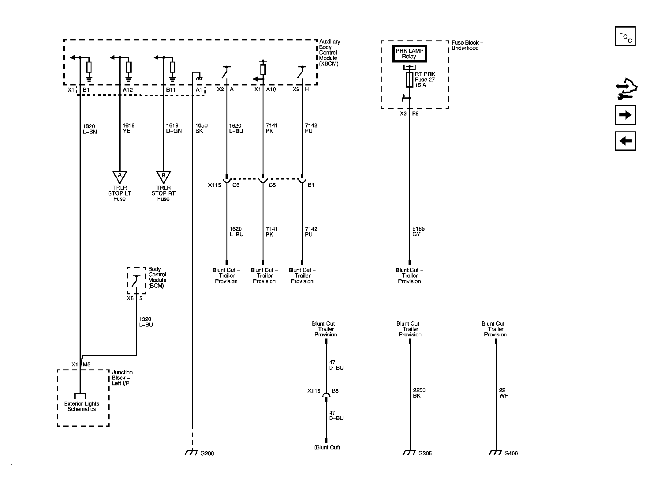
Fig 2: Export Trailer Wiring - 2 of 2
GM2075724Courtesy of GENERAL MOTORS CORP.
Fig 3: Trailer Brake Control - Domestic
GM2075726Courtesy of GENERAL MOTORS CORP.