LEMON Manuals: Even more car manuals for everyone
Home >> Cadillac >> 2009 >> Escalade EXT >> Repair and Diagnosis (Single Page) >> Accessories & Equipment >> Entertainment Systems >> Cellular System, Entertainment System & Navigation System >> Schematic and Routing Diagrams >> Video System Schematics

Video System Schematics

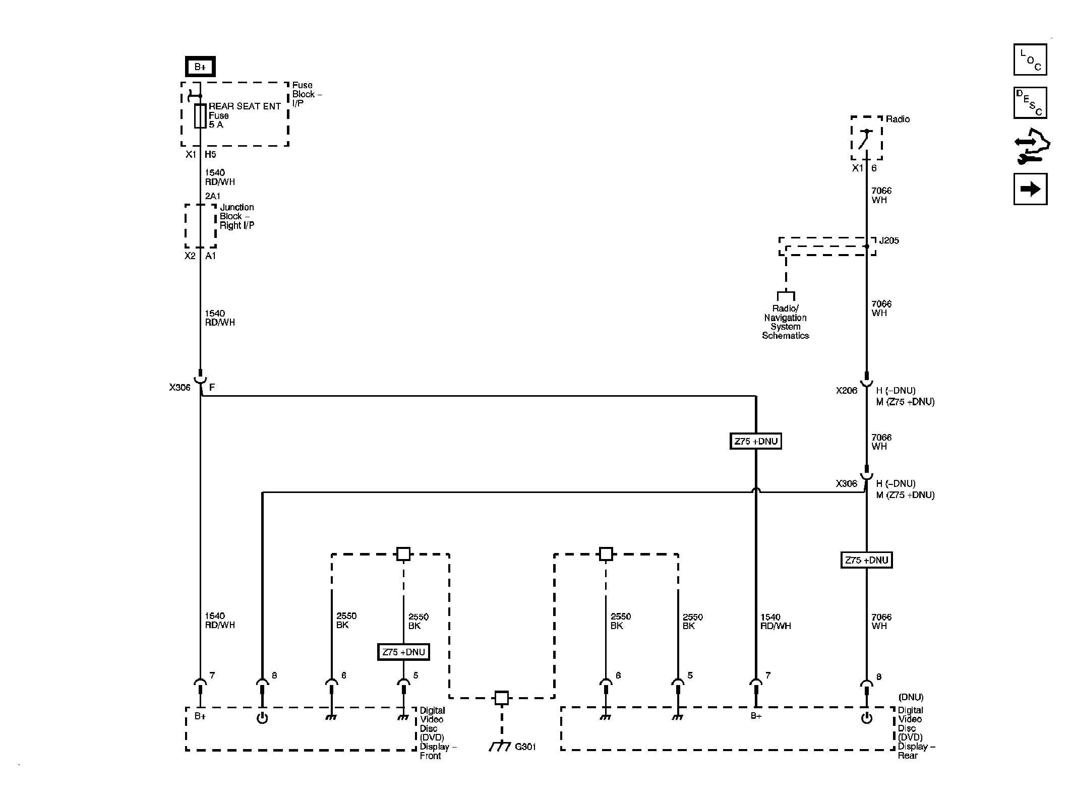
Fig 1: Display Power and Ground
GM2075479Courtesy of GENERAL MOTORS CORP.
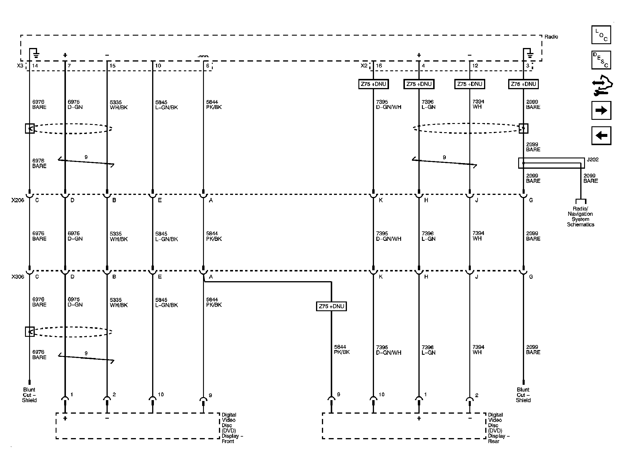
Fig 2: Video Signals
GM2075482Courtesy of GENERAL MOTORS CORP.
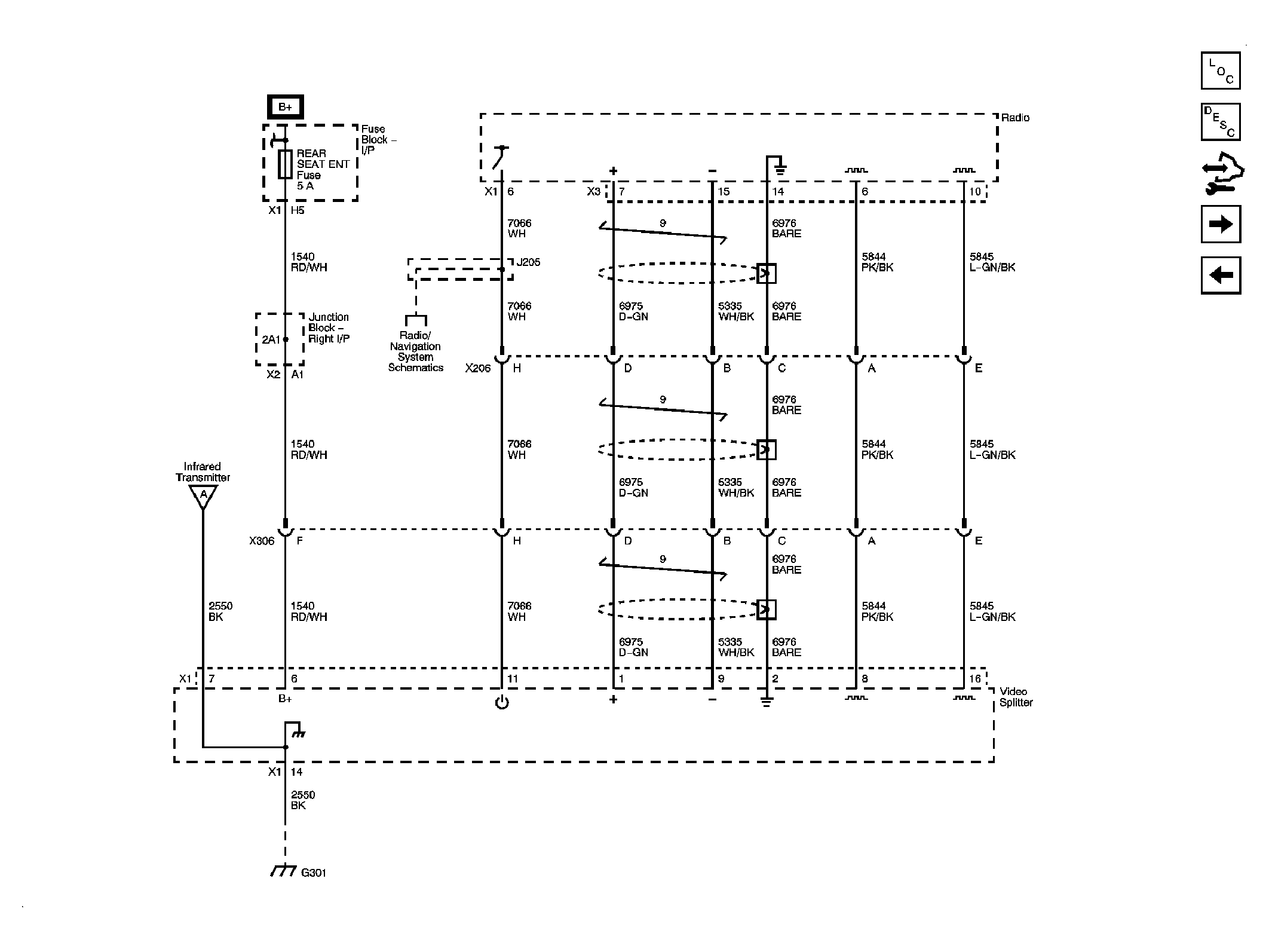
Fig 3: Video Splitter Power, Ground and Video Input - X88 or Z88, with DNU
GM2178645Courtesy of GENERAL MOTORS CORP.
Fig 4: Video Signals - X88 or Z88, with DNU
GM2178650Courtesy of GENERAL MOTORS CORP.
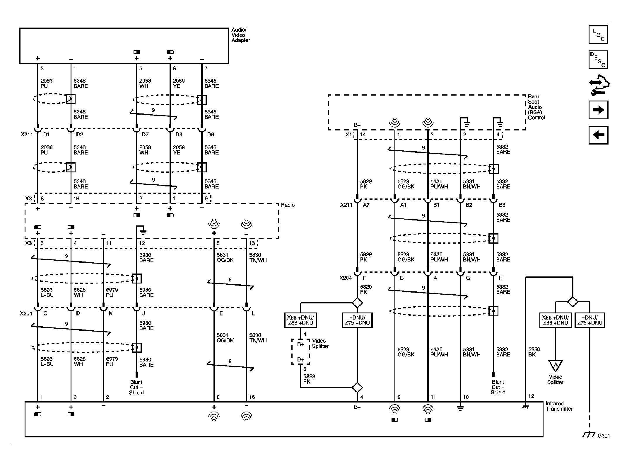
Fig 5: Audio Signals
GM2075484Courtesy of GENERAL MOTORS CORP.
Fig 6: Dual DVD Headrest System
GM2075486Courtesy of GENERAL MOTORS CORP.