LEMON Manuals: Even more car manuals for everyone
Home >> Cadillac >> 2009 >> DTS 4.6 9 >> Repair and Diagnosis >> Engine Performance >> System >> Data Communication System >> Schematic and Routing Diagrams >> Data Communication Schematics

Data Communication Schematics

Fig 1: Power, Ground and Low Speed GMLAN
GM2082349Courtesy of GENERAL MOTORS CORP.
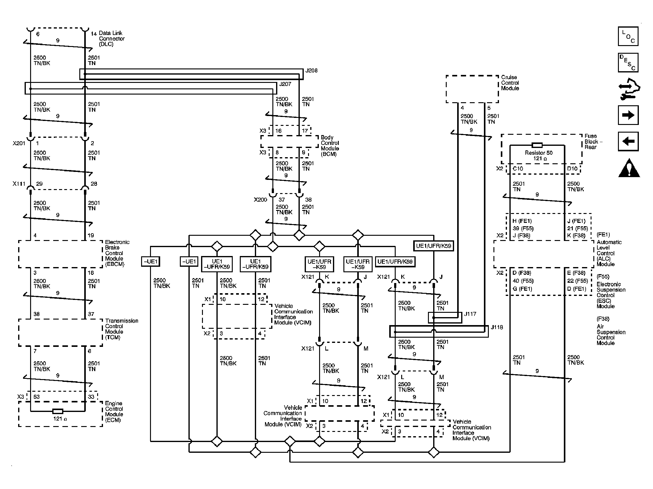
Fig 2: High Speed Serial Data
GM2082350Courtesy of GENERAL MOTORS CORP.
Fig 3: High Speed Serial Data, Wake Up
GM2082351Courtesy of GENERAL MOTORS CORP.
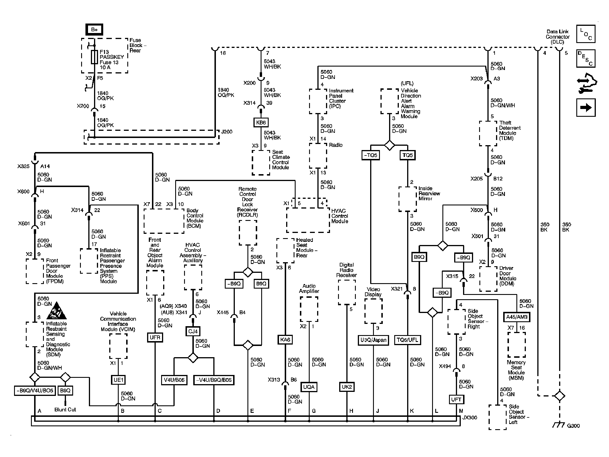
Fig 4: Local Interconnect Network (LIN)
GM2082352Courtesy of GENERAL MOTORS CORP.