LEMON Manuals: Even more car manuals for everyone
Home >> Cadillac >> 2009 >> CTS V, Standard >> Repair and Diagnosis >> Body & Frame >> Door Locks >> Keyless Entry System And Remote Functions >> Schematic and Routing Diagrams >> Remote Function Schematics

Remote Function Schematics

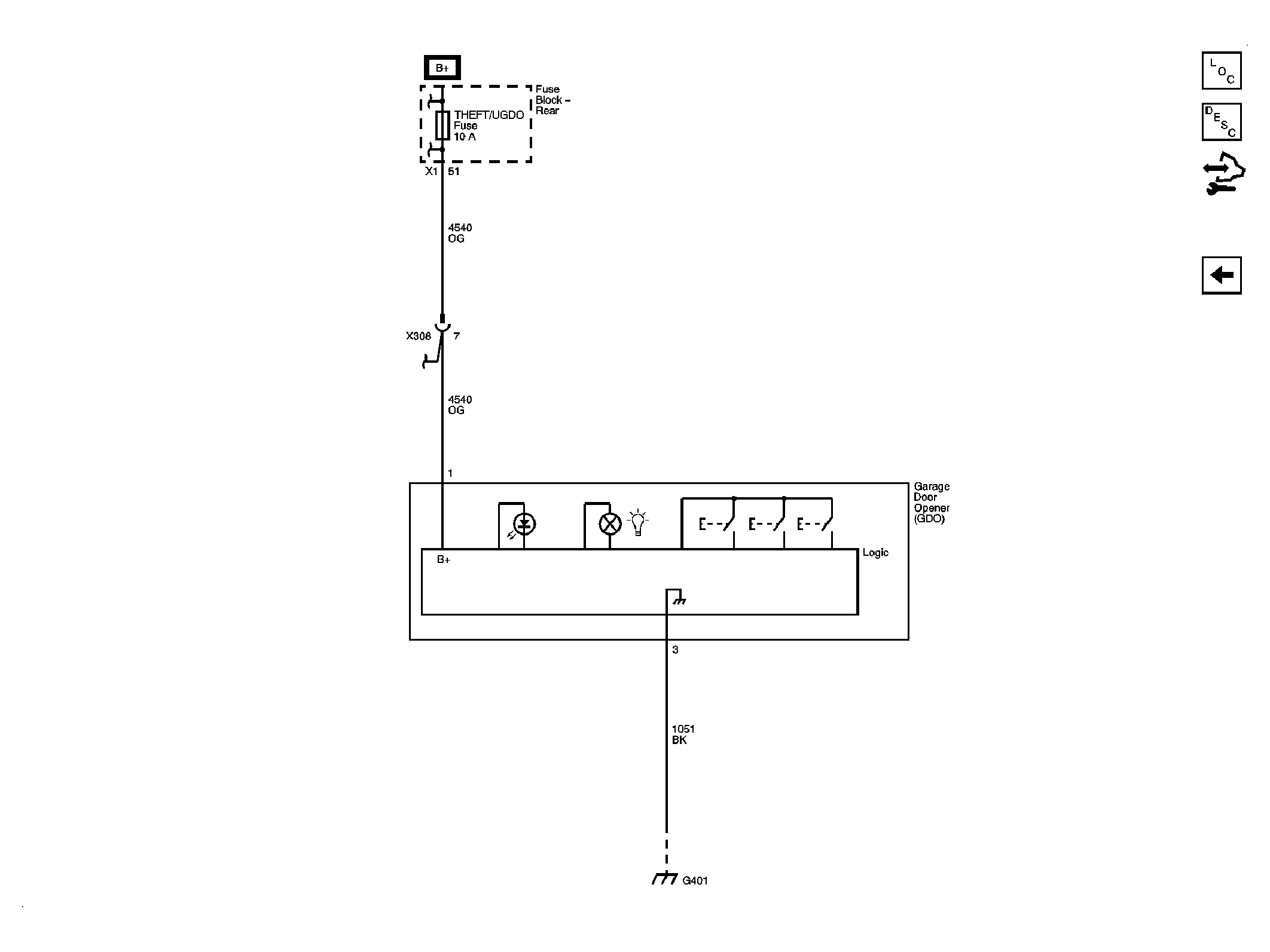
Fig 1: Garage Door Opener - UG1
GM2077293Courtesy of GENERAL MOTORS CORP.
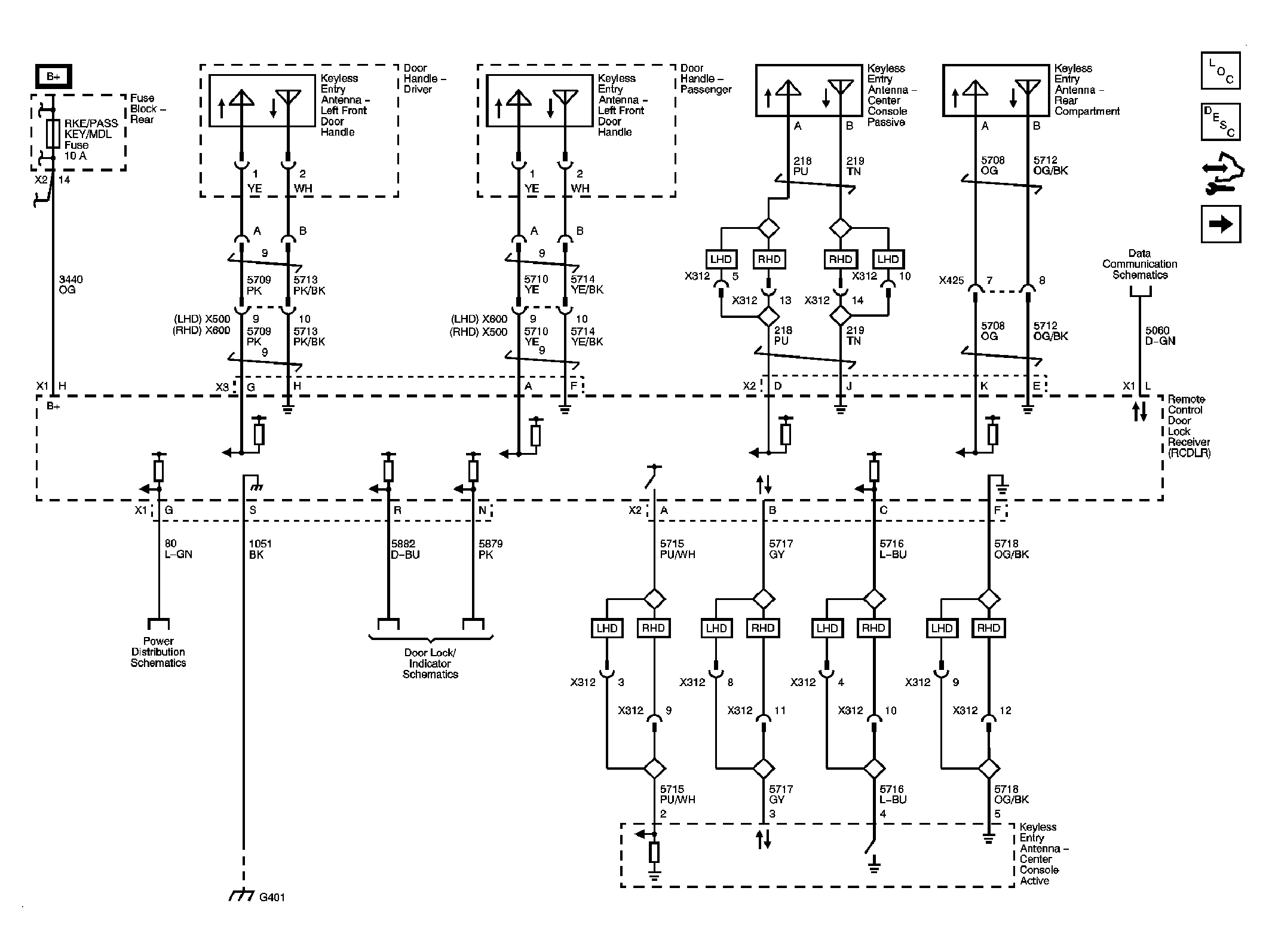
Fig 2: Power, Grounds, Antennas, Indicator and Release Switch
GM2077294Courtesy of GENERAL MOTORS CORP.