LEMON Manuals: Even more car manuals for everyone
Home >> Cadillac >> 2007 >> XLR Base >> Repair and Diagnosis >> External Pages >> Different car >> Section 13 (Cellular System, Entertainment System, And Navigation System) >> Schematic and Routing Diagrams >> OnStar Schematics

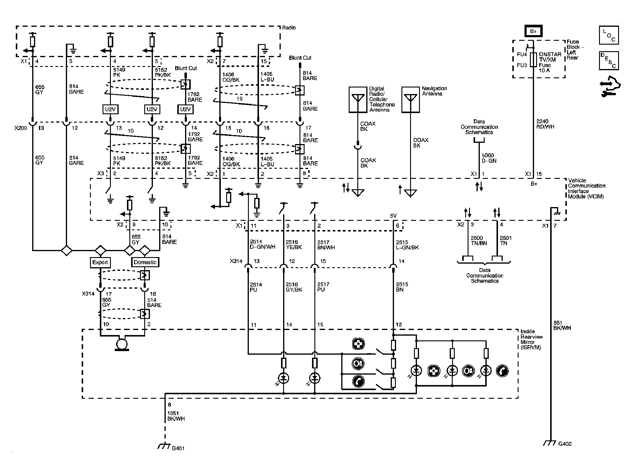
OnStar Schematics

WARNING: This page is about a different car, the 2008 Cadillac SRX. However, it is still accessible from the selected car via links, so may be relevant.
Fig 1: Identifying OnStar Schematics
GM1874776Courtesy of GENERAL MOTORS CORP.