LEMON Manuals: Even more car manuals for everyone
Home >> Cadillac >> 2007 >> Escalade EXT >> Repair and Diagnosis >> Transmission >> Automatic Trans >> Shift Interlock System >> Schematic and Routing Diagrams >> Shift Lock Control Schematics

Shift Lock Control Schematics

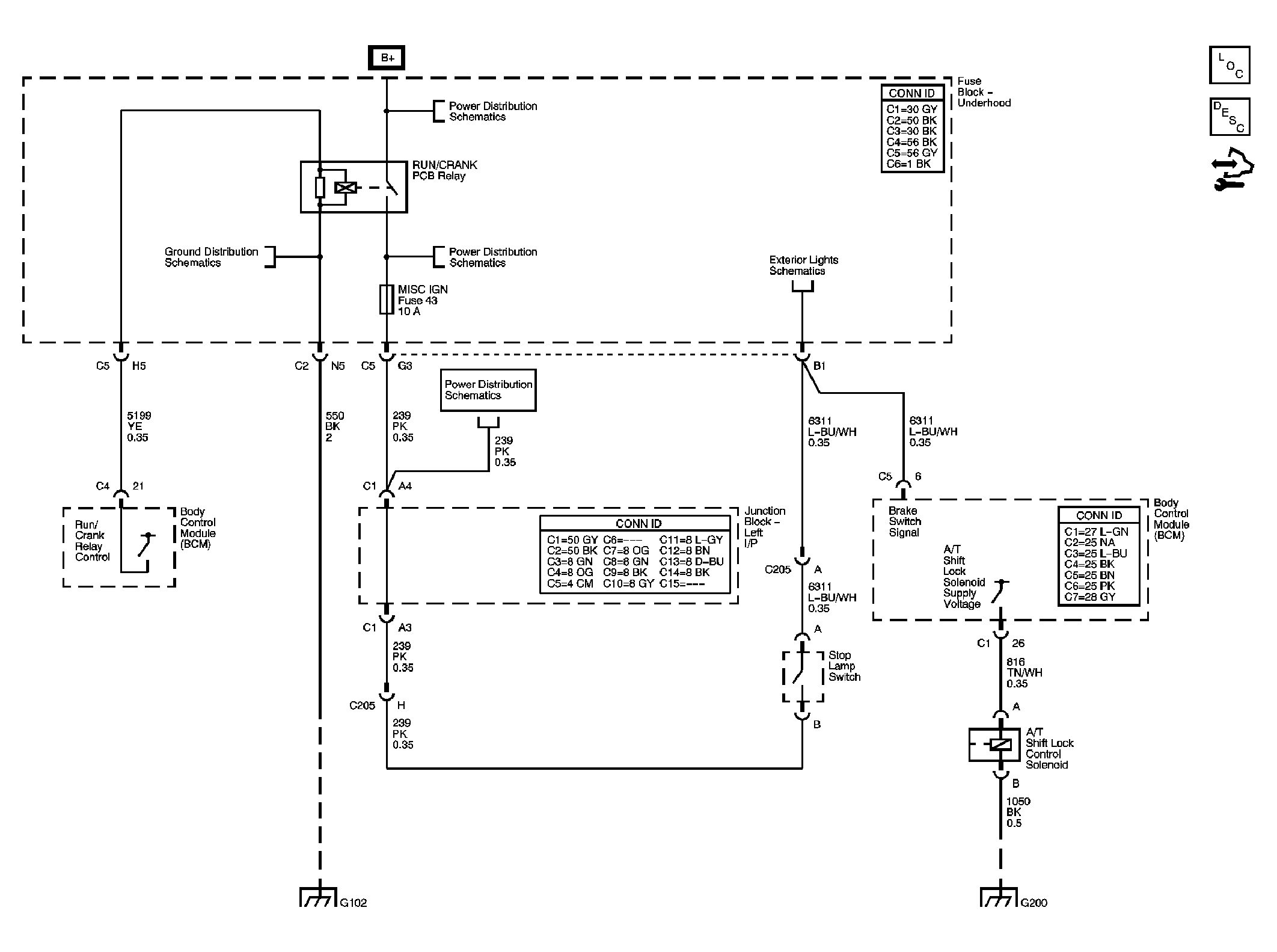
Fig 1: Shift Lock Control Schematic
GM1694880Courtesy of GENERAL MOTORS CORP.