LEMON Manuals: Even more car manuals for everyone
Home >> Cadillac >> 2007 >> Escalade EXT >> Repair and Diagnosis >> External Pages >> Different car >> Section 732 (Shift Lock Control System) >> Schematic and Routing Diagrams >> Automatic Transmission Shift Lock Control Schematics

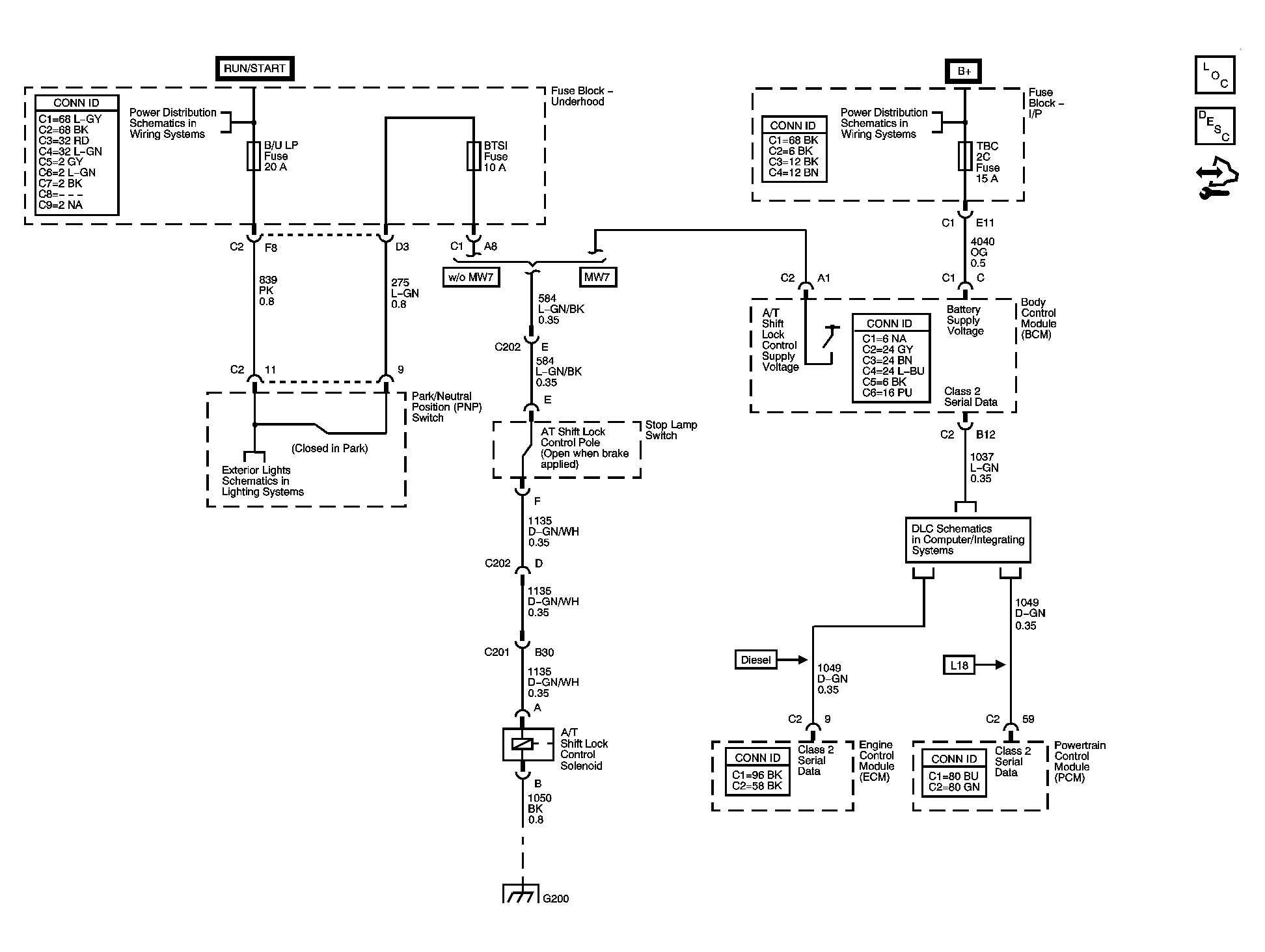
Automatic Transmission Shift Lock Control Schematics

WARNING: This page is about a different car, the 2006 GMC Sierra and 2006 Chevrolet Silverado. However, it is still accessible from the selected car via links, so may be relevant.
Fig 1: Shift Lock Control Schematic
GM1570451Courtesy of GENERAL MOTORS CORP.