LEMON Manuals: Even more car manuals for everyone
Home >> Cadillac >> 2007 >> Escalade EXT >> Repair and Diagnosis >> External Pages >> Different car >> Section 708 (Antilock Brake System With Traction Control System) >> Schematic and Routing Diagrams >> ABS Schematics

ABS Schematics

WARNING: This page is about a different car, the 2006 GMC Sierra, 2006 GMC Cab & Chassis Sierra, 2006 Chevrolet Silverado, and 2006 Chevrolet Cab & Chassis Silverado. However, it is still accessible from the selected car via links, so may be relevant.
Fig 1: Power, Ground, Serial Data, Indicator, and Stop Lamp Switch - 8600 GVW or Less w/Rear Disc Brakes
GM1570439Courtesy of GENERAL MOTORS CORP.
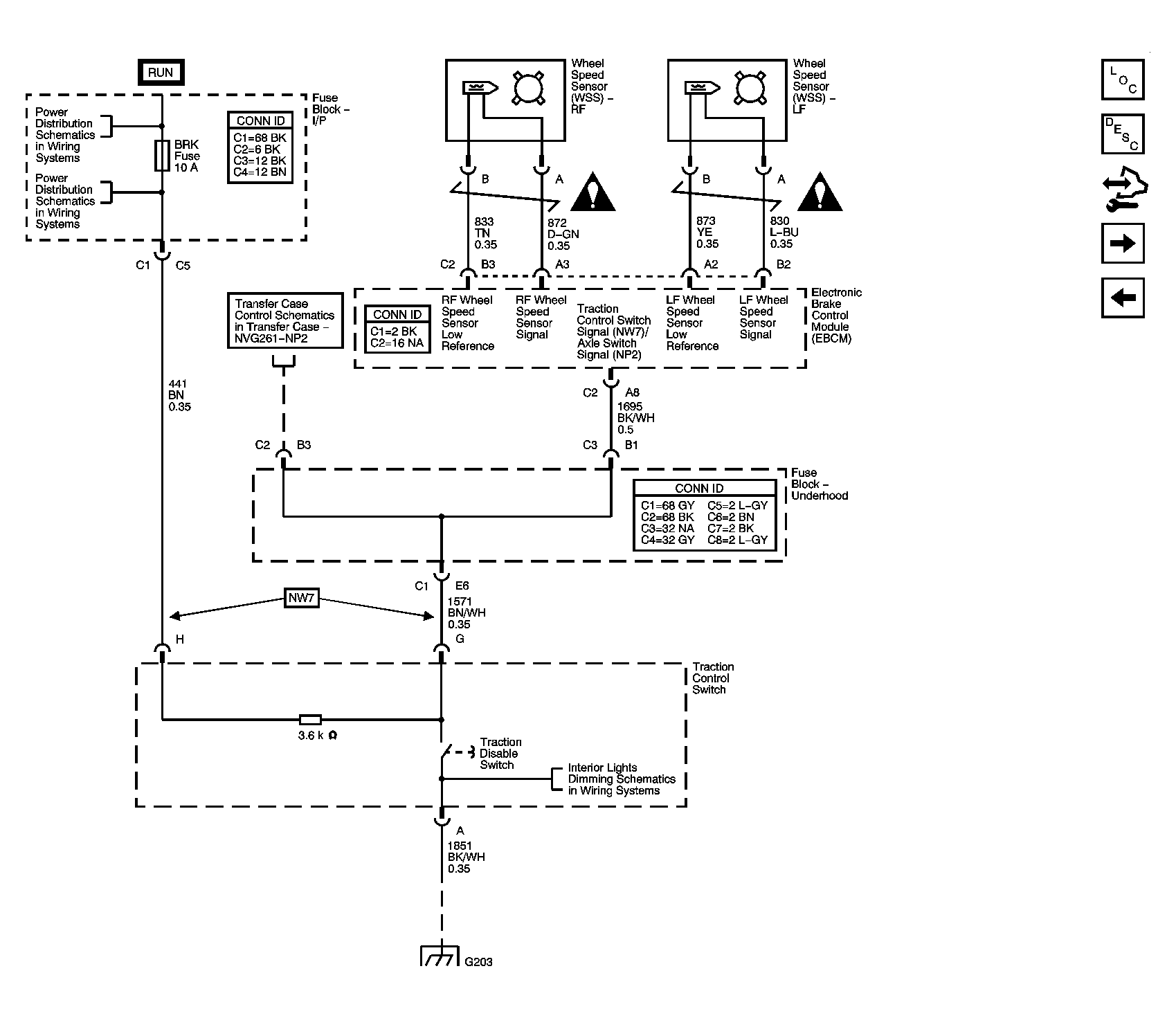
Fig 2: Traction Control Switch and Wheel Speed Sensors - 8600 GVW or Less w/Rear Disc Brakes
GM1570442Courtesy of GENERAL MOTORS CORP.
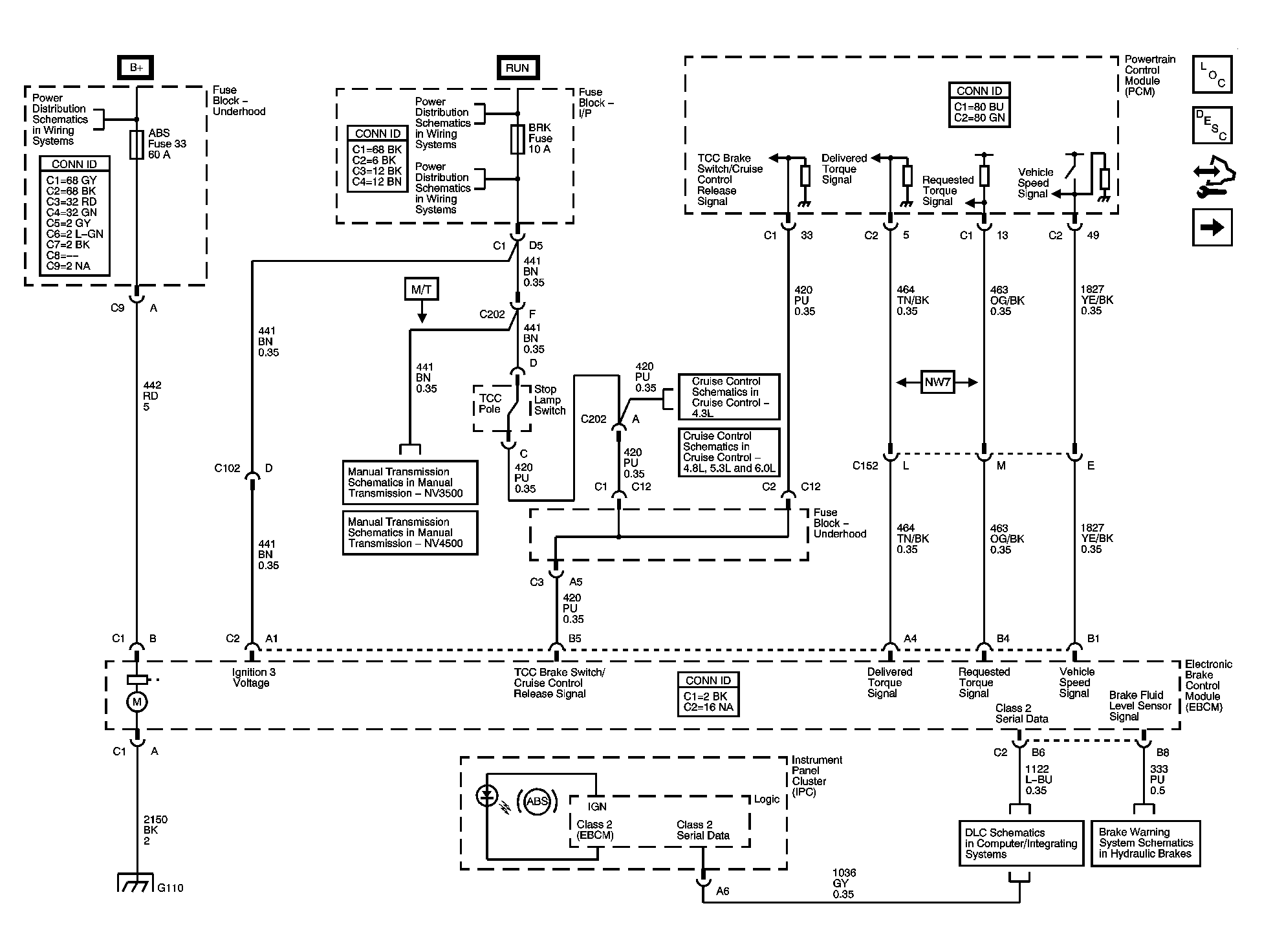
Fig 3: Power, Ground, Serial Data, Indicator, and Stop Lamp Switch - Greater than 8600 GVW or w/Rear Drum Brakes
GM1570444Courtesy of GENERAL MOTORS CORP.
Fig 4: Traction Control Switch and Wheel Speed Sensors - Greater than 8600 GVW or w/Rear Drum Brakes
GM1570450Courtesy of GENERAL MOTORS CORP.