LEMON Manuals: Even more car manuals for everyone
Home >> Cadillac >> 2007 >> Escalade EXT >> Repair and Diagnosis >> External Pages >> Different car >> Section 540 (Wiring Systems - Specifications, Component Views And Connector End Views) >> Schematic and Routing Diagrams >> Ground Distribution Schematics

Ground Distribution Schematics

WARNING: This page is about a different car, the 2004 Chevrolet Corvette. However, it is still accessible from the selected car via links, so may be relevant.
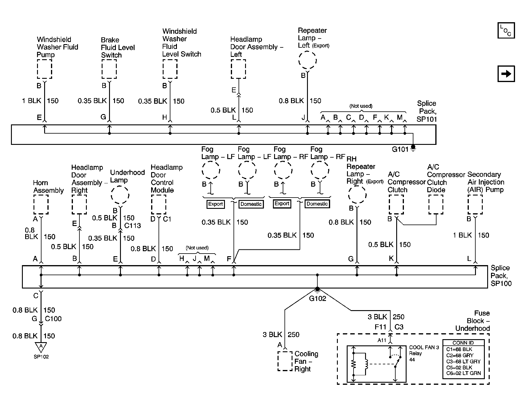
Fig 1: G101 And G102 Schematic
GM690259Courtesy of GENERAL MOTORS CORP.
Fig 2: G104 Schematic
GM690276Courtesy of GENERAL MOTORS CORP.
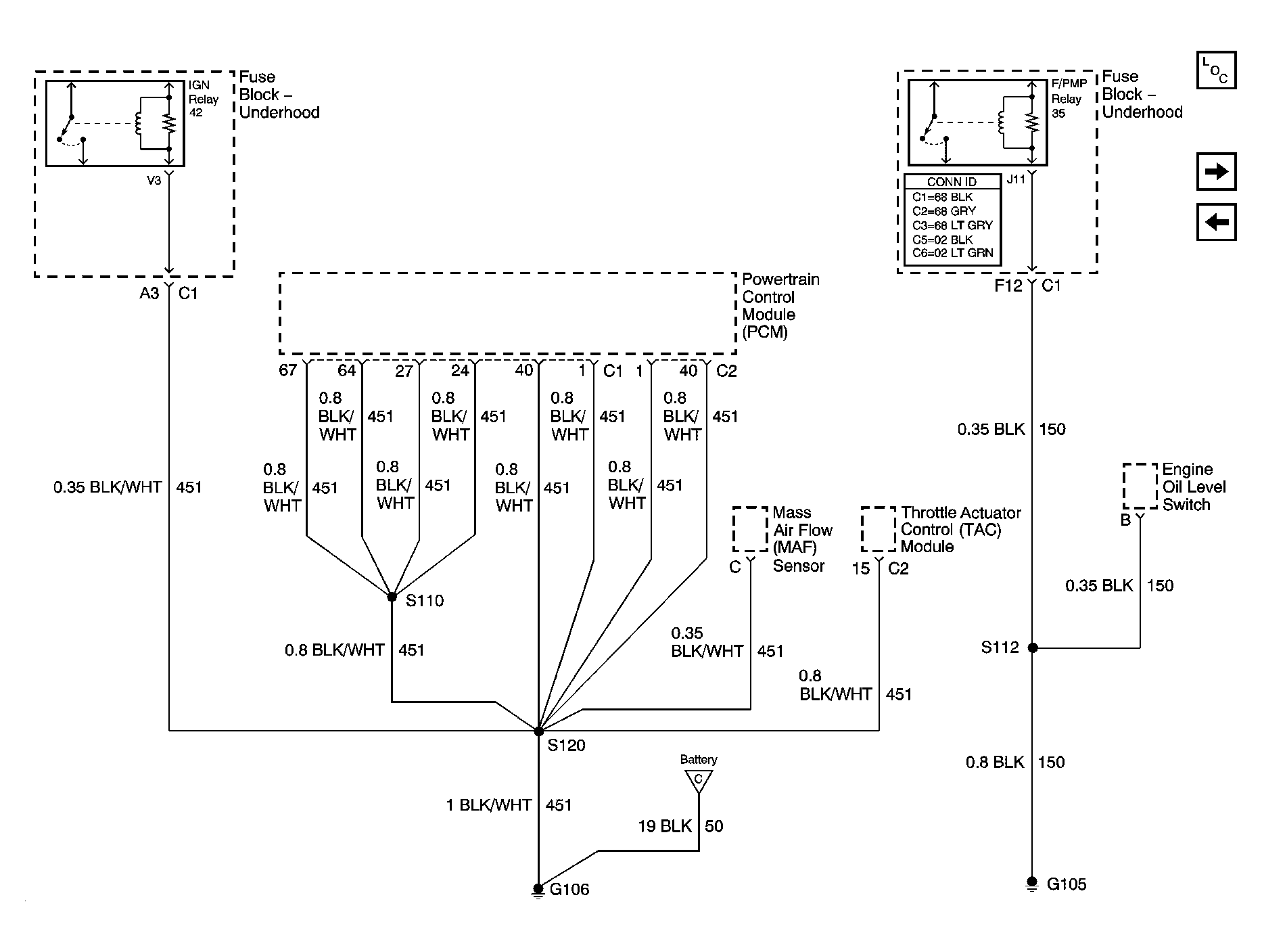
Fig 3: G106 And G105 Schematic
GM1221430Courtesy of GENERAL MOTORS CORP.
Fig 4: G107, G108 And G103 Schematic
GM690290Courtesy of GENERAL MOTORS CORP.
Fig 5: G201 Schematic
GM690295Courtesy of GENERAL MOTORS CORP.
Fig 6: G202 Schematic
GM690301Courtesy of GENERAL MOTORS CORP.
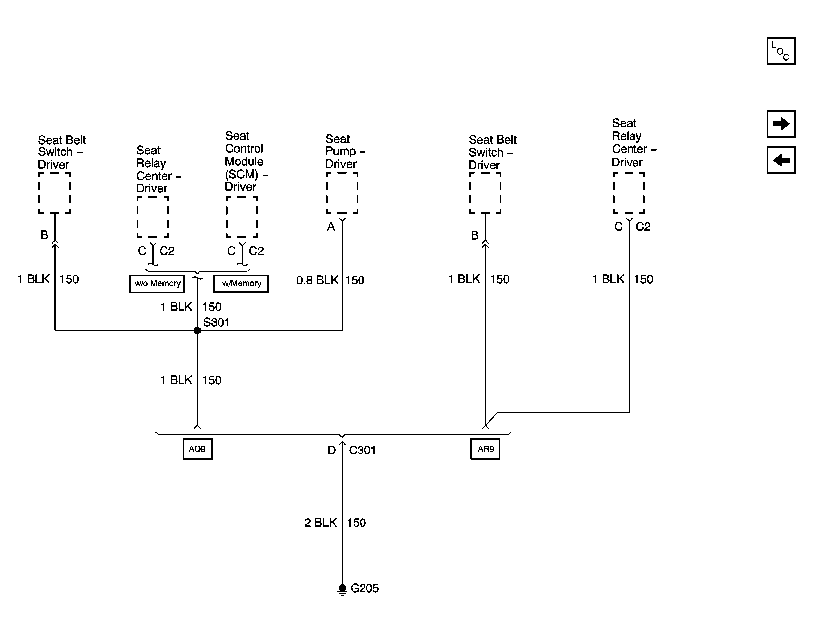
Fig 7: G205 Schematic
GM690358Courtesy of GENERAL MOTORS CORP.
Fig 8: G301, G402 And G302 Schematic
GM690365Courtesy of GENERAL MOTORS CORP.
Fig 9: G401 Schematic
GM690376Courtesy of GENERAL MOTORS CORP.
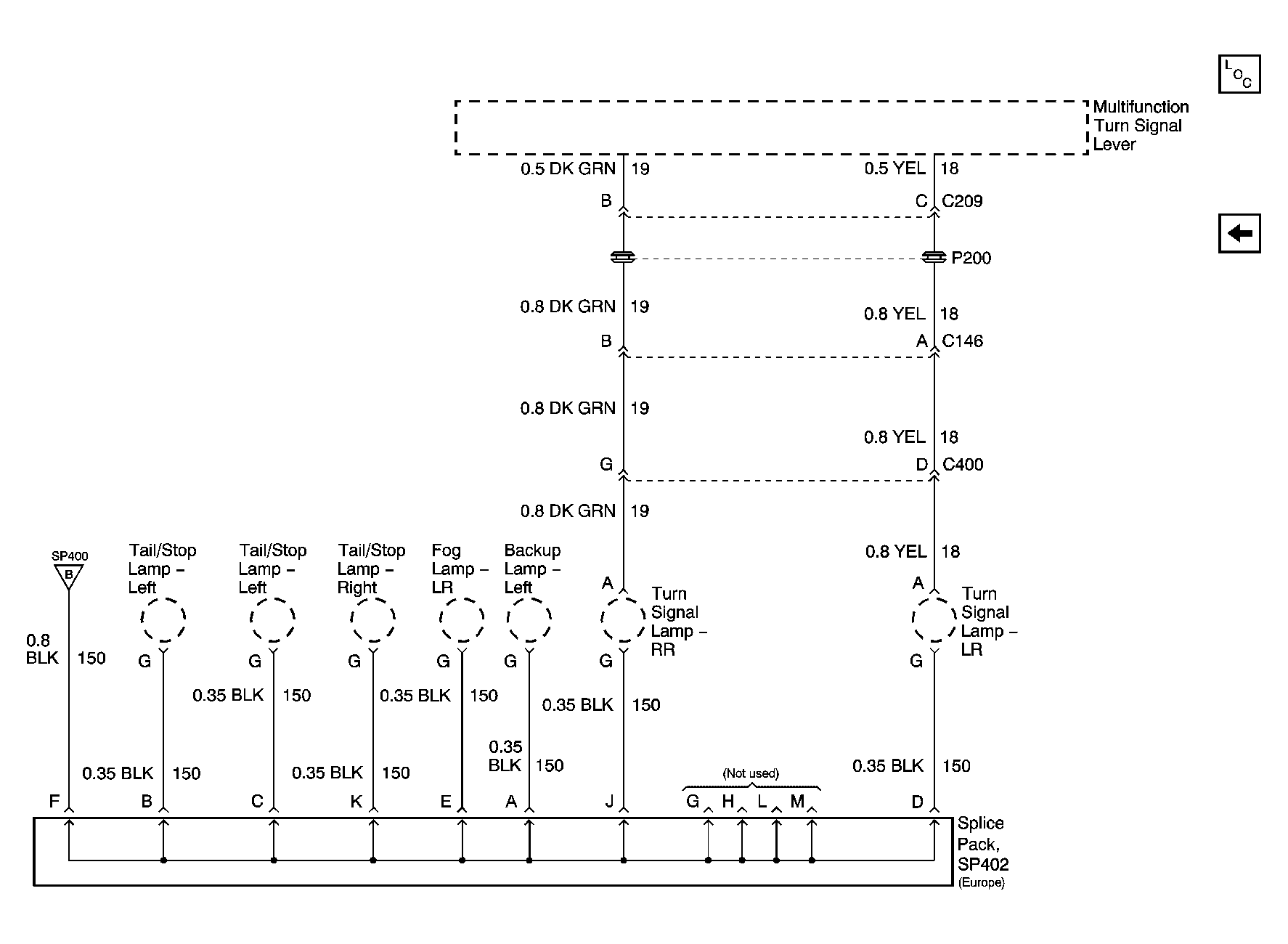
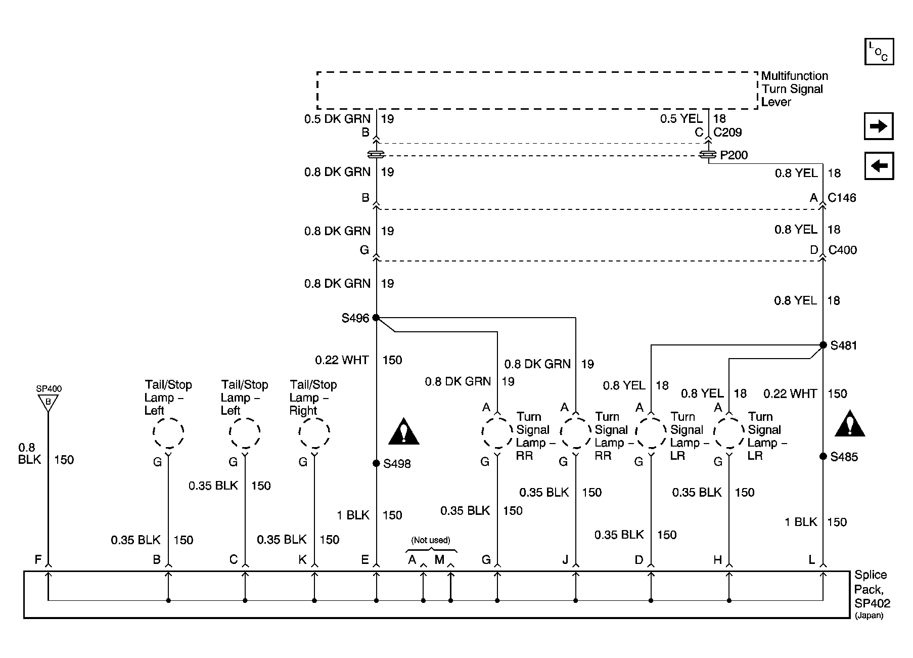
Fig 10: SP402 Schematic (Japan)
GM690378Courtesy of GENERAL MOTORS CORP.
Fig 11: SP402 Schematic (Europe)
GM690438Courtesy of GENERAL MOTORS CORP.