LEMON Manuals: Even more car manuals for everyone
Home >> Cadillac >> 2007 >> Escalade EXT >> Repair and Diagnosis >> External Pages >> Different car >> Section 439 (Shift Lock Control System) >> Schematic and Routing Diagrams >> Automatic Transmission Shift Lock Control Schematics

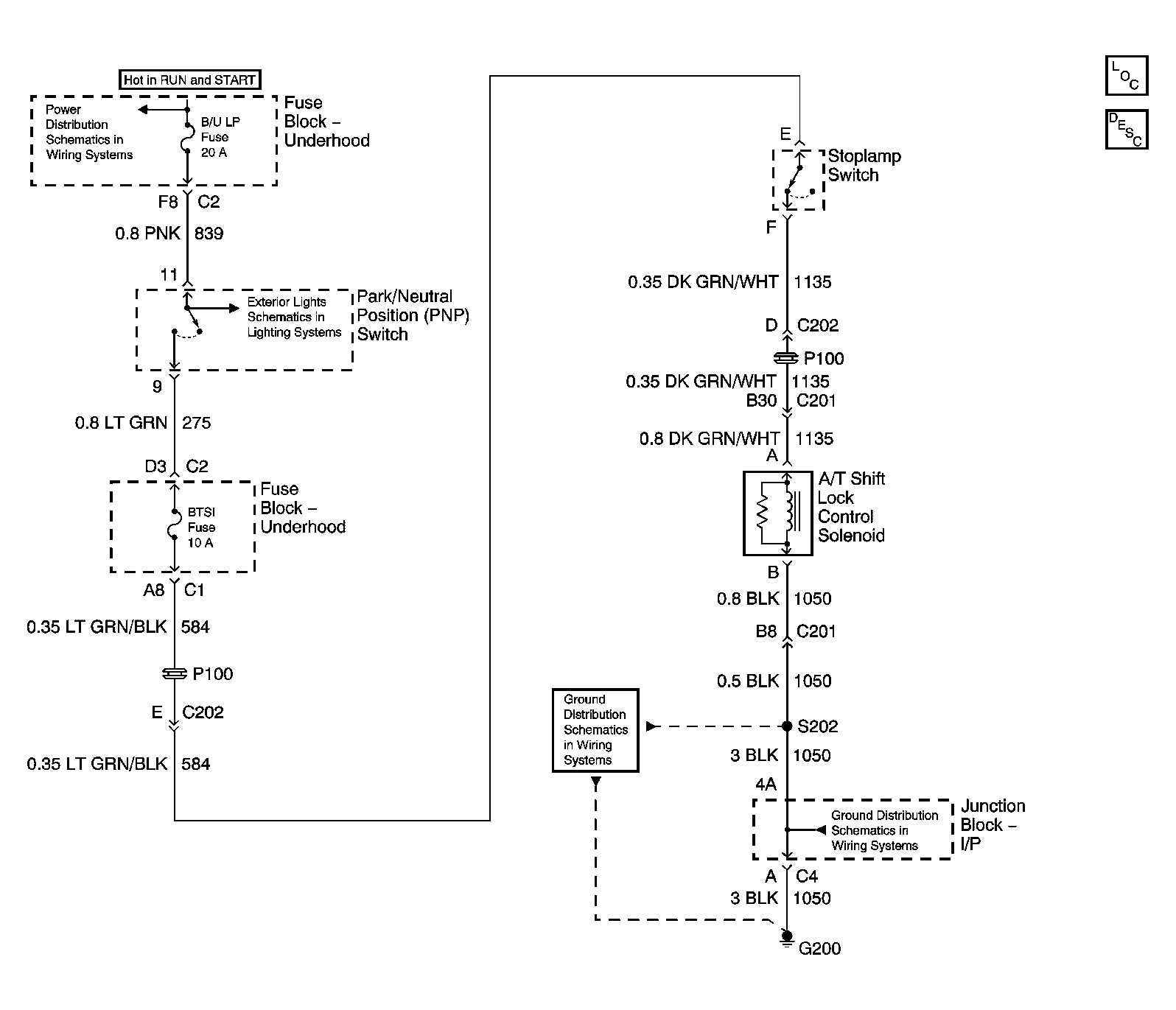
Automatic Transmission Shift Lock Control Schematics

WARNING: This page is about a different car, the 2004 GMC Sierra, 2004 GMC Cab & Chassis Sierra, 2004 Chevrolet Silverado, and 2004 Chevrolet Cab & Chassis Silverado. However, it is still accessible from the selected car via links, so may be relevant.
Fig 1: Automatic Transmission Shift Lock Control Schematic
GM1242775Courtesy of GENERAL MOTORS CORP.