LEMON Manuals: Even more car manuals for everyone
Home >> Cadillac >> 2007 >> Escalade EXT >> Repair and Diagnosis >> External Pages >> Different car >> Section 1809 (Object Detection System - Park Assist System) >> Wiring Schematics >> Object Detection Wiring Schematics >> Rear Video Camera (without E52 or TB7)

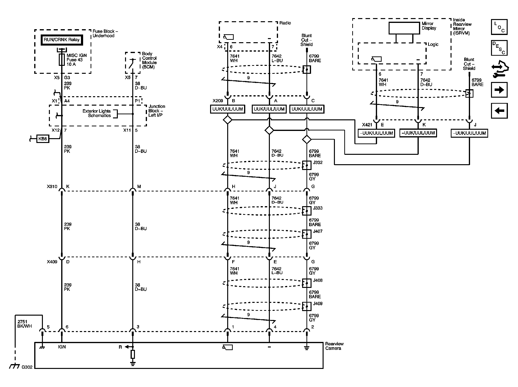
Rear Video Camera (without E52 or TB7)

WARNING: This page does not describe the selected car, but rather 8 other vehicles, including the 2011 GMC Yukon XL, 2011 GMC Yukon, 2011 Chevrolet Tahoe, 2011 Chevrolet Suburban, and 2011 Chevrolet Avalanche. However, it is still accessible from the selected car via links, so may be relevant.
Fig 1: Rear Video Camera (without E52 or TB7) Wiring Schematic
GM2399407Courtesy of GENERAL MOTORS CORP.