LEMON Manuals: Even more car manuals for everyone
Home >> Cadillac >> 2007 >> Escalade EXT >> Repair and Diagnosis >> External Pages >> Different car >> Section 1652 (Engine Control System & Fuel System - 6.6L (LMM) - Wiring Schematic And Fuel Line Routing Diagrams) >> Schematic and Routing Diagrams >> Engine Controls Schematics

Engine Controls Schematics

WARNING: This page is about a different car, the 2010 GMC Sierra, 2010 GMC Cab & Chassis Sierra, 2010 Chevrolet Silverado, and 2010 Chevrolet Cab & Chassis Silverado. However, it is still accessible from the selected car via links, so may be relevant.
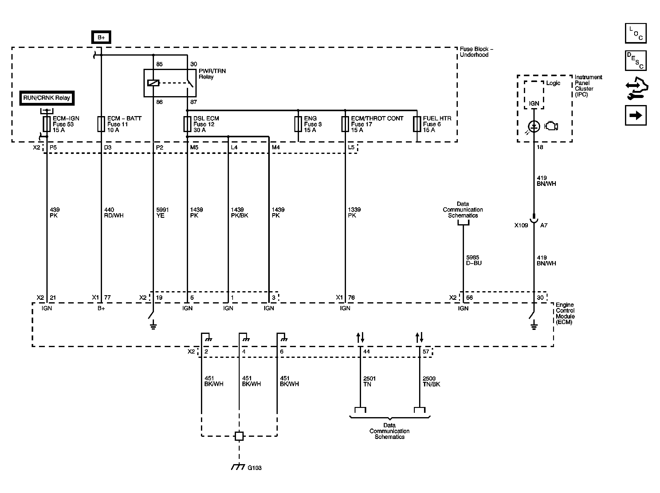
Fig 1: Module Power, Ground, Serial Data, and MIL
GM2224137Courtesy of GENERAL MOTORS CORP.
Fig 2: 5-Volt and Low References - 1 of 2
GM2224138Courtesy of GENERAL MOTORS CORP.
Fig 3: 5-Volt and Low References - 2 of 2
GM2224139Courtesy of GENERAL MOTORS CORP.
Fig 4: Engine Data Sensors - Temperature and MAF
GM2224140Courtesy of GENERAL MOTORS CORP.
Fig 5: Engine Data Sensors - Pressure
GM2224141Courtesy of GENERAL MOTORS CORP.
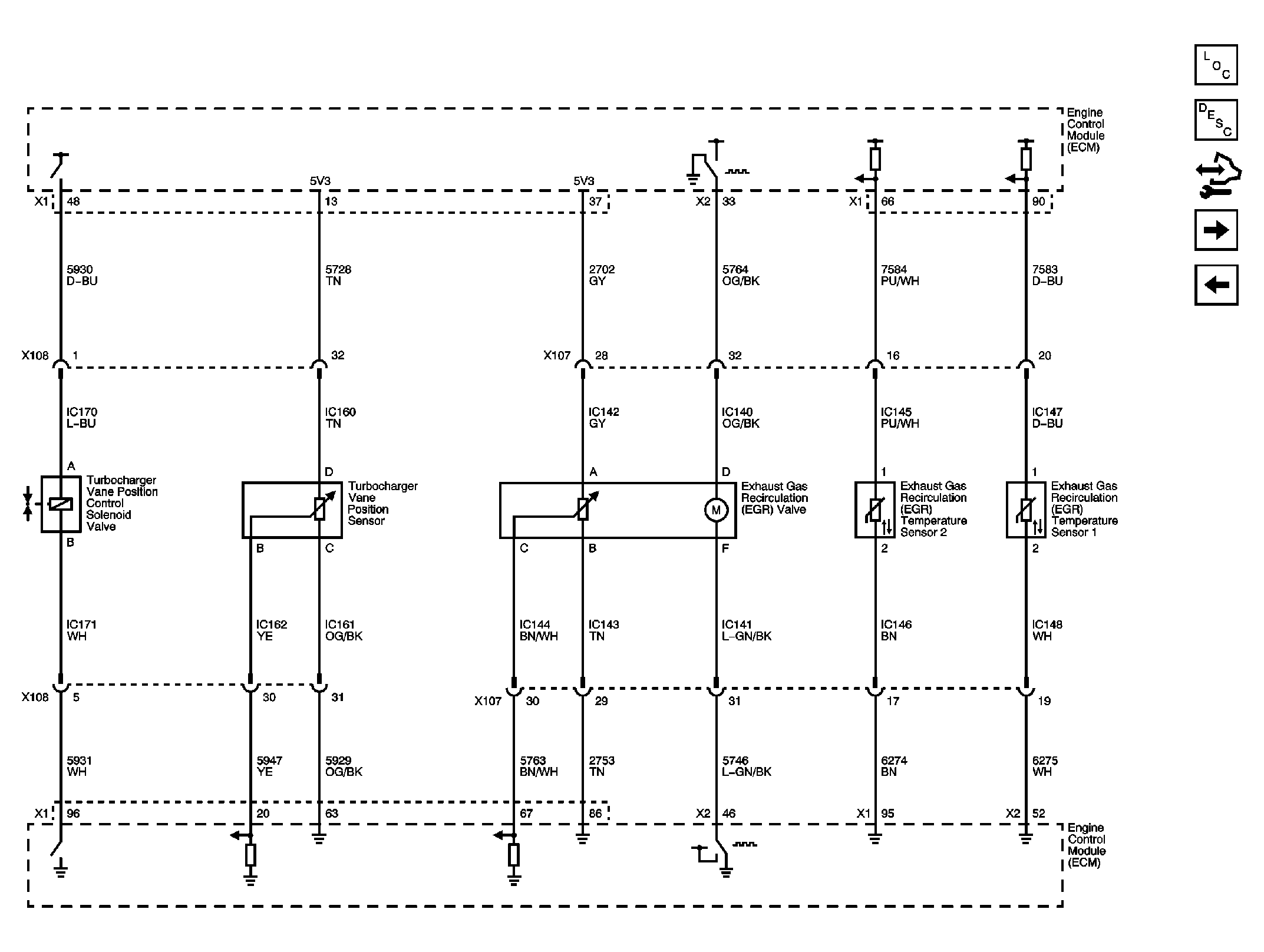
Fig 6: EGR and Turbocharger Controls
GM2224142Courtesy of GENERAL MOTORS CORP.
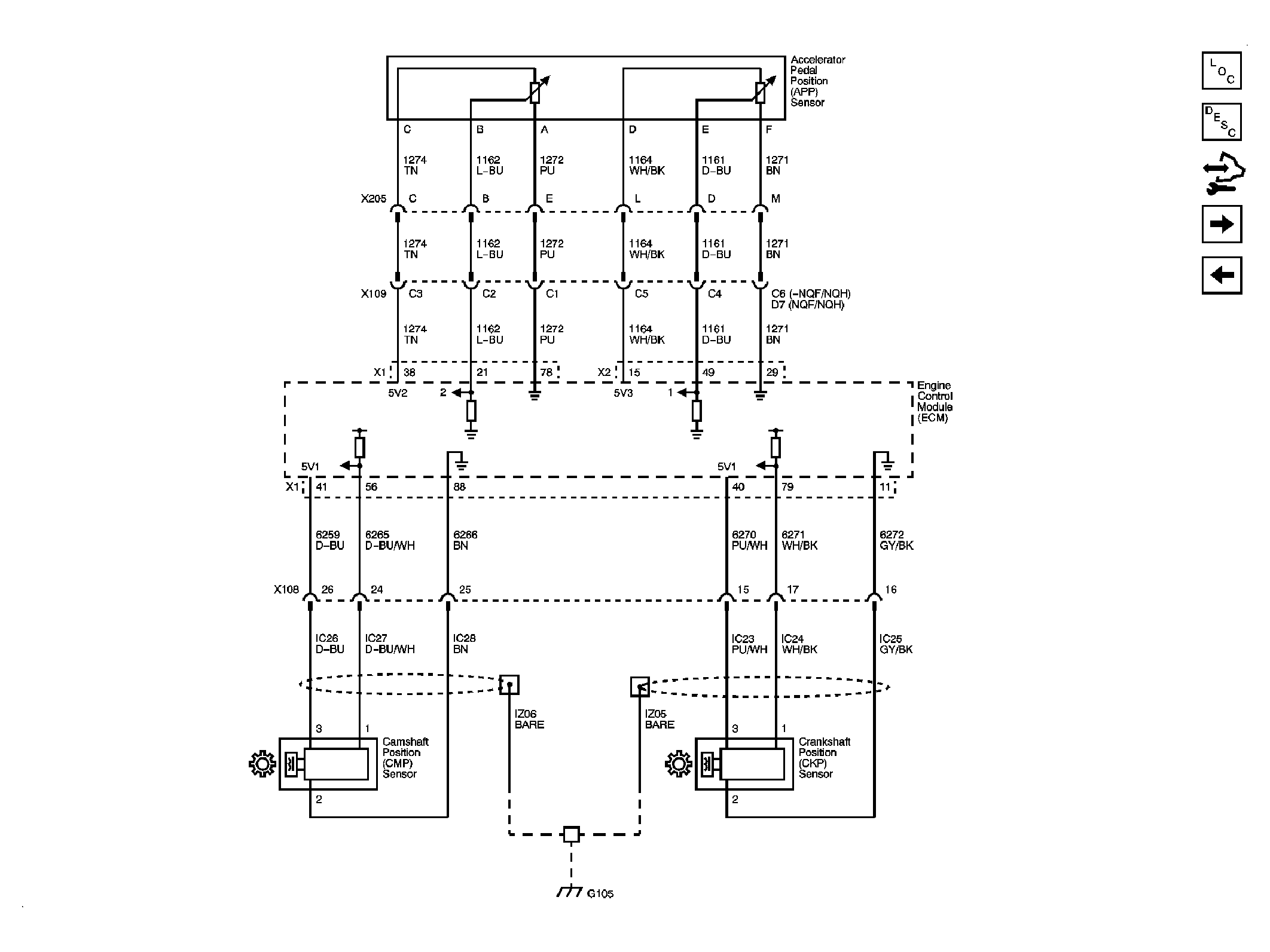
Fig 7: Pedal Position and Injector Timing
GM2224144Courtesy of GENERAL MOTORS CORP.
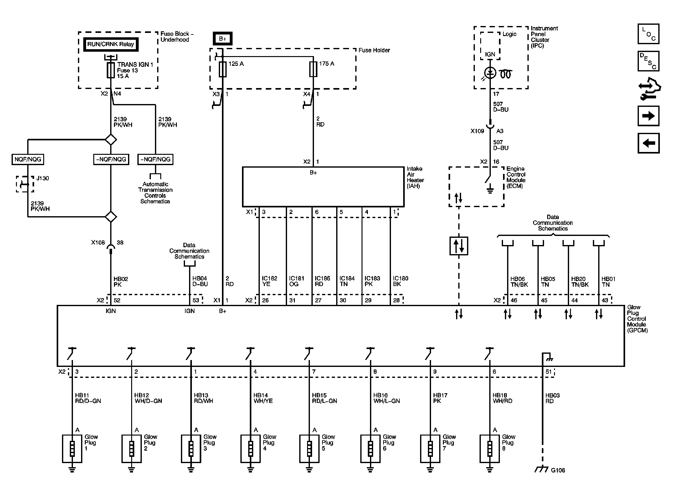
Fig 8: Engine Data Sensors - Glow Plug Controls and Intake Air Heater
GM2224146Courtesy of GENERAL MOTORS CORP.
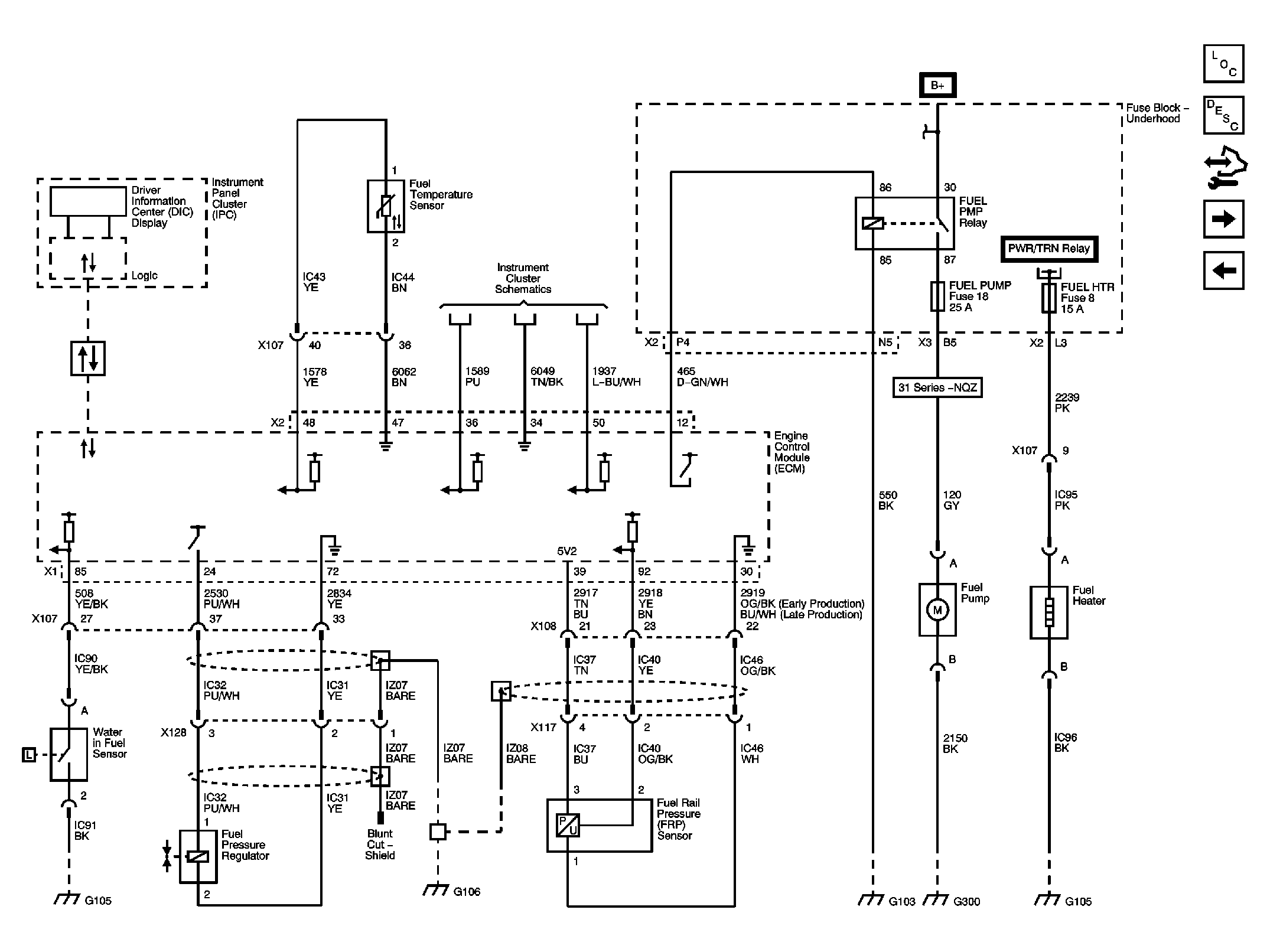
Fig 9: Fuel Controls - Fuel Pump, Temperature, and Pressure Controls
GM2224148Courtesy of GENERAL MOTORS CORP.
Fig 10: Fuel Controls - Fuel Injectors
GM2224150Courtesy of GENERAL MOTORS CORP.
Fig 11: Controlled/Monitored Subsystem References
GM2224152Courtesy of GENERAL MOTORS CORP.