LEMON Manuals: Even more car manuals for everyone
Home >> Cadillac >> 2007 >> Escalade EXT >> Repair and Diagnosis >> External Pages >> Different car >> Section 1042 (Door Lock Systems & Door Handles) >> Schematic and Routing Diagrams >> Door Control Module Schematics

Door Control Module Schematics

WARNING: This page is about a different car, the 2008 GMC Sierra, 2008 GMC Cab & Chassis Sierra, 2008 Chevrolet Silverado, and 2008 Chevrolet Cab & Chassis Silverado. However, it is still accessible from the selected car via links, so may be relevant.
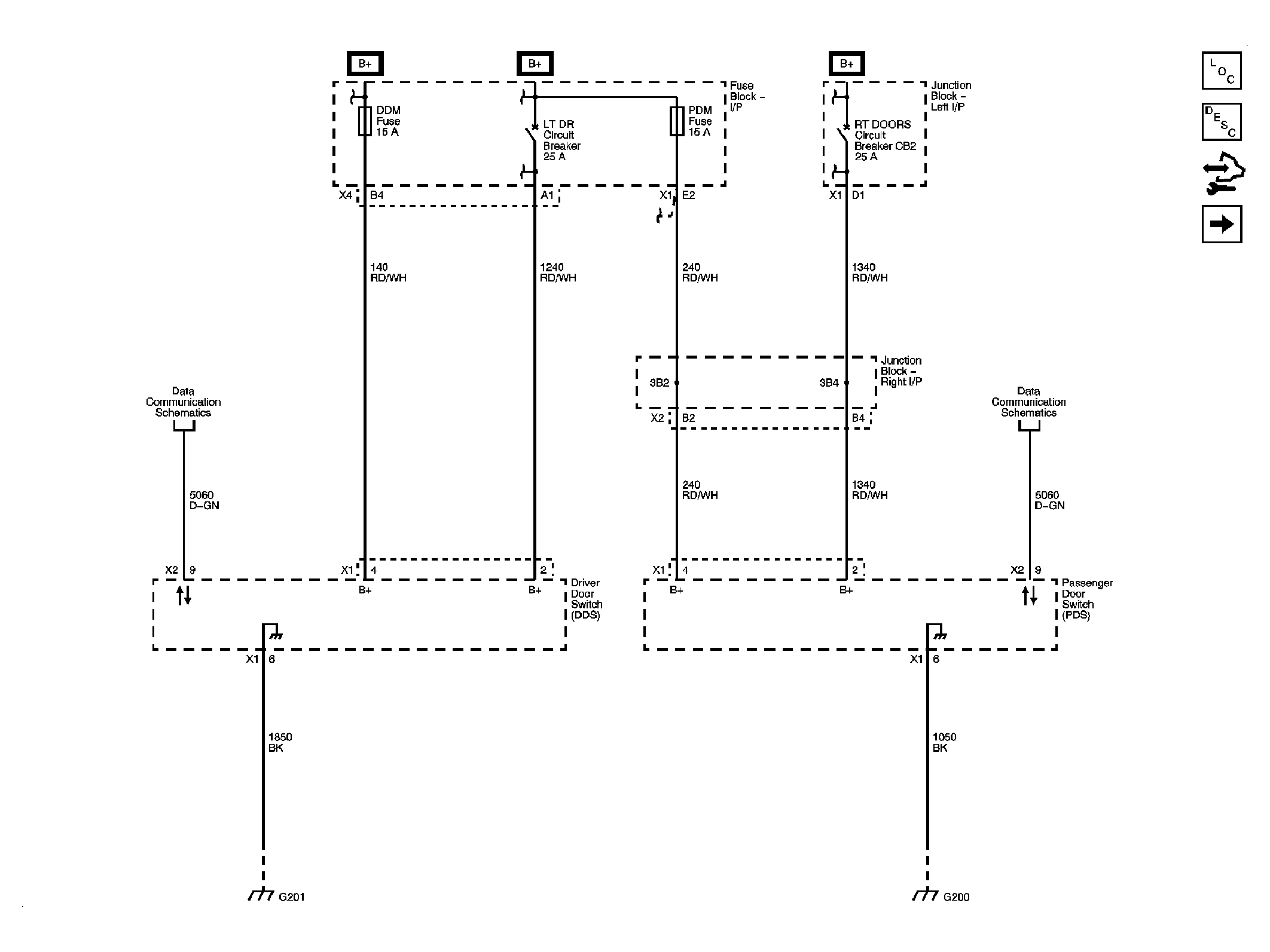
Fig 1: Power, Ground and Serial Data
GM1915060Courtesy of GENERAL MOTORS CORP.
Fig 2: Door Lock, Window and Lighting System References
GM1915066Courtesy of GENERAL MOTORS CORP.
Fig 3: Outside Rearview Mirror References
GM1915069Courtesy of GENERAL MOTORS CORP.
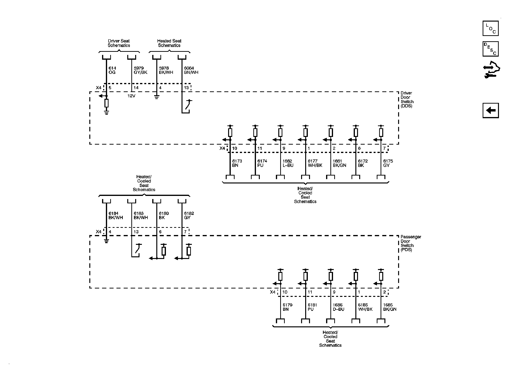
Fig 4: Heated Seat References
GM1915075Courtesy of GENERAL MOTORS CORP.