LEMON Manuals: Even more car manuals for everyone
Home >> Cadillac >> 2007 >> Escalade EXT >> Repair and Diagnosis >> External Pages >> Different car >> Section 1041 (Data Communication System) >> Schematic and Routing Diagrams >> Data Communication Schematics

Data Communication Schematics

WARNING: This page is about a different car, the 2008 GMC Sierra, 2008 GMC Cab & Chassis Sierra, 2008 Chevrolet Silverado, and 2008 Chevrolet Cab & Chassis Silverado. However, it is still accessible from the selected car via links, so may be relevant.
Fig 1: Low Speed Bus - 1 of 3
GM1915399Courtesy of GENERAL MOTORS CORP.
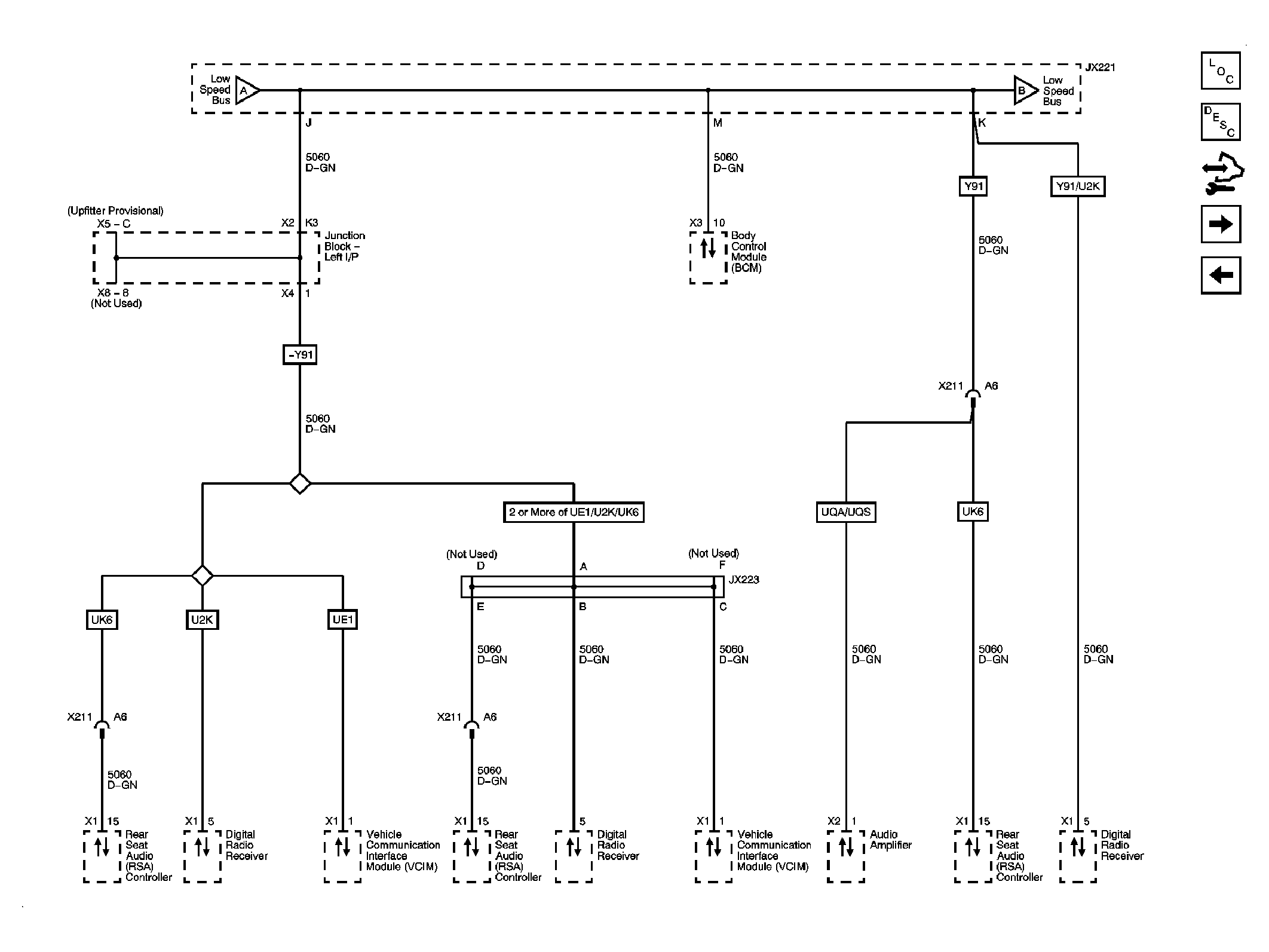
Fig 2: Low Speed Bus - 2 of 3
GM1915401Courtesy of GENERAL MOTORS CORP.
Fig 3: Low Speed Bus - 3 of 3
GM1915403Courtesy of GENERAL MOTORS CORP.
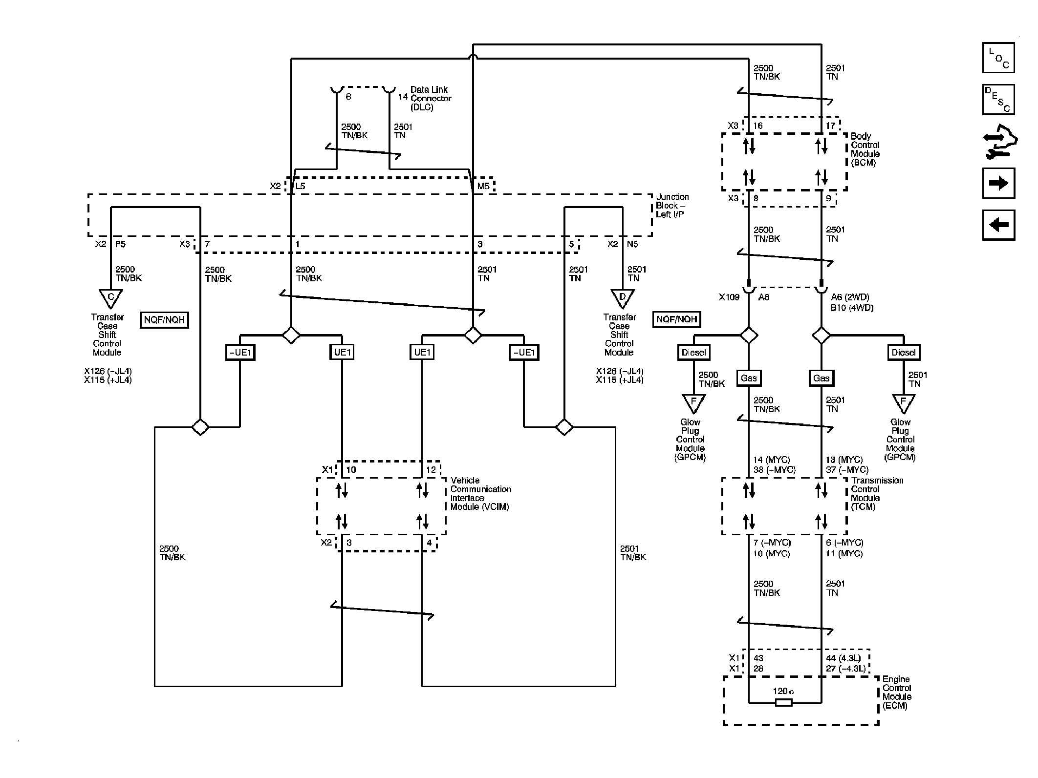
Fig 4: High Speed Bus - 1 of 3
GM1915406Courtesy of GENERAL MOTORS CORP.
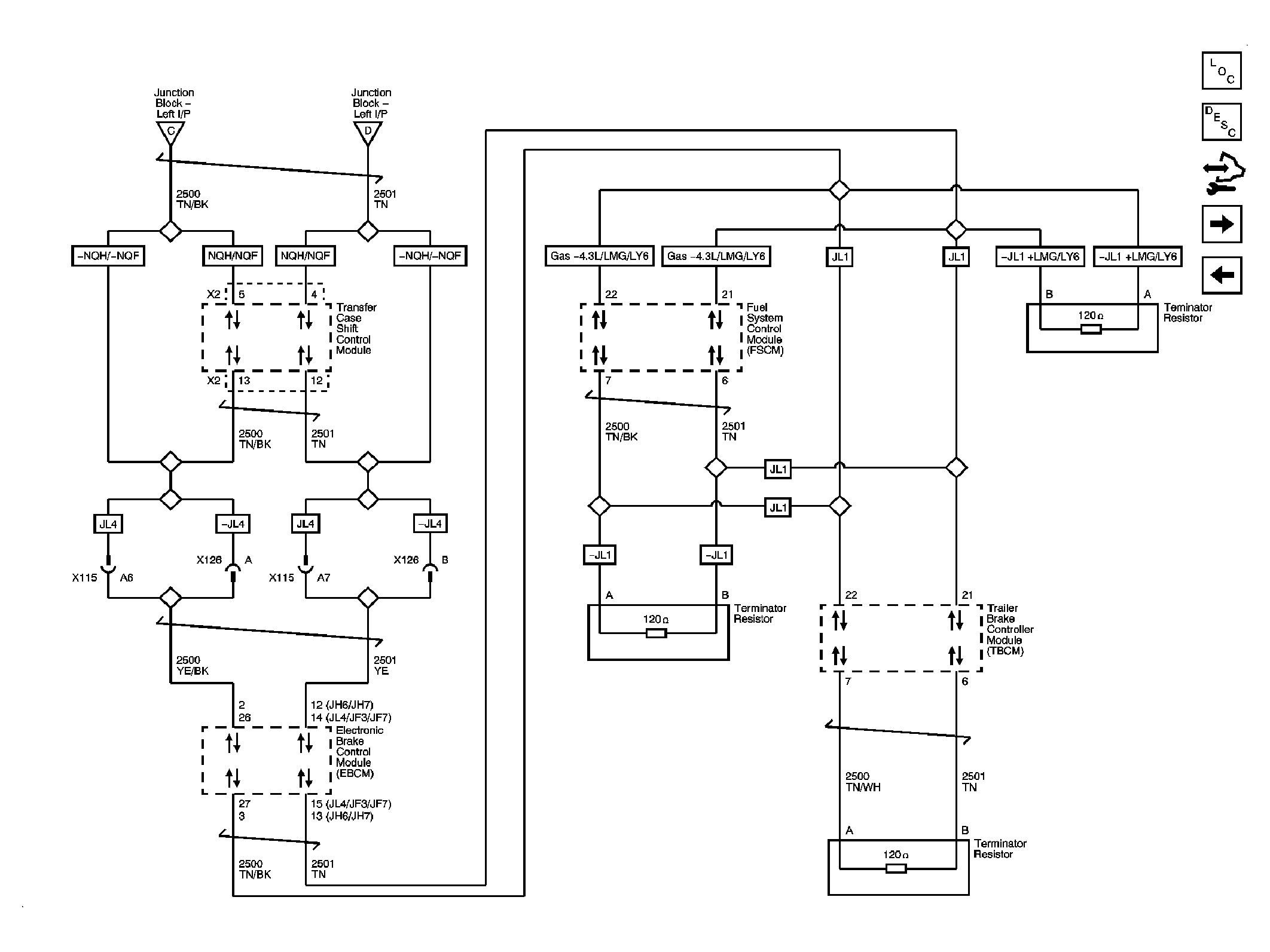
Fig 5: High Speed Bus - 2 of 3
GM1915408Courtesy of GENERAL MOTORS CORP.
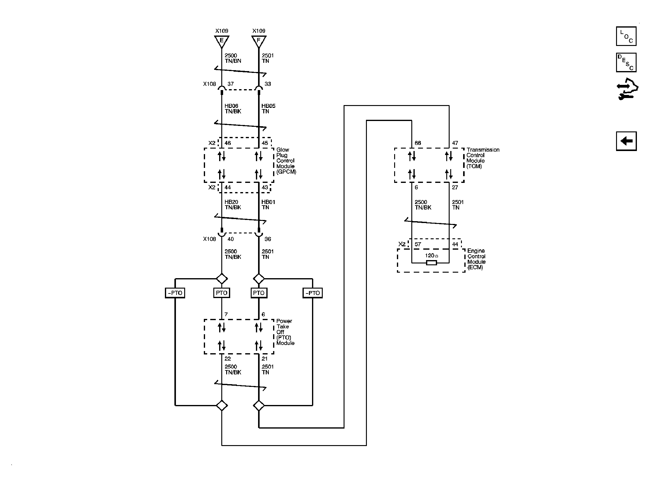
Fig 6: High Speed Bus - 3 of 3 (Diesel)
GM1915412Courtesy of GENERAL MOTORS CORP.