LEMON Manuals: Even more car manuals for everyone
Home >> Cadillac >> 2007 >> Escalade EXT >> Repair and Diagnosis >> Accessories & Equipment >> Memory Modules >> Adjustable Pedal System >> Repair Instructions >> Brake Pedal Assembly Replacement >> Installation Procedure

Installation Procedure

  1. With the aid of an assistant, position the brake booster to the vehicle.
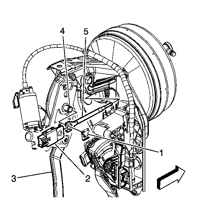
  2. Fig 1: View Of EAP Bracket Nuts, Booster Studs & Bracket Bolt
    GM1704242Courtesy of GENERAL MOTORS CORP.
  3. Install the EAP assembly to the vehicle.
  4. NOTE: Refer to Fastener Notice .
    IMPORTANT: Tighten the EAP bracket nuts (2) before tightening the top EAP bracket bolt (1).
  5. Install the EAP bracket nuts (2) to the brake booster studs (3).

    Tighten:  Tighten the nuts to 25 N.m (18 lb ft).

  6. Install the top EAP bracket bolt (1).

    Tighten:  Tighten the bolt to 25 N.m (18 lb ft).

  7. Install the accelerator pedal position sensor assembly. Refer to Accelerator Pedal Position Sensor Replacement .
  8. Connect the electrical connectors to the following components:
    • The adjustable pedals motor assembly
    • The memory sensor connector, if equipped
    • The pedal position sensor
    • The accelerator wiring harness connector
  9. Fig 2: View Of Brake Pedal Components
    GM1704202Courtesy of GENERAL MOTORS CORP.
  10. Install the pushrod retaining clip (1) to the brake pedal pin (4).
  11. Install the brake pedal pushrod (5) and the stop lamp switch (2) to the brake pedal (3).
  12. Fig 3: View Of Bolt Securing Selector Cable To Brace
    GM394467Courtesy of GENERAL MOTORS CORP.
  13. Install the transmission range selector cable support bolt to the I/P reinforcement brace.

    Tighten:  Tighten the bolt to 10 N.m (89 lb in).

  14. Install the steering column to the vehicle. Refer to Steering Column Replacement .
  15. Install the left side floor air outlet duct. Refer to Floor Air Outlet Duct Replacement - Left Side .
  16. Install the master cylinder to the brake booster.
  17. Install the 2 master cylinder nuts.

    Tighten:  Tighten the nuts to 33 N.m (24 lb ft).

  18. Verify the operation of the adjustable pedals.