LEMON Manuals: Even more car manuals for everyone
Home >> Cadillac >> 2005 >> XLR >> Repair and Diagnosis >> Engine Performance >> System >> Engine Controls - Introduction >> Schematic and Routing Diagrams >> Engine Controls Schematics

Engine Controls Schematics

Fig 1: DLC, Ground, MIL, and Power Schematics
GM1480622Courtesy of GENERAL MOTORS CORP.
Fig 2: 12-Volt and 5-Volt Reference Bussing Schematics
GM1480624Courtesy of GENERAL MOTORS CORP.
Fig 3: Low Reference Bussing Schematics
GM1480627Courtesy of GENERAL MOTORS CORP.
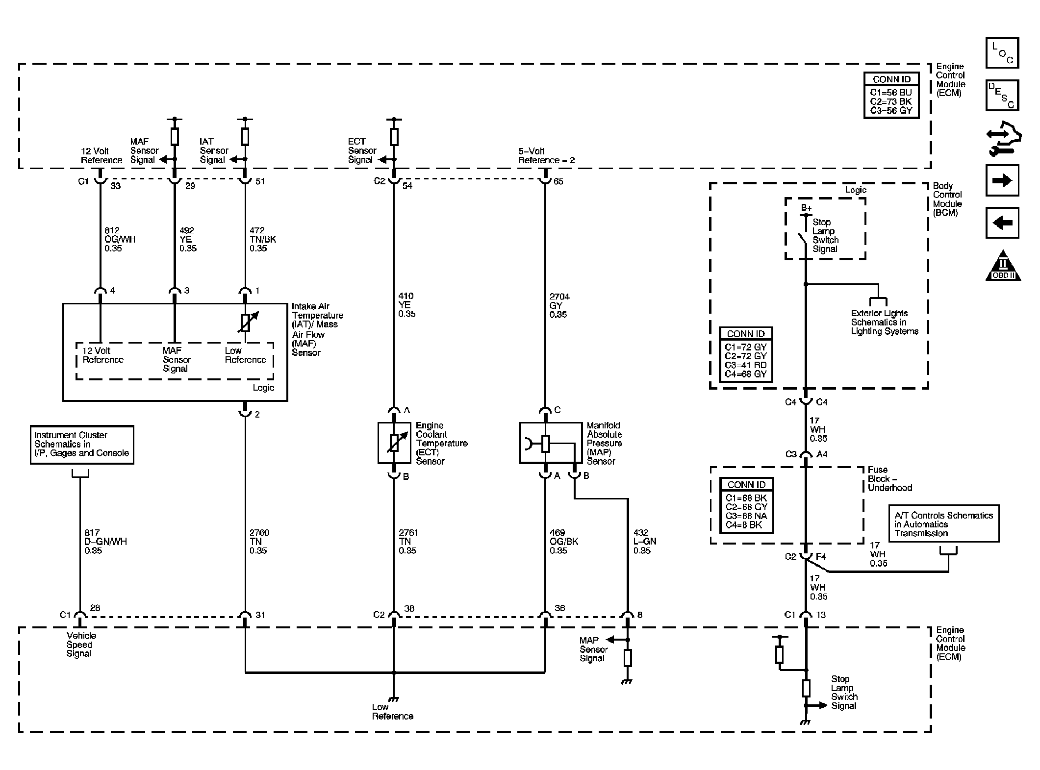
Fig 4: Engine Data Sensors - Pressure, Temperature, MAF, VSS, and Brake Travel Schematics
GM1480629Courtesy of GENERAL MOTORS CORP.
Fig 5: Engine Data Sensors - Oxygen Sensors Schematics
GM1480633Courtesy of GENERAL MOTORS CORP.
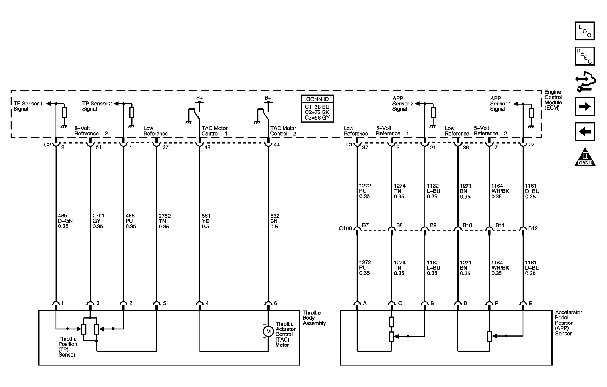
Fig 6: Engine Data Sensors - Electronic Throttle Controls Schematics
GM1480635Courtesy of GENERAL MOTORS CORP.
Fig 7: Ignition System - Bank 1 Schematics
GM1480638Courtesy of GENERAL MOTORS CORP.
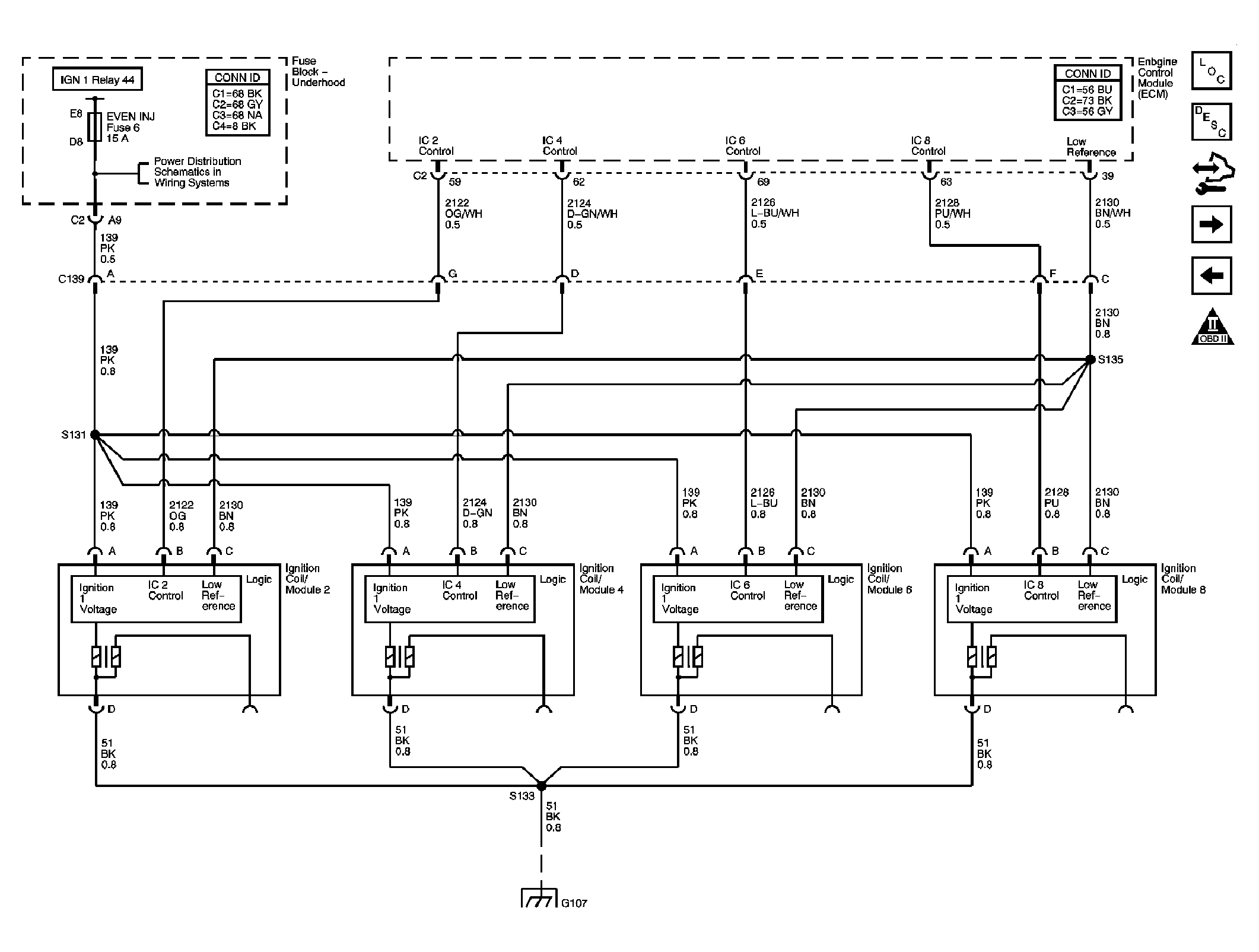
Fig 8: Ignition System - Bank 2 Schematics
GM1480641Courtesy of GENERAL MOTORS CORP.
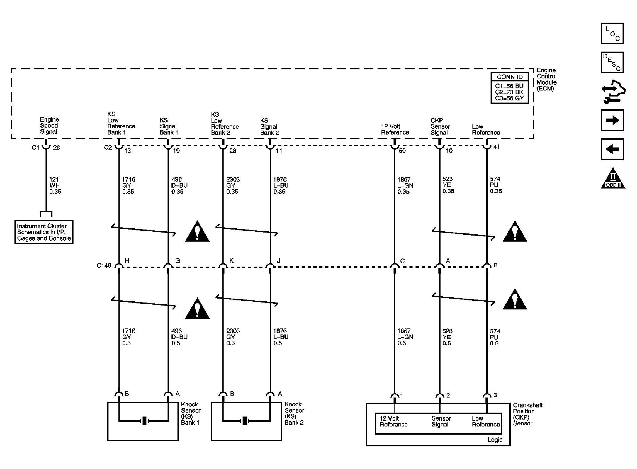
Fig 9: Ignition Controls - CKP and KS Sensors Schematics
GM1480642Courtesy of GENERAL MOTORS CORP.
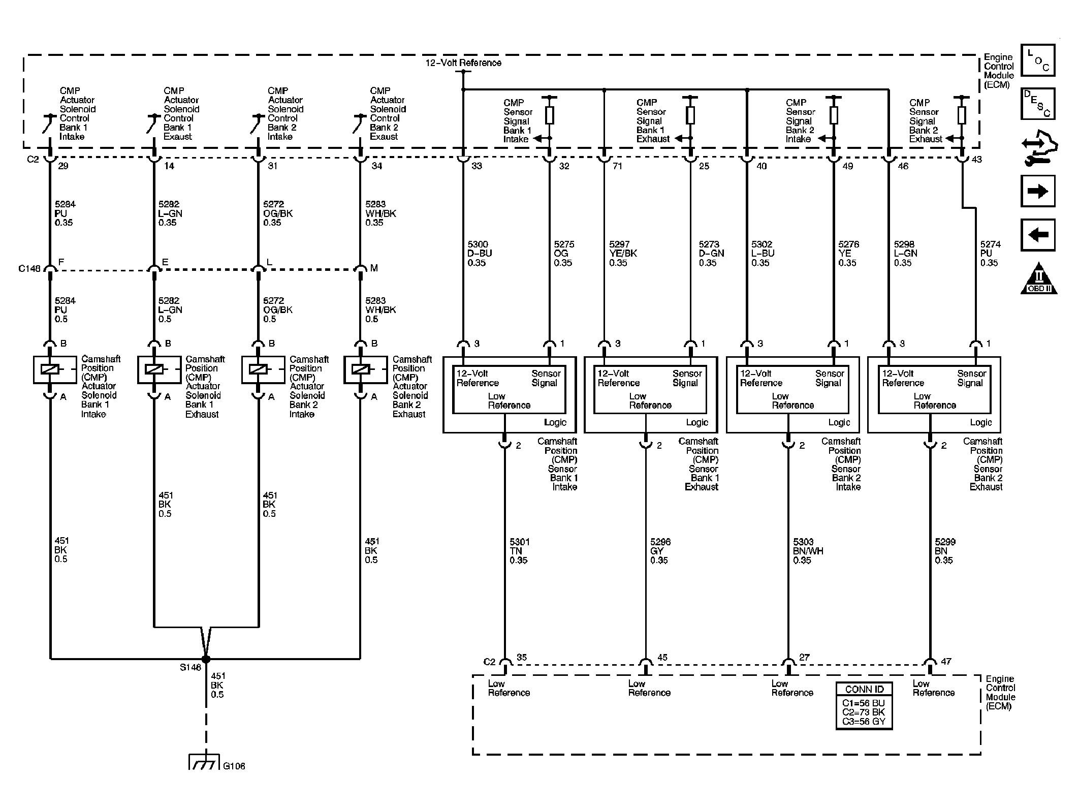
Fig 10: Ignition Controls - CMP Sensors and Solenoids Schematics
GM1480644Courtesy of GENERAL MOTORS CORP.
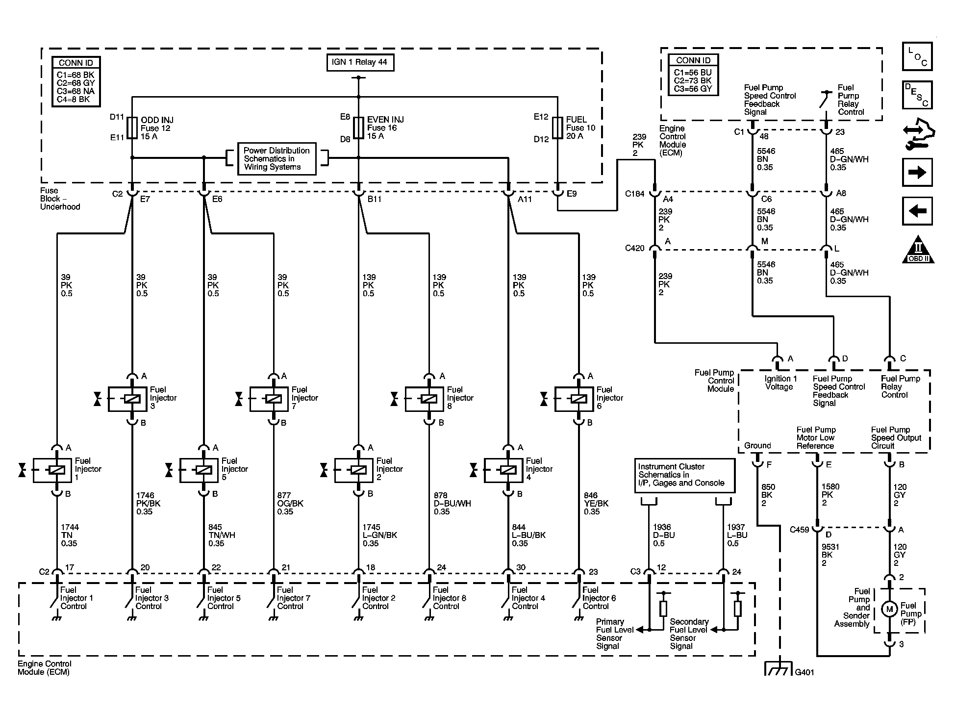
Fig 11: Fuel Controls - Fuel Injectors and Fuel Pump Controls Schematics
GM1480645Courtesy of GENERAL MOTORS CORP.
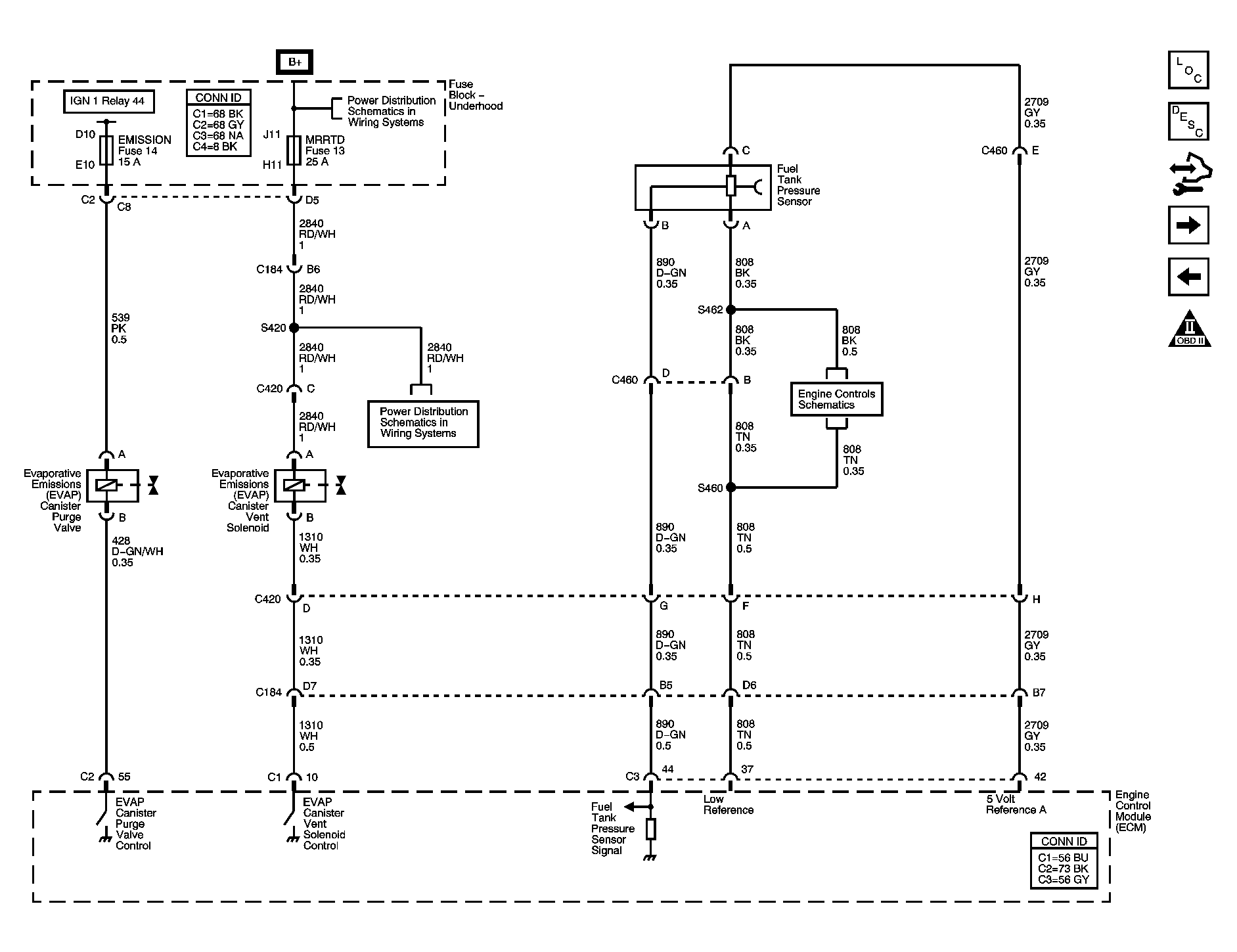
Fig 12: Fuel Controls - EVAP Controls Schematics
GM1480647Courtesy of GENERAL MOTORS CORP.
Fig 13: Controlled/Monitored Subsystem References Schematics
GM1480649Courtesy of GENERAL MOTORS CORP.