LEMON Manuals: Even more car manuals for everyone
Home >> Cadillac >> 2005 >> Escalade EXT >> Repair and Diagnosis (Single Page) >> Body & Frame >> Mirrors >> Door System, Mirror System & Window System >> Schematic and Routing Diagrams >> Door Control Module Schematics

Door Control Module Schematics

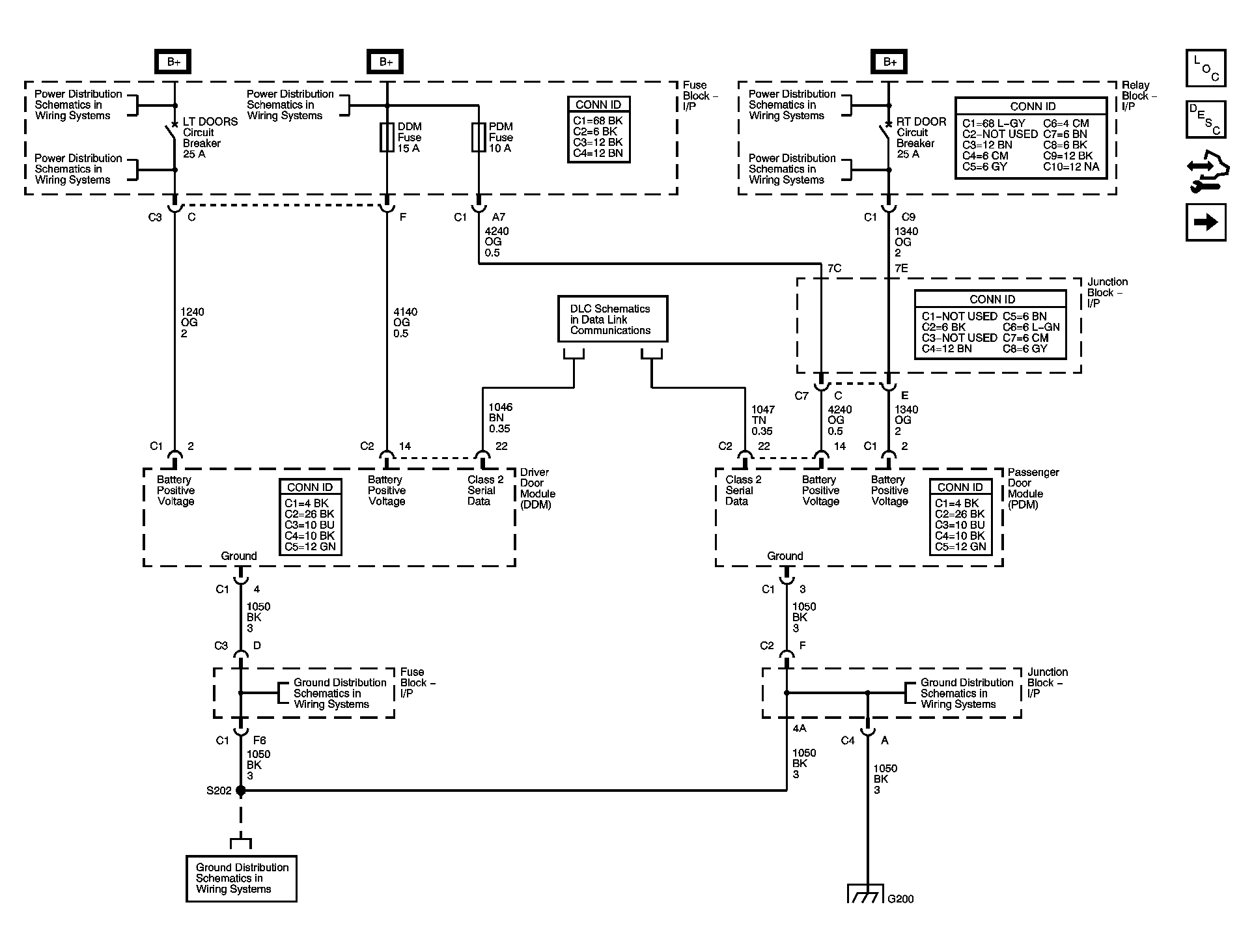
Fig 1: Power, Ground, and Serial Data Schematics
GM1464159Courtesy of GENERAL MOTORS CORP.
Fig 2: Driver Door Module References Schematics 1 of 2
GM1464160Courtesy of GENERAL MOTORS CORP.
Fig 3: Driver Door Module References Schematics 2 of 2
GM1464161Courtesy of GENERAL MOTORS CORP.
Fig 4: Front Passenger Door Module References Schematics 1 of 2
GM1464163Courtesy of GENERAL MOTORS CORP.
Fig 5: Front Passenger Door Module References Schematics 2 of 2
GM1464164Courtesy of GENERAL MOTORS CORP.