LEMON Manuals: Even more car manuals for everyone
Home >> Cadillac >> 2005 >> Escalade EXT >> Repair and Diagnosis (Single Page) >> Accessories & Equipment >> Wiper/Washer Systems >> Wiper System And Washer System >> Schematic and Routing Diagrams >> Wiper/Washer System Schematics

Wiper/Washer System Schematics

Fig 1: Front Wiper/Washer Control Schematics - 1 of 2
GM1464600Courtesy of GENERAL MOTORS CORP.
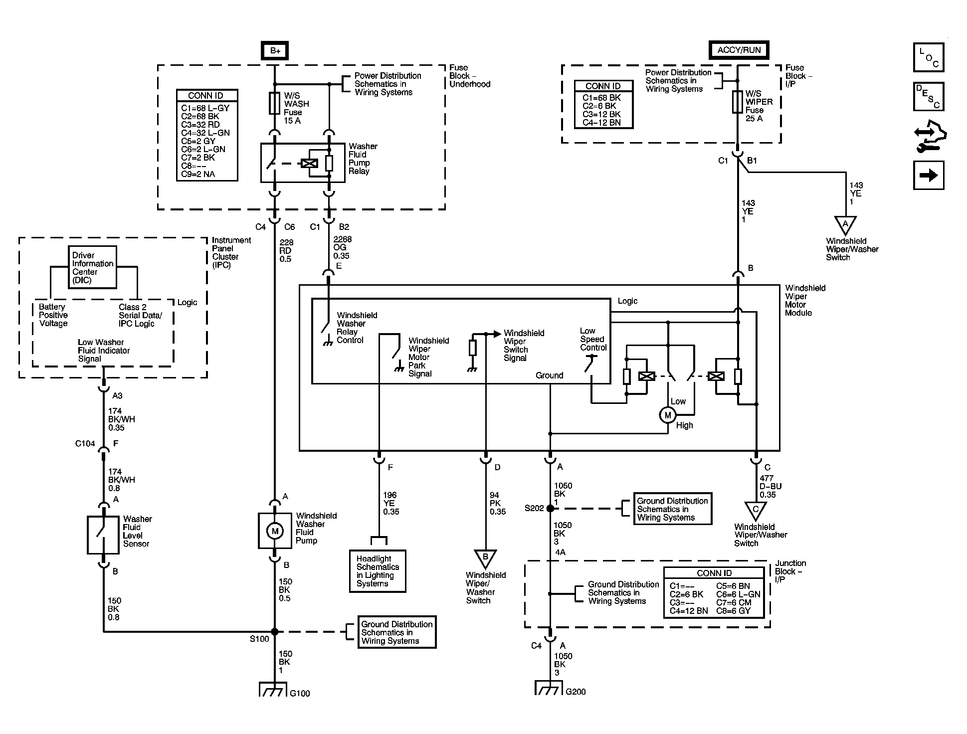
Fig 2: Front Wiper/Washer Control Schematics - 2 of 2
GM1464602Courtesy of GENERAL MOTORS CORP.
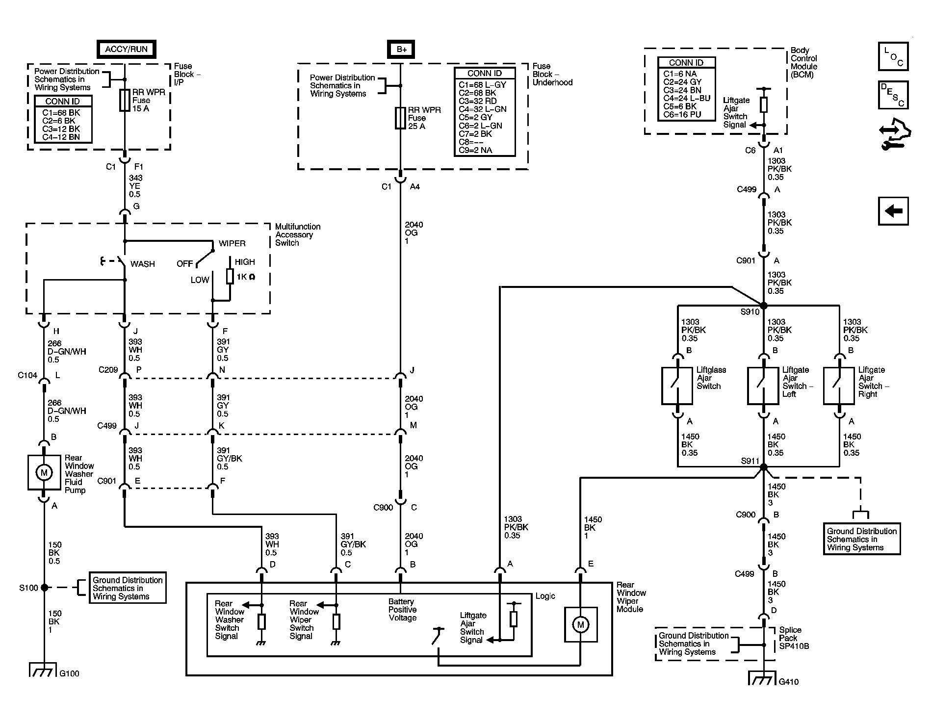
Fig 3: Rear Wiper/Washer Control Schematics
GM1464603Courtesy of GENERAL MOTORS CORP.