LEMON Manuals: Even more car manuals for everyone
Home >> Cadillac >> 2005 >> DeVille Protection Series >> Repair and Diagnosis >> Engine Performance >> System >> Engine Controls - Introduction >> Component Locator >> Engine Controls Component Views

Engine Controls Component Views

Fig 1: MAP, IAC, ECT, TP Sensors Component View
GM602335Courtesy of GENERAL MOTORS CORP.
Callout Component Name
1 Manifold Absolute Pressure (MAP) Sensor
2 Idle Air Control (IAC) Valve
3 Engine Coolant Temperature (ECT) Sensor
4 Throttle Position (TP) Sensor
Fig 2: Rear Of Engine Compartment, On Top Rear Of Engine Component View
GM893836Courtesy of GENERAL MOTORS CORP.
Callout Component Name
1 Secondary Air Injection (AIR) Shut-Off Valve Assembly
Fig 3: Left Front Corner Of Engine Compartment Component View
GM893598Courtesy of GENERAL MOTORS CORP.
Callout Component Name
1 Mass Air Flow (MAF) Sensor
2 Powertrain Control Module (PCM), Under the Air Cleaner Assembly
Fig 4: EVAP Purge Solenoid and EGR Valve Component View
GM602336Courtesy of GENERAL MOTORS CORP.
Callout Component Name
1 Evaporative Emission (EVAP) Purge Solenoid
2 Exhaust Gas Recirculation (EGR) Valve
Fig 5: CKP B, CKP A, Engine Oil Pressure Switch and Engine Oil Level Switch Component Locator
GM602338Courtesy of GENERAL MOTORS CORP.
Callout Component Name
1 Crankshaft Position (CKP) Sensor B
2 Crankshaft Position (CKP) Sensor A
3 Engine Oil Pressure (EOP) Switch
4 Engine Oil Level Switch
Fig 6: Engine Compartment, Top Of Engine Routing View
GM1394556Courtesy of GENERAL MOTORS CORP.
Callout Component Name
1 C139 (C140 Similar)
2 Ignition Coil/Module 8 (7 similar)
3 Ignition Coil/Module 6 (5 similar)
4 Ignition Coil/Module 4 (3 similar)
5 Ignition Coil/Module 2 (1 similar)
Fig 7: CMP, VSS, and HO2S Bank 1 Sensor 1 Component View
GM602339Courtesy of GENERAL MOTORS CORP.
Callout Component Name
1 Camshaft Position (CMP) Sensor
2 Vehicle Speed Sensor (VSS)
3 Heated Oxygen Sensor (HO2S) Bank 1 Sensor 1
Fig 8: HO2S Bank 1 Sensor 2 Component View (Post HO2)
GM1436994Courtesy of GENERAL MOTORS CORP.
Callout Component Name
1 HO2S Bank 1 Sensor 2 (Post HO2)
Fig 9: HO2S Bank 2 Sensor 1 Component View (Front HO2)
GM1437000Courtesy of GENERAL MOTORS CORP.
Callout Component Name
1 HO2S Bank 2 Sensor 1 (Front HO2)
Fig 10: Knock Sensors Component View
GM1436991Courtesy of GENERAL MOTORS CORP.
Callout Component Name
1 Knock Sensor 1 (Knock Sensor 2 Similar)
Fig 11: View Of Secondary AIR Relay & Bracket
GM736519Courtesy of GENERAL MOTORS CORP.
Callout Component Name
1 Secondary Air Injection (AIR) Pump Relay
2 Coolant Level Switch (in Coolant Surge Tank)
Fig 12: Secondary Air Injection (AIR) Pump Component View
GM833366Courtesy of GENERAL MOTORS CORP.
Callout Component Name
1 Secondary Air Injection (AIR) Pump
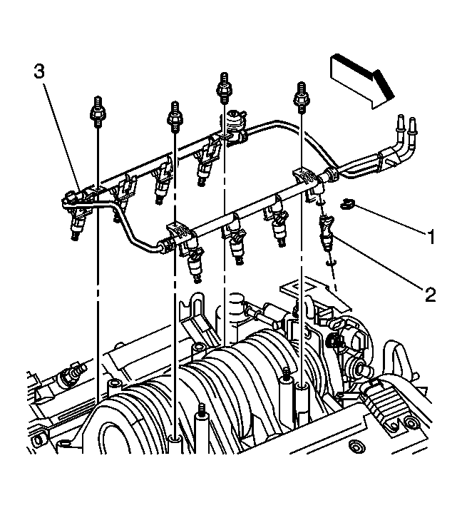
Fig 13: Fuel Rail Assembly Component View
GM597227Courtesy of GENERAL MOTORS CORP.
Callout Component Name
1 Fuel Injector Retaining Clip
2 Fuel Injector
3 Fuel Rail Assembly
Fig 14: EVAP Vent Solenoid Component View
GM342059Courtesy of GENERAL MOTORS CORP.
Callout Component Name
1 Retainer
2 Fresh Air Line
3 Bolt
4 Evaporative Emission (EVAP) Canister Vent Solenoid
5 Evaporative Emission (EVAP) Canister Vent Solenoid Electrical Connector
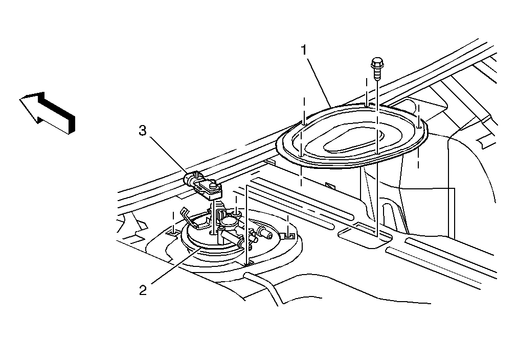
Fig 15: Fuel Tank Pressure Sensor Component View
GM342178Courtesy of GENERAL MOTORS CORP.
Callout Component Name
1 Fuel Sender Access Panel
2 Fuel Pump and Sender Assembly
3 Fuel Tank Pressure (FTP) Sensor