LEMON Manuals: Even more car manuals for everyone
Home >> Cadillac >> 2004 >> Escalade EXT >> Repair and Diagnosis (Single Page) >> Brakes >> Antilock Brake System, Traction Control System & Stability Control System >> Repair Instructions >> Electronic Brake Control Module Replacement (w/ JL4) >> Installation Procedure

Installation Procedure

    IMPORTANT:
    • Do not reuse the old mounting screws. Always install new mounting screws with the new EBCM.
    • Do not use RTV or any other type of sealant on the EBCM gasket or mating surfaces.
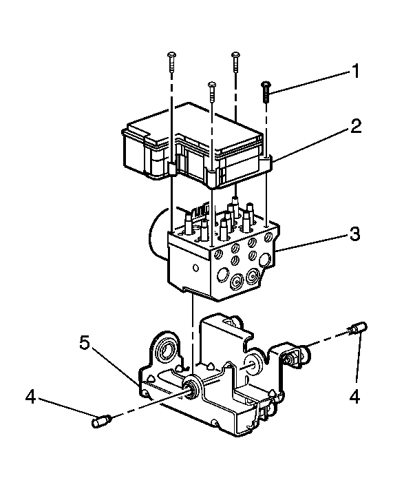
  1. Install the EBCM to the BPMV.
  2. Fig 1: Removing/Installing EBCM (w/ JL4)
    GM925878Courtesy of GENERAL MOTORS CORP.
    NOTE: Refer to Fastener Notice in Cautions and Notices.
  3. Install the new EBCM screws (1).

    Tighten:  Tighten the screws to 5 N.m (39 lb in) in an X-pattern.

  4. Fig 2: Exploded View Of EBCM & BPMV Components (w/ JL4)
    GM925574Courtesy of GENERAL MOTORS CORP.
  5. Lower the vehicle.
  6. Connect the negative battery cable. Refer to Battery Negative Cable Disconnect/Connect Procedure .
  7. Revise the tire calibration using the Scan Tool Tire Size Calibration function.
  8. Return to Diagnostic Starting Point - Antilock Brake System .