LEMON Manuals: Even more car manuals for everyone
Home >> Cadillac >> 2004 >> Escalade EXT >> Repair and Diagnosis (Single Page) >> Body & Frame >> Windows >> Door System, Mirror System & Window System >> Component Locator >> Power Door Systems Component Views

Power Door Systems Component Views

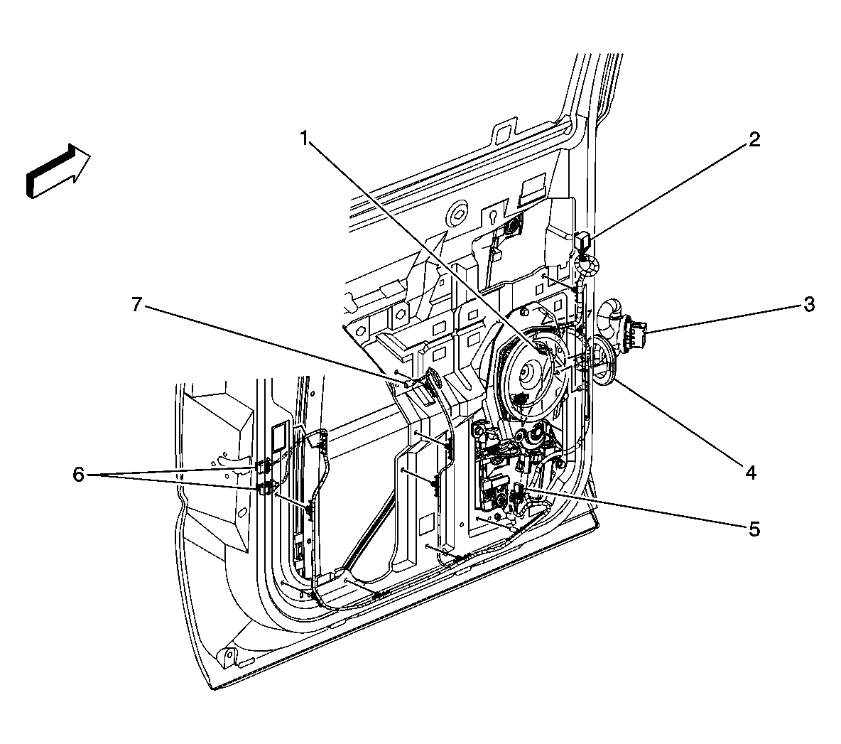
Fig 1: Driver Door Component View
GM903357Courtesy of GENERAL MOTORS CORP.
Callout Component Name
1 Driver Door
2 Driver Door Module (DDM)
3 Outside Rearview Mirror - Driver
4 Window Motor - Driver
5 Memory/Heated Seat Switch Connector
6 Door Courtesy Lamp - Left Front
7 Driver Door Panel
8 Memory/Heated Seat Switch
9 Mini Wedge (Door Jamb Switch) - Driver
Fig 2: Front Passenger Door Component View
GM903348Courtesy of GENERAL MOTORS CORP.
Callout Component Name
1 Front Passenger Door Module (FPDM)
2 Front Passenger Door
3 Mini Wedge (Door Jamb Switch) - Front Passenger
4 Heated Seat Switch - Front Passenger
5 Heated Seat Switch Connector
6 Window Motor - Front Passenger
7 Outside Rearview Mirror - Front Passenger
Fig 3: LR Passenger Side Door Component View
GM903362Courtesy of GENERAL MOTORS CORP.
Callout Component Name
1 Speaker - LR Door
2 Window Switch Connector - LR
3 C310
4 P700
5 Window Motor - LR
6 Mini Wedge (Door Jamb Switch) Connectors - LR
7 Door Courtesy Lamp Connector - LR
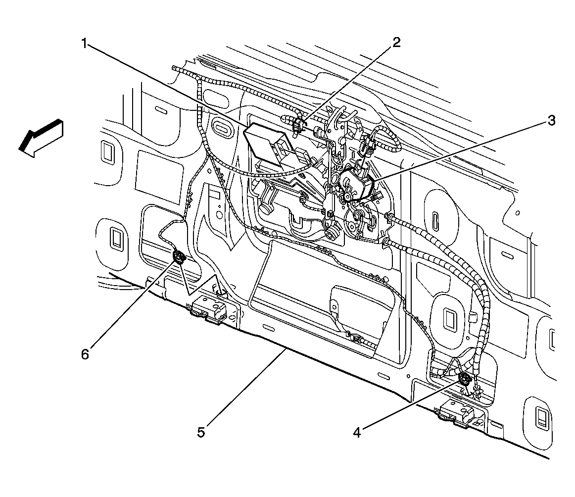
Fig 4: Liftgate Component View (E52)
GM1113966Courtesy of GENERAL MOTORS CORP.
Callout Component Name
1 Rear Window Wiper Module
2 Liftglass Ajar Switch
3 Door Lock Actuator - Liftgate
4 Liftgate Ajar Switch - Left Connector
5 Liftgate
6 Liftgate Ajar Switch - Right Connector
Fig 5: Liftgate Lock Relay Component View
GM1408066Courtesy of GENERAL MOTORS CORP.
Callout Component Name
1 Liftgate Lock Relay
2 Passenger B-Pillar
Fig 6: RR Passenger Side Door Component View
GM903376Courtesy of GENERAL MOTORS CORP.
Callout Component Name
1 Window Switch Connector - RR
2 Speaker - RR Door
3 Door Courtesy Lamp Connector - RR
4 Mini Wedge (Door Jamb Switch) Connectors - RR
5 Window Motor - RR
6 P800
7 C396
Fig 7: RR Cargo Door Components View (Utility)
GM573904Courtesy of GENERAL MOTORS CORP.
Callout Component Name
1 Rear Defog Connector
2 Rear Door Upper Latch
3 Rear Door Lock Cylinder Connector
4 Rear Door Lock Actuator Connector
5 Rear Door Inner Panel
Fig 8: Power Folding Mirror Switch Component View
GM781905Courtesy of GENERAL MOTORS CORP.
Callout Component Name
1 Power Folding Mirror Switch
2 Dimmer Switch
3 Headlamp Switch
4 Dome Lamp Defeat Switch