LEMON Manuals: Even more car manuals for everyone
Home >> Cadillac >> 2004 >> DeVille Protection Series >> Repair and Diagnosis >> Transmission >> Automatic Trans >> Shift Lock Control System >> Schematic and Routing Diagrams >> Automatic Transmission Shift Lock Control Schematics

Automatic Transmission Shift Lock Control Schematics

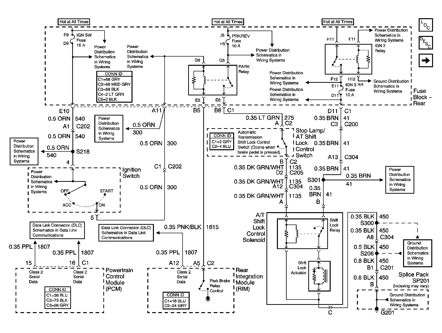
Fig 1: Console Shift Schematic
GM1232517Courtesy of GENERAL MOTORS CORP.
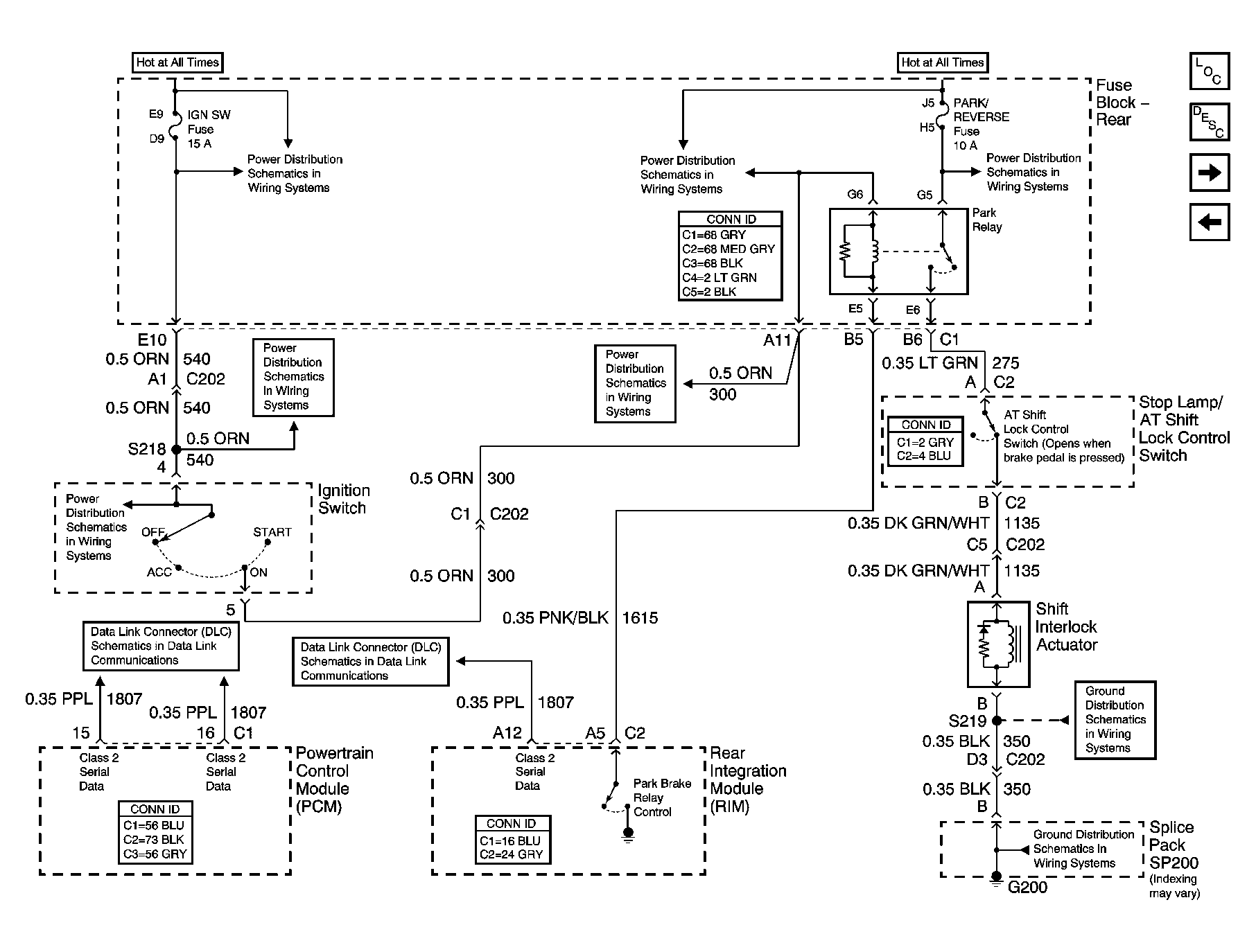
Fig 2: Column Shift Schematic
GM1232518Courtesy of GENERAL MOTORS CORP.
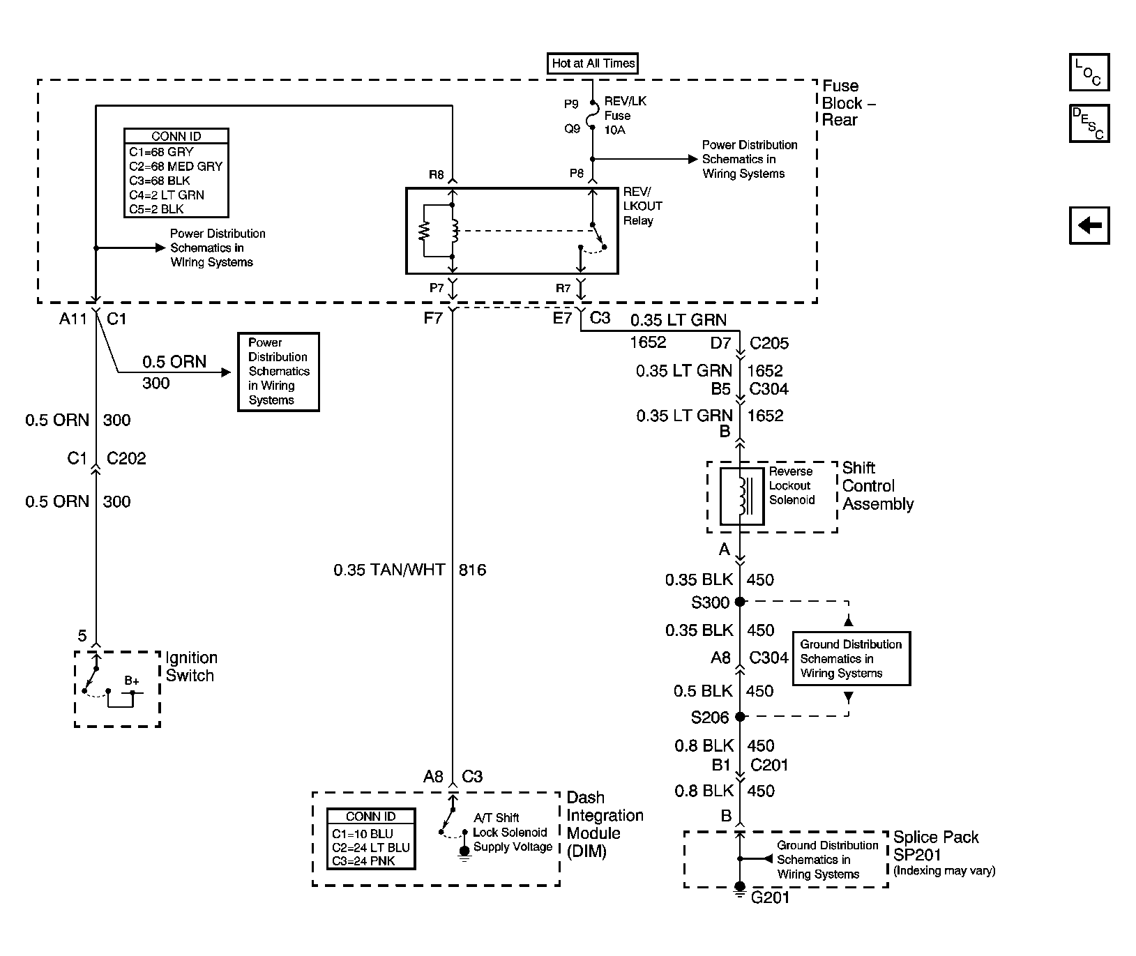
Fig 3: Reverse Lockout Control Schematic (w/D55)
GM1232519Courtesy of GENERAL MOTORS CORP.