LEMON Manuals: Even more car manuals for everyone
Home >> Cadillac >> 2003 >> Escalade EXT >> Repair and Diagnosis >> External Pages >> Different car >> Section 633 (Antilock Brake System, Traction Control System & Stability Control System) >> Schematic and Routing Diagrams >> ABS Schematics

ABS Schematics

WARNING: This page is about a different car, the 2004 Cadillac CTS. However, it is still accessible from the selected car via links, so may be relevant.
Fig 1: Power, Ground, Serial Data and DIC
GM1310245Courtesy of GENERAL MOTORS CORP.
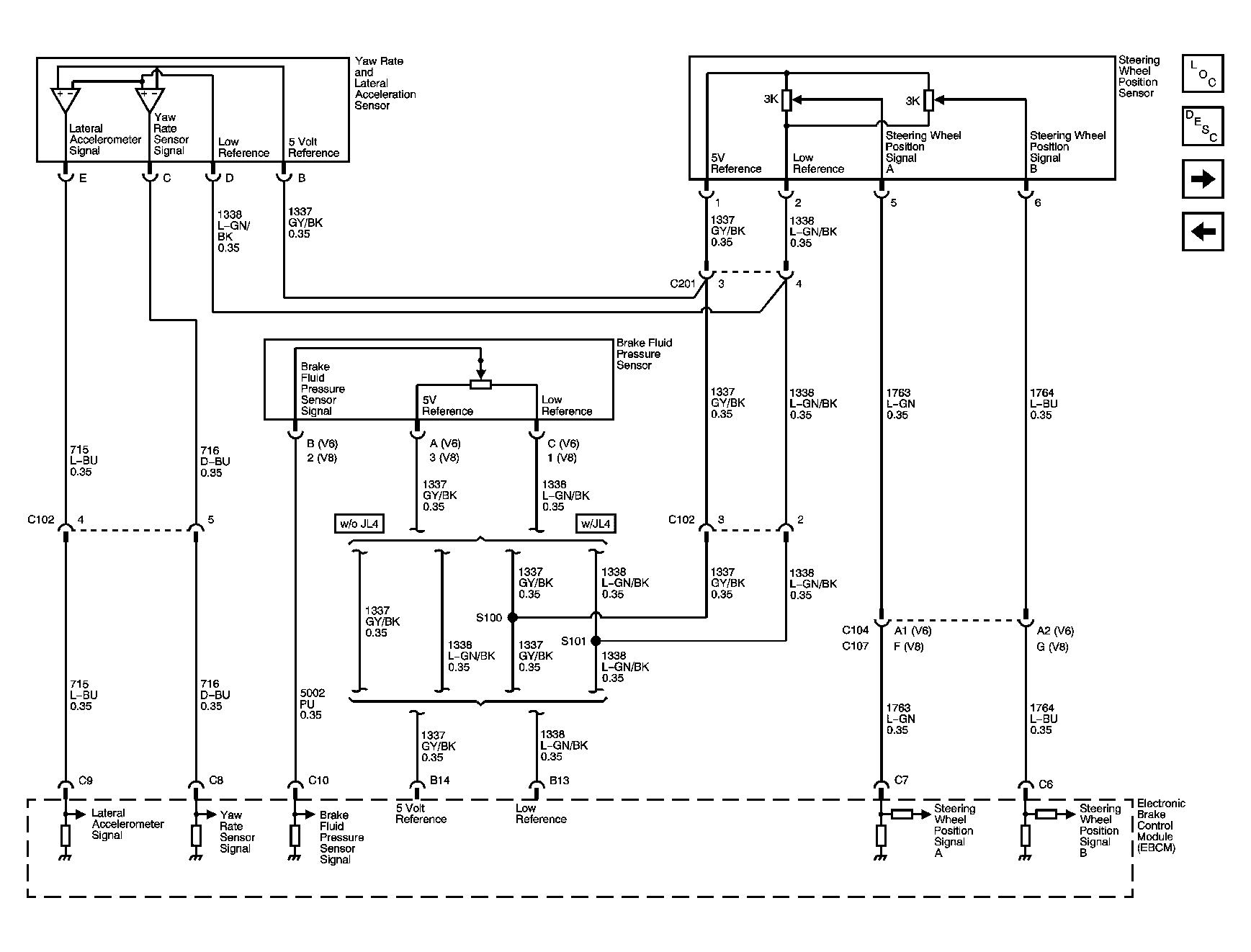
Fig 2: Vehicle Stability Enhancement System (JL4)
GM1310247Courtesy of GENERAL MOTORS CORP.
Fig 3: BPP Sensor, Switches and Indicators - 2.6L/3.2L/3.6L (LY9/LA3/LY7)
GM1310248Courtesy of GENERAL MOTORS CORP.
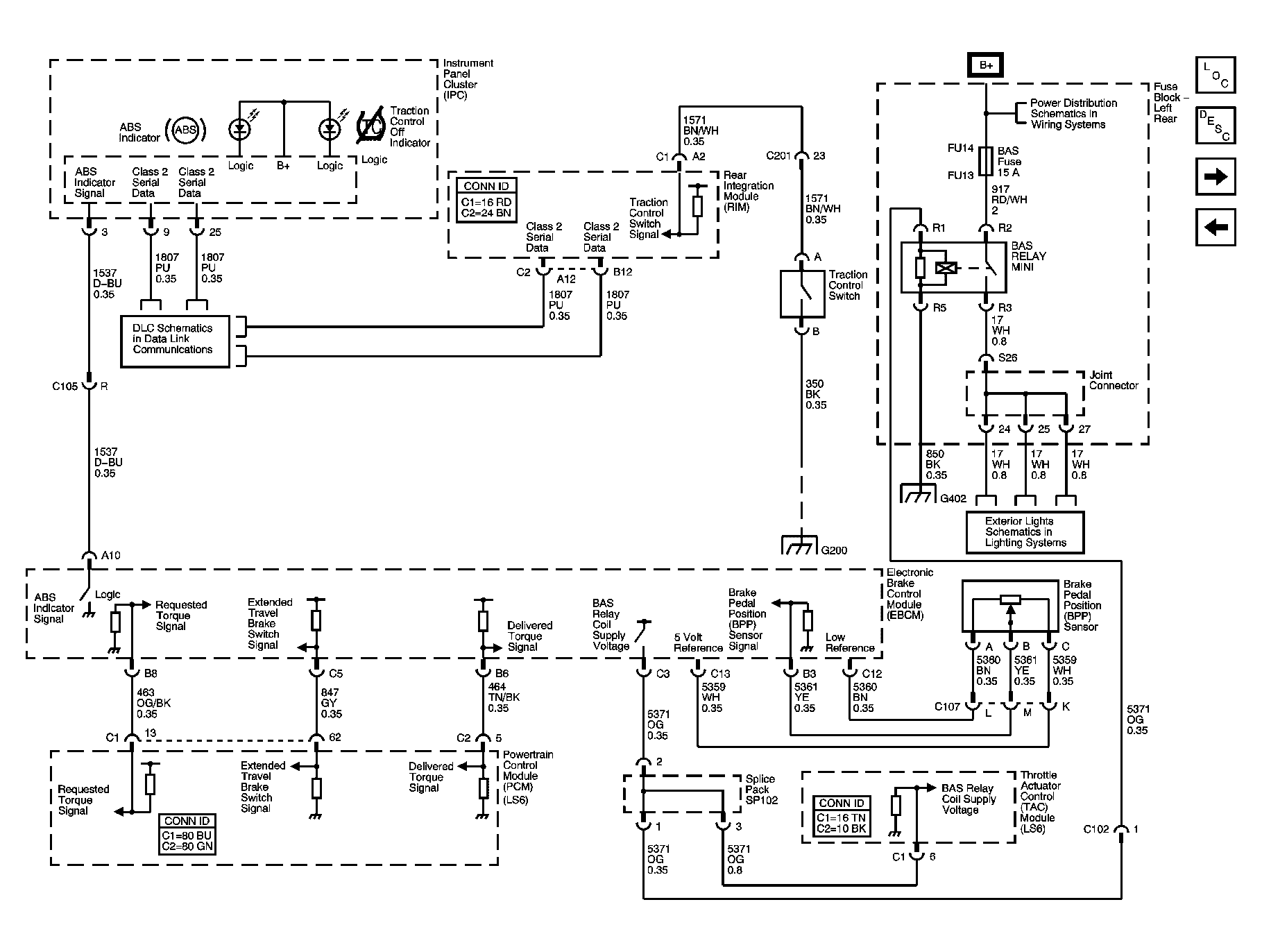
Fig 4: BPP Sensor, Switches and Indicators - 5.7L (LS6)
GM1346962Courtesy of GENERAL MOTORS CORP.
Fig 5: Wheel Speed Sensors and Variable Effort Steering Actuator
GM1310251Courtesy of GENERAL MOTORS CORP.