LEMON Manuals: Even more car manuals for everyone
Home >> Cadillac >> 2003 >> Escalade EXT >> Repair and Diagnosis (Single Page) >> Accessories & Equipment >> Infotainment >> Cellular Communication System >> Repair Instructions >> Communication Interface Module Replacement >> Installation Procedure

Installation Procedure

  1. If replacing the VCIM, record the 10-digit STID number, and the 11-digit ESN number from the labels on the new module.
  2. Ensure the nuts (3) are installed on the module mounting brackets (3).
  3. Fig 1: Installing Mounting Brackets To VCIM
    G01457963Courtesy of GENERAL MOTORS CORP.
  4. Install the mounting brackets (2) to the VCIM (1).
  5. Install the nuts (4).
    NOTE: Use the correct fastener in the correct location. Replacement fasteners must be the correct part number for that application. Fasteners requiring replacement or fasteners requiring the use of thread locking compound or sealant are identified in the service procedure. Do not use paints, lubricants, or corrosion inhibitors on fasteners or fastener joint surfaces unless specified. These coatings affect fastener torque and joint clamping force and may damage the fastener. Use the correct tightening sequence and specifications when installing fasteners in order to avoid damage to parts and systems.

    Tighten 

    1. Tighten the nuts to 2 N.m (18 lb in).
  6. Install the VCIM and bracket assembly to the I/P.
  7. Fig 2: Installing VCIM And Bracket Assembly To I/P
    G01457964Courtesy of GENERAL MOTORS CORP.
  8. Install the push in retainer.
  9. Install the VCIM screw (1) to the I/P.

    Tighten 

    1. Tighten the screws to 2 N.m (18 lb in).
  10. Fig 3: Installing VCIM Screw To I/P
    G01457965Courtesy of GENERAL MOTORS CORP.
  11. Install the passenger side upper I/P bracket (2).
  12. Install the I/P upper bracket screws (3).

    Tighten 

    1. Tighten the screws (3) to 2 N.m (18 lb in).
  13. Fig 4: Installing Passenger Side Upper I/P Bracket
    G01457966Courtesy of GENERAL MOTORS CORP.
  14. Install the I/P upper bracket screws (1).

    Tighten 

    1. Tighten the screws (1) to 50 N.m (37 lb ft).
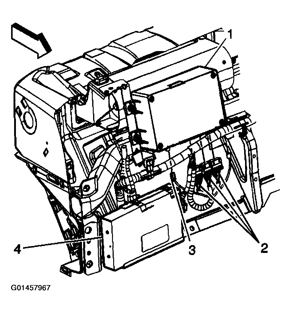
  15. Connect the coaxial cable (3) to the VCIM.
  16. Fig 5: Connecting Coaxial Cable To VCIM
    G01457967Courtesy of GENERAL MOTORS CORP.
  17. Connect the electrical connectors (2) to the VCIM.
  18. Install the I/P trim panel. Refer to TRIM PANEL REPLACEMENT - INSTRUMENT PANEL (I/P) UPPER in Instrument Panel, Gages and Console.

    Important:  After replacing the vehicle communication interface module, you must reconfigure the OnStar® system. Failure to reconfigure the system will result in an additional customer visit for repair. In addition, pressing and holding the white dot button on the keypad will NOT reset this version of the OnStar® system. This action will cause a DTC to set.

  19. Install the scan tool. Use the special functions menu in order to perform the OnStar® setup procedure for this vehicle.
  20. Move the vehicle to an open area that is away from tall buildings and with a clear view of unobstructed sky. Allow the vehicle to run for 10 minutes.
  21. Use the ID information menu on the scan tool to access the new station ID (STID) and the electronic serial number (ESN) from the new VCIM.
  22. Press the blue OnStar® button to connect to the OnStar® Call Center and perform the following procedure:
    1. 17.1. Tell the advisor that this vehicle has received a new VCIM.
    2. 17.2. Ask the advisor to add the new STID and the ESN to update the customer's account.
    3. 17.3. Follow any additional instructions from the OnStar® advisor.
    4. 17.4. Ask the advisor to activate the OnStar® Personal Calling feature, if available.
  23. The default language for voice recognition in the generation 5 OnStar® module is English.