LEMON Manuals: Even more car manuals for everyone
Home >> Cadillac >> 2003 >> CTS Automatic >> Repair and Diagnosis >> Transmission >> Automatic Trans >> Shift Lock Control System >> Schematic and Routing Diagrams >> Automatic Transmission Shift Lock Control Schematics

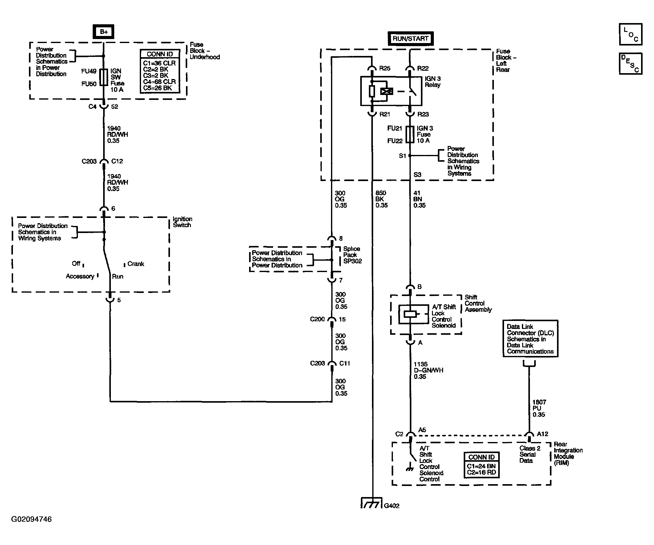
Automatic Transmission Shift Lock Control Schematics

Fig 1: Automatic Transmission Shift Lock Control Schematics Diagram
G02094746Courtesy of GENERAL MOTORS CORP.