LEMON Manuals: Even more car manuals for everyone
Home >> Cadillac >> 1993 >> Allante >> Repair and Diagnosis >> Body & Frame >> Body, Cab Control Systems >> Body Computer Module >> Diagnostic Tests >> DTC B337: Loss Of HVAC Programmer Data >> Test Description

Test Description

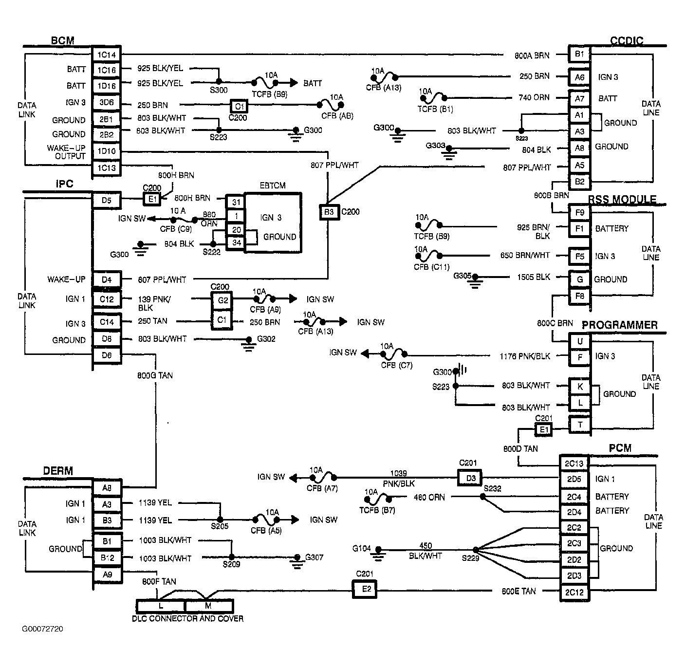
NOTE: Numbers in list refer to circled numbers in diagnostic flow chart, see Fig 1 . For circuit identification, see Figure .
  1. If multiple codes are present, a data line fault is indicated and should be diagnosed using the preceding MULTIPLE INTERMITTENT CODES  chart.
  2. This step determines if the fault is due to the power or ground circuits or the data line.
  3. This step checks if the data line fault is in CKT 800 or at the programmer.
  4. This step checks for ignition 3 to the programmer.
Fig 1: DTC B337: Loss Of HVAC Programmer Data Diagnostic Flow Chart
G00133561Courtesy of GENERAL MOTORS CORP.