LEMON Manuals: Even more car manuals for everyone
Home >> Cadillac >> 1993 >> Allante >> Repair and Diagnosis >> Body & Frame >> Body, Cab Control Systems >> Body Computer Module >> Diagnostic Tests >> DTC B332: Loss Of Abs/TCS Data >> Test Description

Test Description

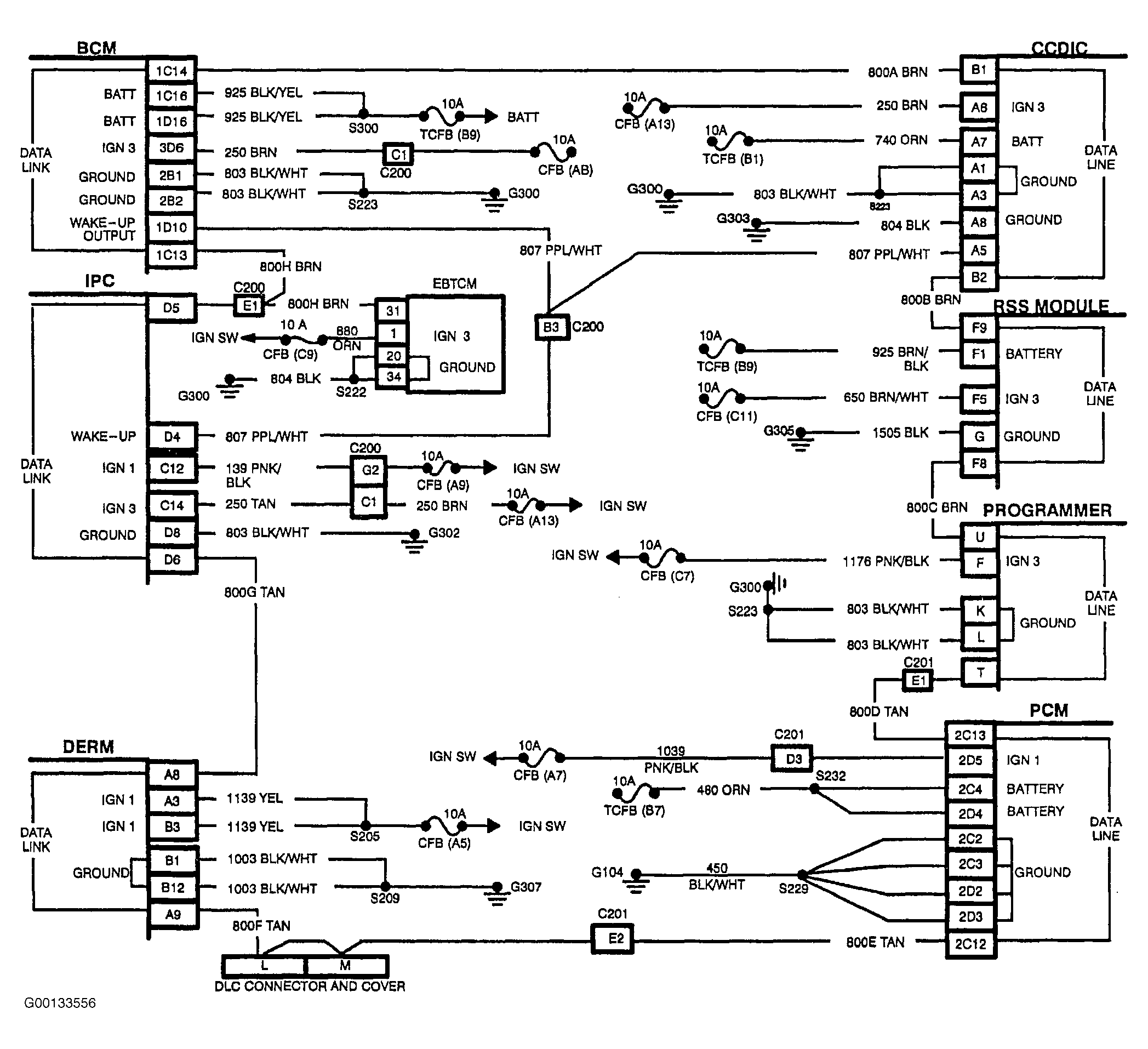
NOTE: Numbers in list refer to circled numbers in diagnostic flow chart, see Fig 1 . For circuit identification, see Figure .
  1. If multiple codes are present, a data line fault is indicated and should be diagnosed using the preceding multiple communication code chart.
  2. This step checks for an open on the 800 circuit to the EBTCM. Normal voltage should be fluctuating between 0.1 and 5 volts.
  3. If the fault is not the 800 circuit, the problem is due to a power or ground failure in the EBTCM or a faulty EBTCM.
Fig 1: DTC B332: Loss Of ABS/TCS Data Diagnostic Flow Chart
G00133558Courtesy of GENERAL MOTORS CORP.