LEMON Manuals: Even more car manuals for everyone
Home >> Cadillac >> 1992 >> Seville Base >> Repair and Diagnosis >> Engine Performance >> System >> Engine Controls - Tests W/Codes >> Pcm Code Charts >> Pcm Code E037, Shorted Mat Sensor Circuit >> Note On Intermittents

Note On Intermittents

Manipulate circuit No. 472 wiring, MAT sensor and PCM connector while observing PCM parameter ED05. If failure is induced, manifold air temperature will jump from its normal value to shorted reading of 142-151°C. If wiring and connectors are okay, substitute a known good sensor, and retest.

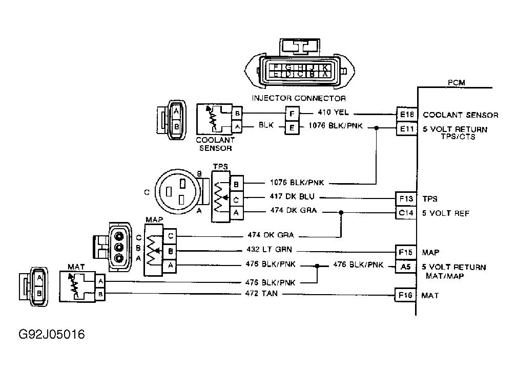
Fig 1: PCM Code E037, Schematic, Shorted MAT Sensor Circuit
G92J05016Courtesy of GENERAL MOTORS CORP.
Fig 2: PCM Code E037, Flow Chart, Shorted MAT Sensor Circuit
G92D05037Courtesy of GENERAL MOTORS CORP.
Fig 3: PCM Code E037
GB0011190