LEMON Manuals: Even more car manuals for everyone
Home >> Buick >> 2020 >> Envision Base >> Repair and Diagnosis >> External Pages >> Different car >> Section 102 (Cellular System, Entertainment System, And Navigation System - Schematic Wiring Diagrams) >> Schematic Wiring Diagrams >> Radio/Navigation System Wiring Schematics (IO5/IO6) >> Auxiliary Inputs (MCY)

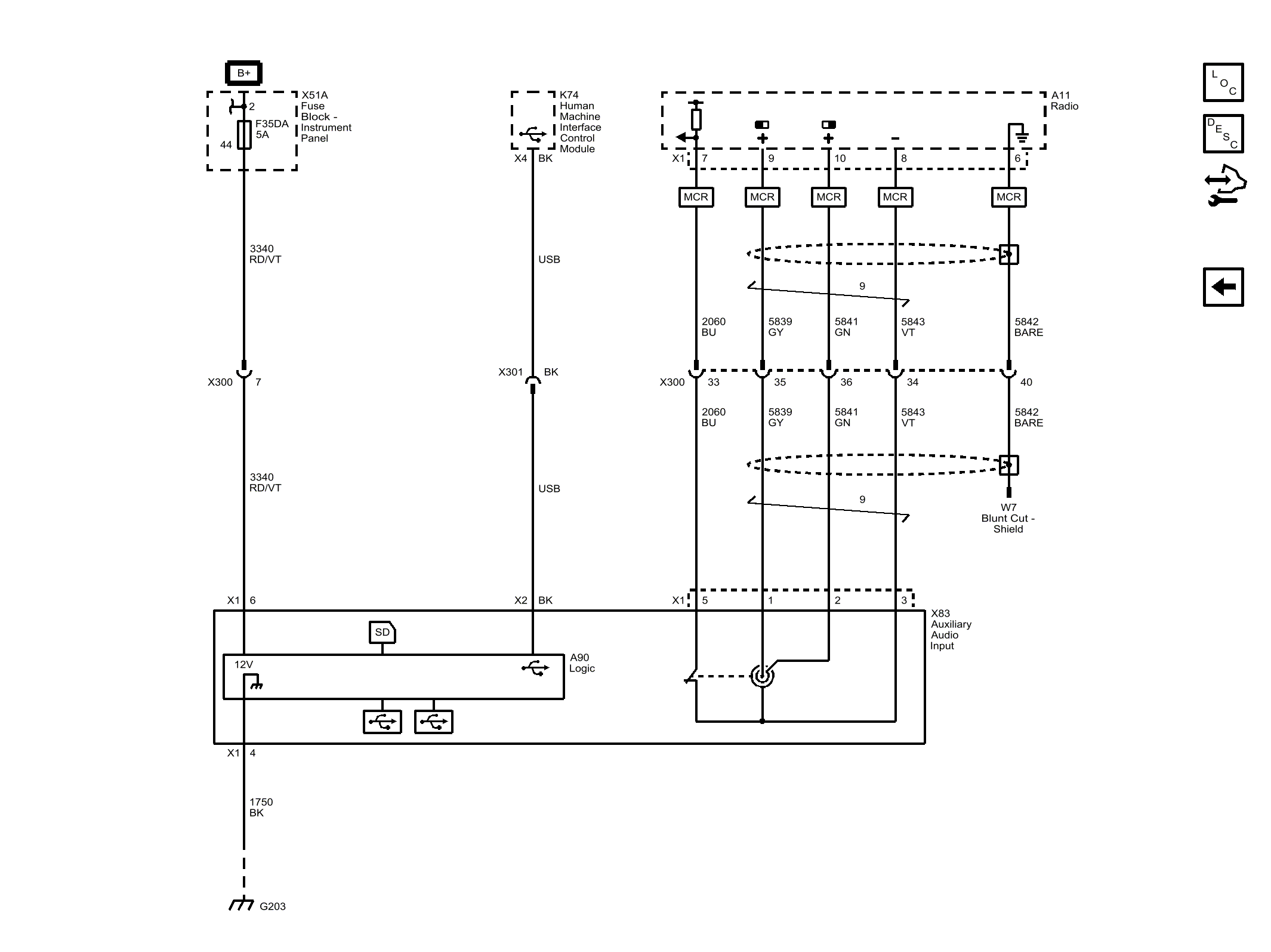
Auxiliary Inputs (MCY)

WARNING: This page is about a different car, the 2018 Buick Regal TourX and 2018 Buick Regal. However, it is still accessible from the selected car via links, so may be relevant.
GM4776001