LEMON Manuals: Even more car manuals for everyone
Home >> Buick >> 2020 >> Envision Base >> Repair and Diagnosis (Single Page) >> Accessories & Equipment >> Entertainment Systems >> Cellular, Entertainment, And Navigation System >> Schematic Wiring Diagrams >> Radio/Navigation System Wiring Schematics >> Infotainment Faceplate Control Module

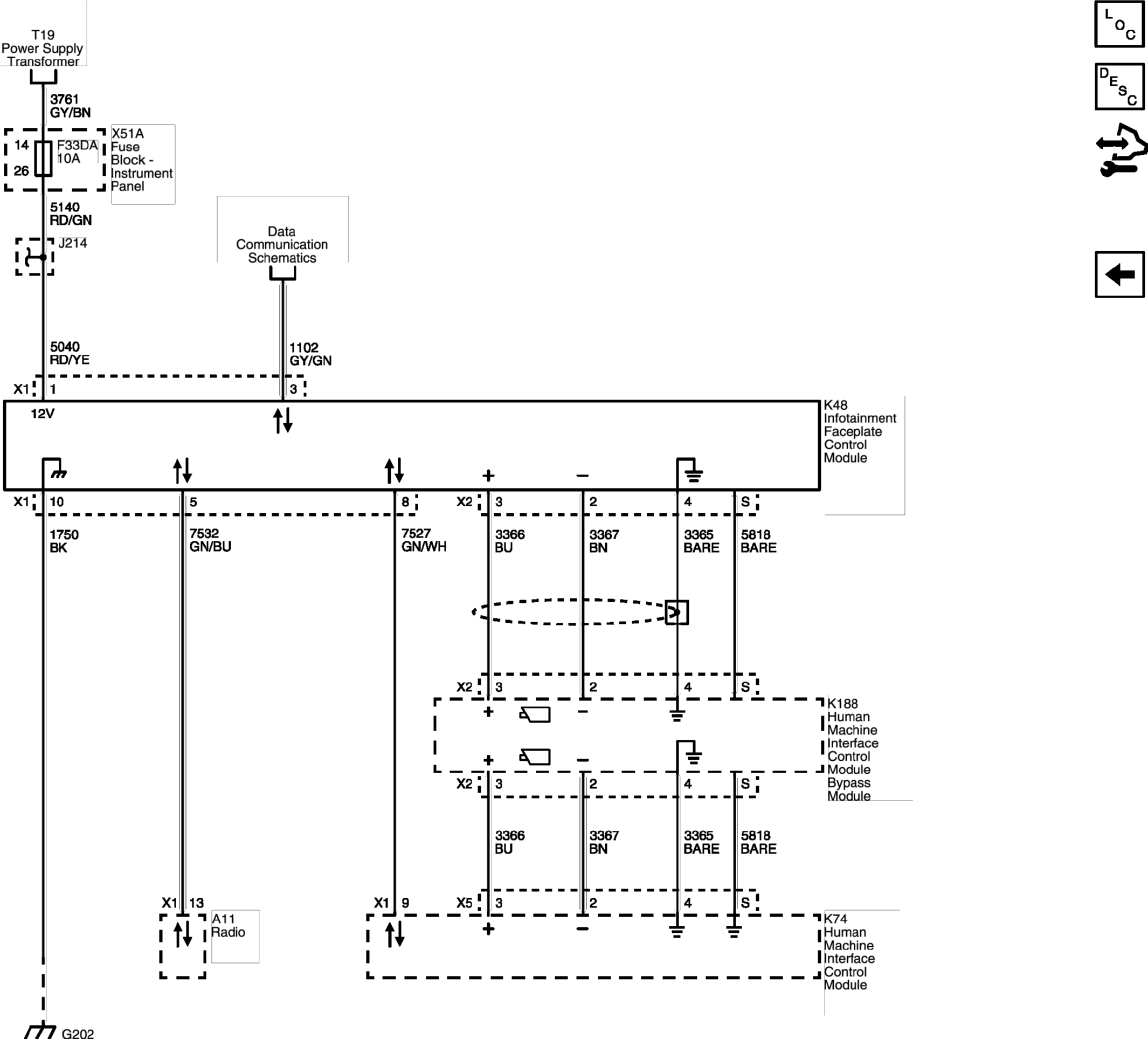
Infotainment Faceplate Control Module

GM5156234Courtesy of GENERAL MOTORS COMPANY