LEMON Manuals: Even more car manuals for everyone
Home >> Buick >> 2020 >> Envision Base >> Repair and Diagnosis (Single Page) >> Accessories & Equipment >> Entertainment Systems >> Cellular, Entertainment, And Navigation System >> Schematic Wiring Diagrams >> Radio/Navigation System Wiring Schematics >> Human Machine Interface Control Module - Power, Ground, Serial Data, and Functions

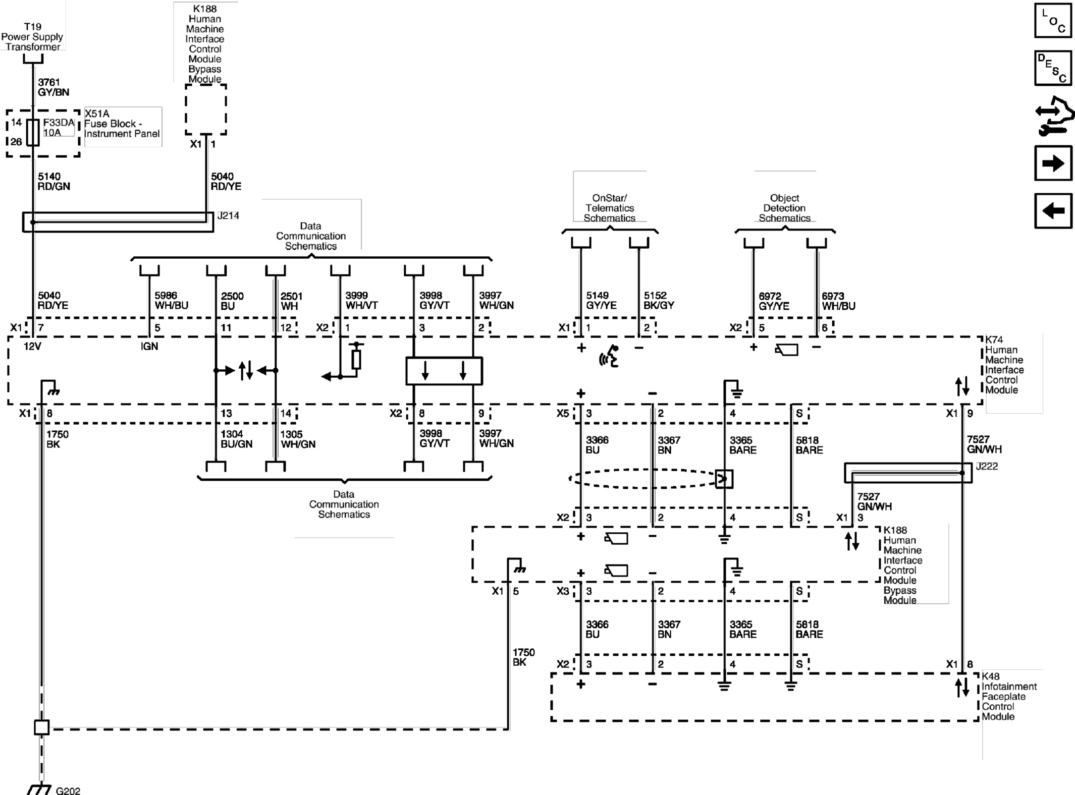
Human Machine Interface Control Module - Power, Ground, Serial Data, and Functions

GM5156232Courtesy of GENERAL MOTORS COMPANY