LEMON Manuals: Even more car manuals for everyone
Home >> Buick >> 2020 >> Envision Base >> Repair and Diagnosis (Single Page) >> Accessories & Equipment >> Entertainment Systems >> Cellular, Entertainment, And Navigation System >> Schematic Wiring Diagrams >> OnStar/Telematics Wiring Schematics >> Telematics Communication Interface Control Module

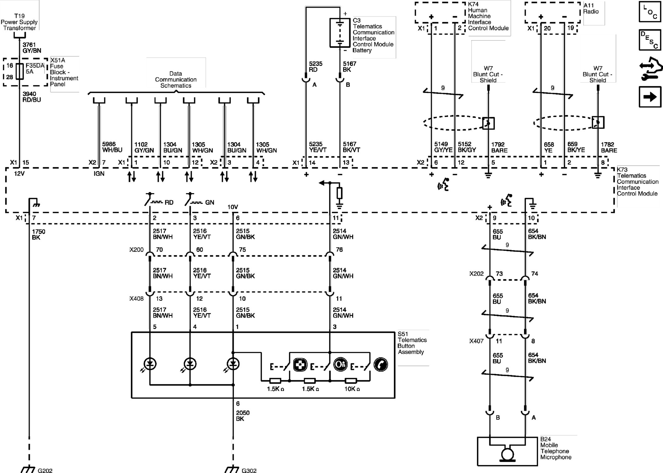
Telematics Communication Interface Control Module

GM5156235Courtesy of GENERAL MOTORS COMPANY