LEMON Manuals: Even more car manuals for everyone
Home >> Buick >> 2020 >> Encore Base >> Repair and Diagnosis (Single Page) >> Accessories & Equipment >> Infotainment >> Cellular, Entertainment, And Navigation System >> Schematic Wiring Diagrams >> Radio/Navigation System Wiring Schematics (Buick) >> Power, Ground, Serial Data, Info Display, Human Machine Interface Module Bypass Module, and Human Machine Interface Module (Buick)

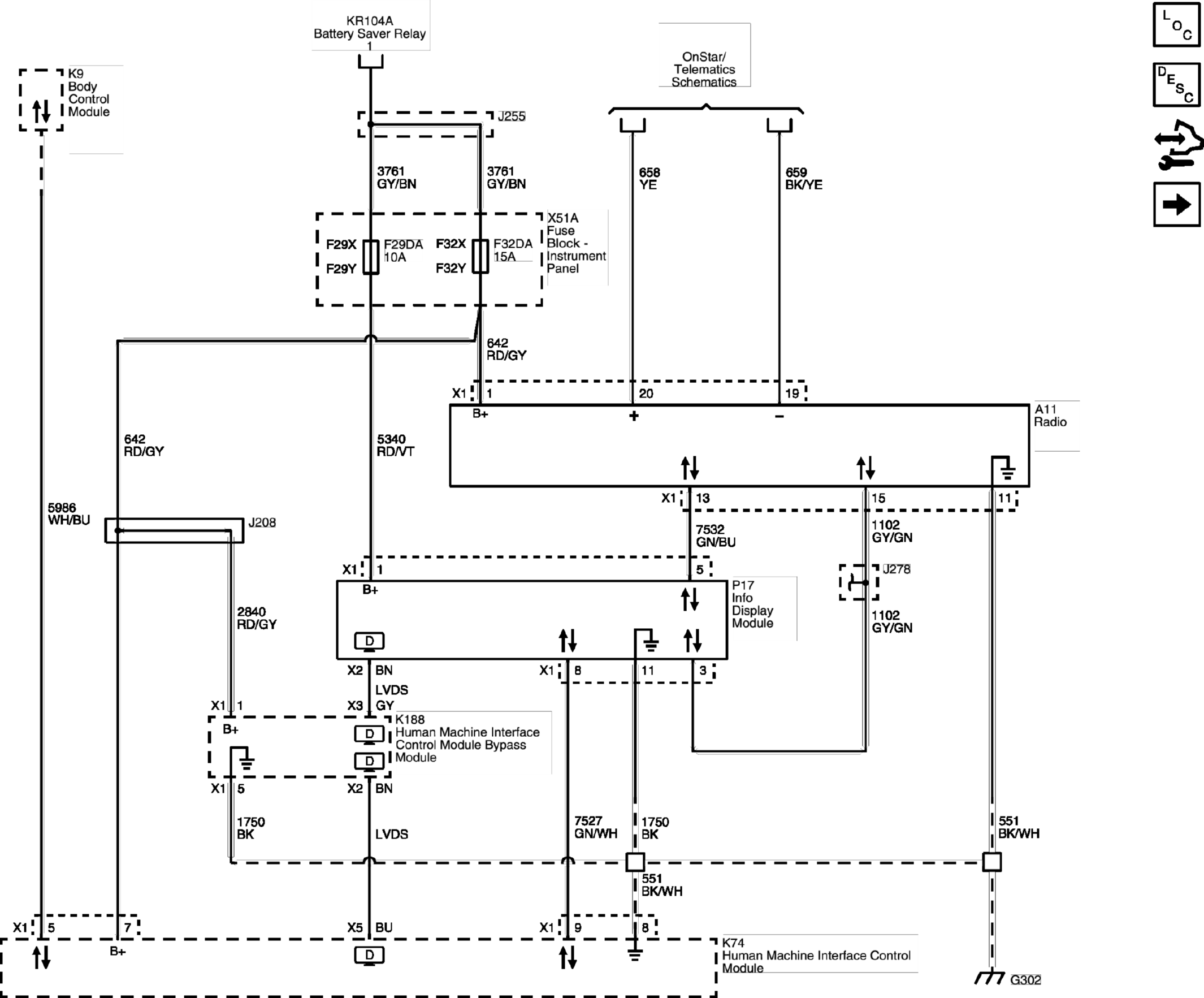
Power, Ground, Serial Data, Info Display, Human Machine Interface Module Bypass Module, and Human Machine Interface Module (Buick)

GM5282403Courtesy of GENERAL MOTORS COMPANY