LEMON Manuals: Even more car manuals for everyone
Home >> Buick >> 2019 >> Regal Base >> Repair and Diagnosis (Single Page) >> Accessories & Equipment >> Entertainment Systems >> Cellular, Entertainment, And Navigation System >> Schematic Wiring Diagrams >> Radio/Navigation System Wiring Schematics (IOS/IOT) >> Info Display Module

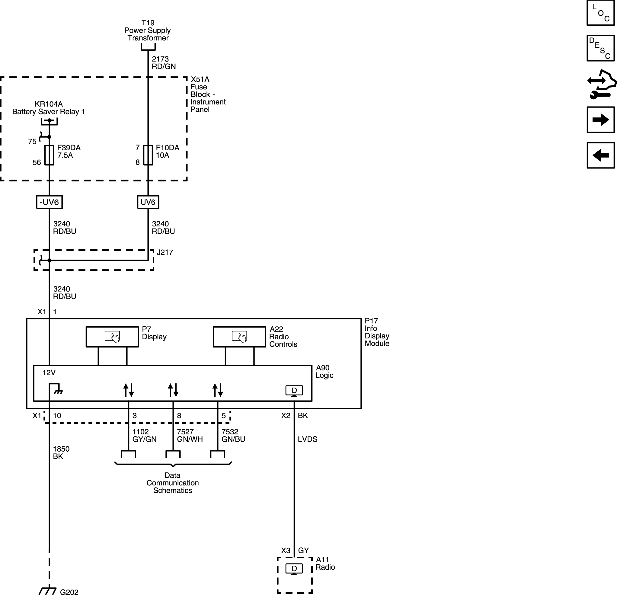
Info Display Module

GM5207494Courtesy of GENERAL MOTORS COMPANY