LEMON Manuals: Even more car manuals for everyone
Home >> Buick >> 2019 >> Envision Base >> Repair and Diagnosis >> External Pages >> Different car >> Section 21 (Image Display Camera System) >> Schematic Wiring Diagrams >> Image Display Camera Wiring Schematics >> Rear Cross Traffic Alert (UFG) and Side Object Detection (UKC)

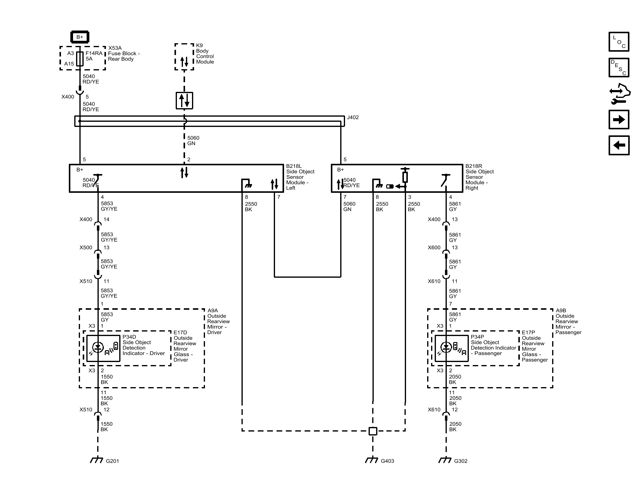
Rear Cross Traffic Alert (UFG) and Side Object Detection (UKC)

WARNING: This page is about a different car, the 2018 Buick Envision. However, it is still accessible from the selected car via links, so may be relevant.
GM4712438