LEMON Manuals: Even more car manuals for everyone
Home >> Buick >> 2019 >> Envision Base >> Repair and Diagnosis >> External Pages >> Different car >> Section 11 (Cellular System, Entertainment System, And Navigation System) >> Schematic Wiring Diagrams >> Radio/Navigation System Wiring Schematics >> Radio Power, Ground, Data Communications, Antennas, and Functions

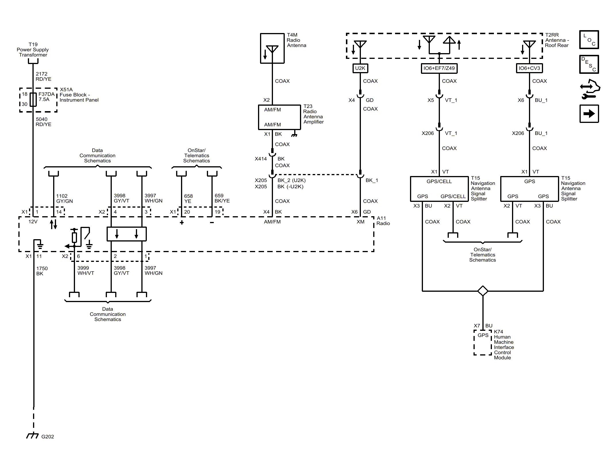
Radio Power, Ground, Data Communications, Antennas, and Functions

WARNING: This page is about a different car, the 2018 Buick Envision. However, it is still accessible from the selected car via links, so may be relevant.
GM4712385Courtesy of GENERAL MOTORS COMPANY