LEMON Manuals: Even more car manuals for everyone
Home >> Buick >> 2019 >> Envision Base >> Repair and Diagnosis (Single Page) >> Accessories & Equipment >> Infotainment >> Cellular, Entertainment, And Navigation System >> Schematic and Wiring Diagrams >> OnStar/Telematics Wiring Schematics >> Telematics Communication Interface Control Module

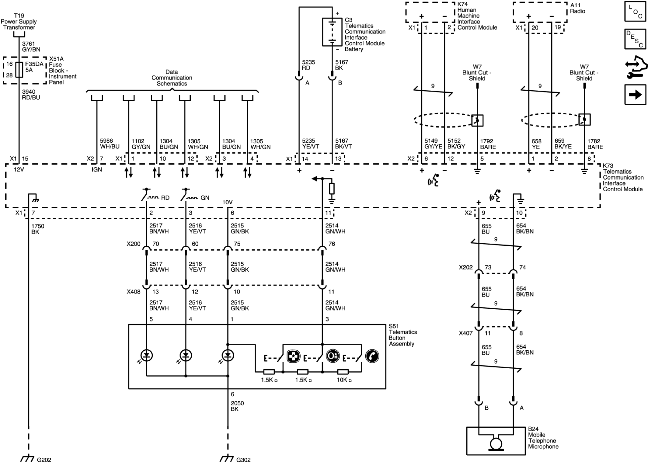
Telematics Communication Interface Control Module

GM4850720Courtesy of GENERAL MOTORS COMPANY