LEMON Manuals: Even more car manuals for everyone
Home >> Buick >> 2019 >> Envision Base >> Repair and Diagnosis (Single Page) >> Accessories & Equipment >> Entertainment Systems >> Cellular, Entertainment, And Navigation System >> Schematic and Wiring Diagrams >> Radio/Navigation System Wiring Schematics >> Human Machine Interface Control Module - Power, Ground, Serial Data, and Functions

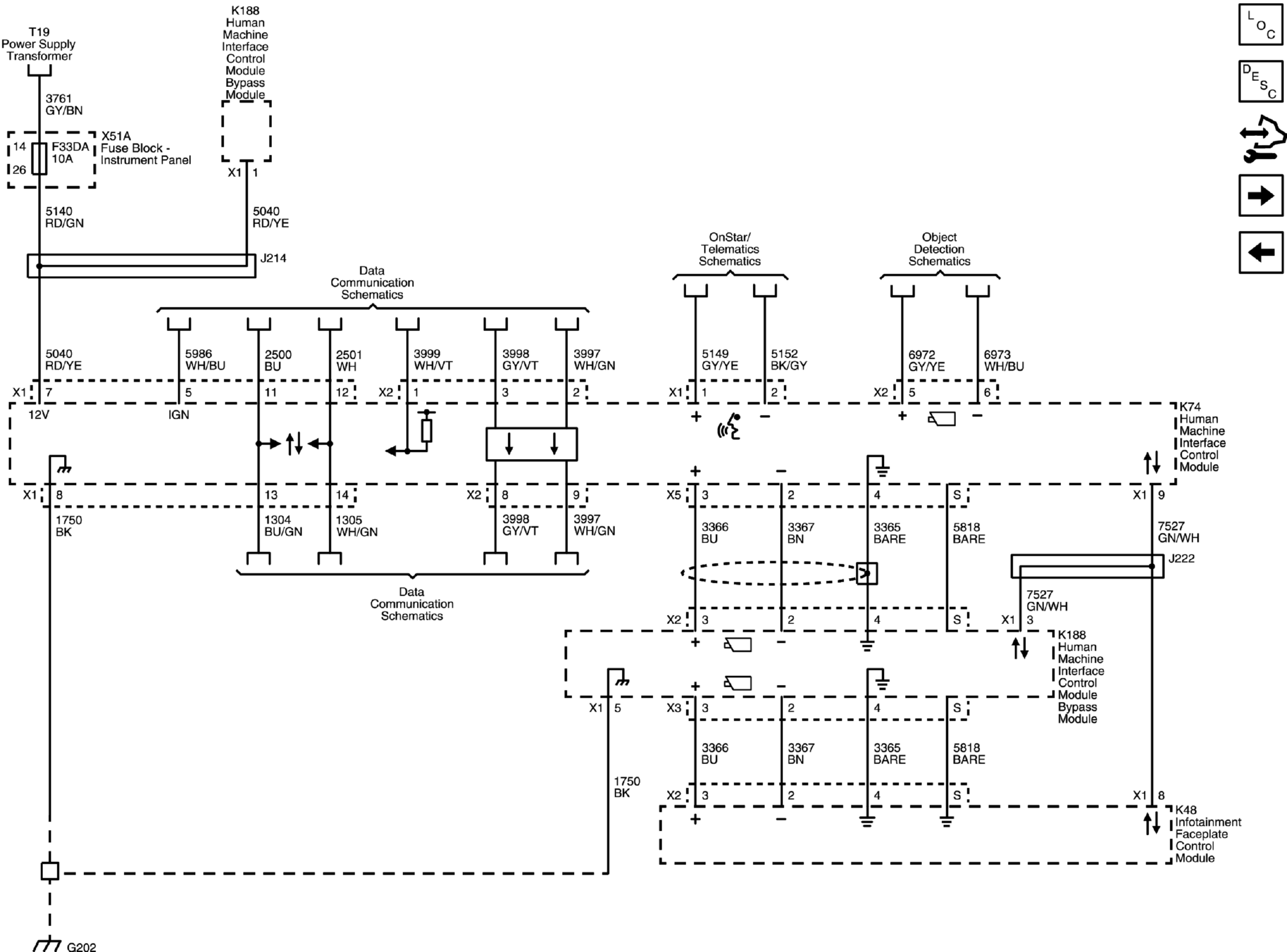
Human Machine Interface Control Module - Power, Ground, Serial Data, and Functions

GM4850713Courtesy of GENERAL MOTORS COMPANY