LEMON Manuals: Even more car manuals for everyone
Home >> Buick >> 2019 >> Encore Base >> Repair and Diagnosis >> External Pages >> Different car >> Section 97 (Keyless Entry System And Remote Functions) >> Schematic Wiring Diagrams >> Remote Function Wiring Schematics (Buick) >> Keyless Entry - Passive Entry and Keyless Start (1 of 2) (Buick)

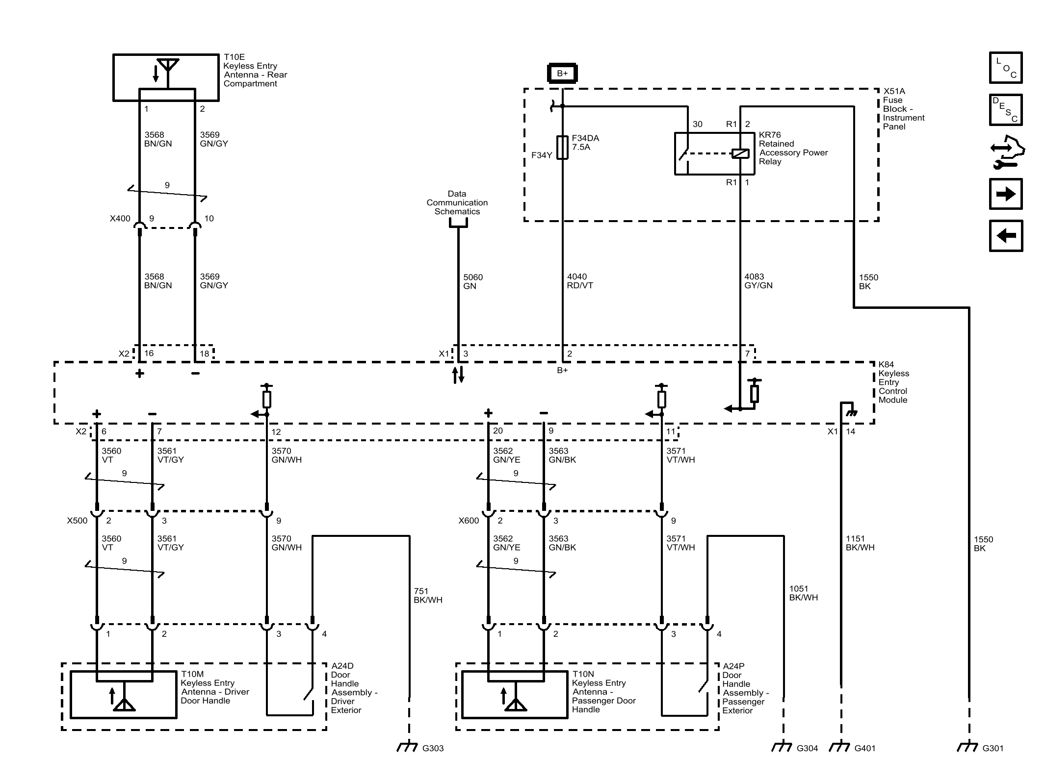
Keyless Entry - Passive Entry and Keyless Start (1 of 2) (Buick)

WARNING: This page is about a different car, the 2018 Chevrolet Trax and 2018 Buick Encore. However, it is still accessible from the selected car via links, so may be relevant.
GM4704717