LEMON Manuals: Even more car manuals for everyone
Home >> Buick >> 2019 >> Encore Base >> Repair and Diagnosis >> External Pages >> Different car >> Section 92 (Driver Assistance Systems) >> Schematic Wiring Diagrams >> Driver Assistance Systems Wiring Schematics (Encore) >> Side Object Detection (Buick with UFT)

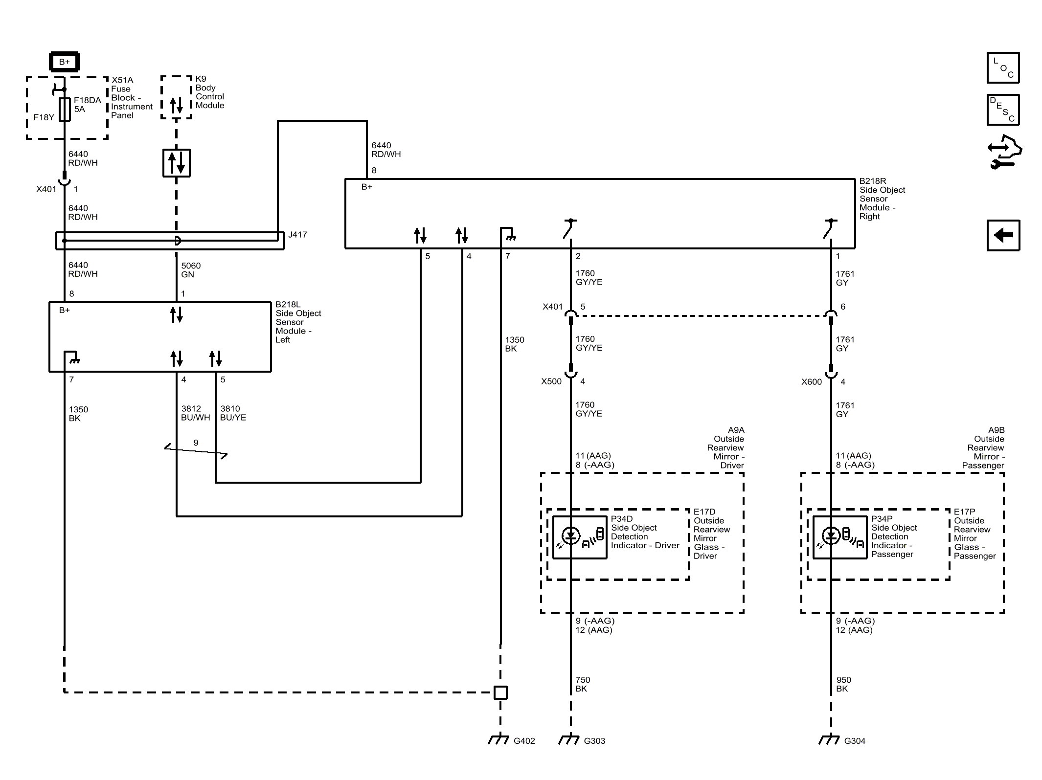
Side Object Detection (Buick with UFT)

WARNING: This page is about a different car, the 2018 Chevrolet Trax and 2018 Buick Encore. However, it is still accessible from the selected car via links, so may be relevant.
GM4704678