LEMON Manuals: Even more car manuals for everyone
Home >> Buick >> 2019 >> Encore Base >> Repair and Diagnosis >> External Pages >> Different car >> Section 60 (Cellular System, Entertainment System, And Navigation System - Schematic Wiring Diagrams) >> Schematic Wiring Diagrams >> OnStar/Telematics Wiring Schematics (Buick) >> Telematics Communication Interface Control Module (Buick)

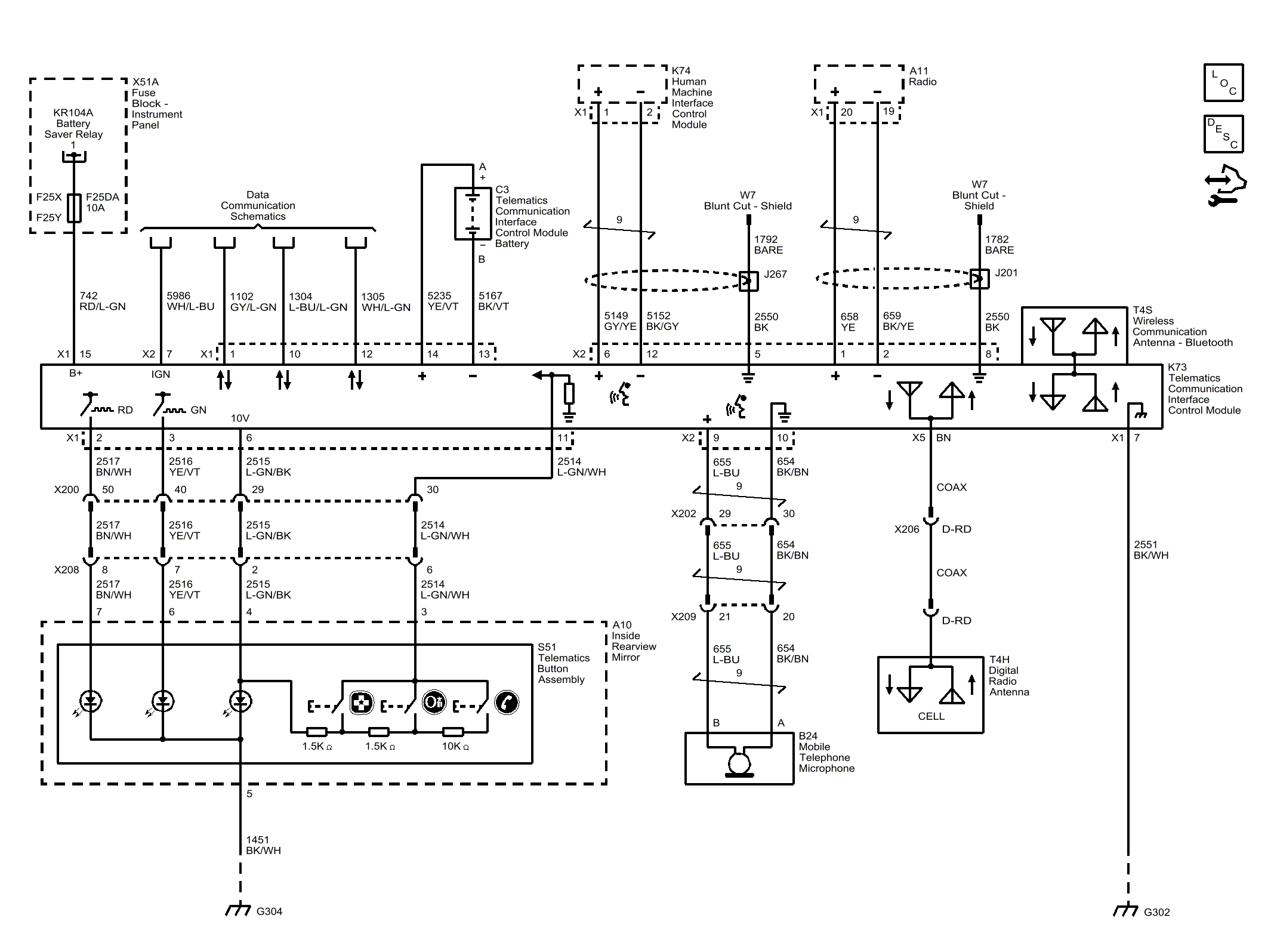
Telematics Communication Interface Control Module (Buick)

WARNING: This page is about a different car, the 2018 Chevrolet Trax and 2018 Buick Encore. However, it is still accessible from the selected car via links, so may be relevant.
GM4704222