LEMON Manuals: Even more car manuals for everyone
Home >> Buick >> 2019 >> Encore Base >> Repair and Diagnosis >> Accessories & Equipment >> Anti-Theft Systems >> Keyless Entry System And Remote Functions >> Schematic Wiring Diagrams >> Remote Function Schematic Wiring Diagrams (Trax) >> Keyless Start (Trax with BTM)

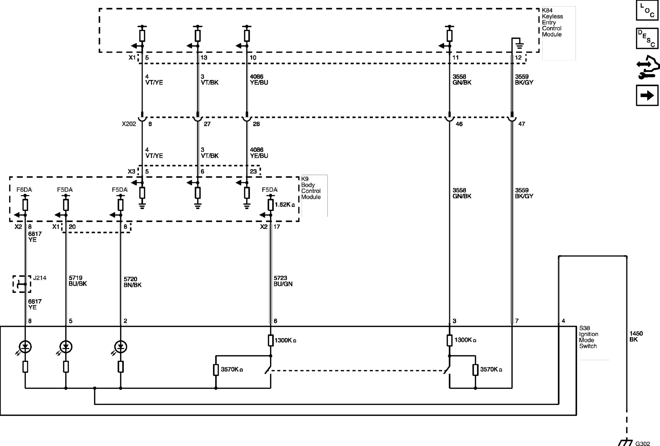
Keyless Start (Trax with BTM)

GM4919369Courtesy of GENERAL MOTORS COMPANY