LEMON Manuals: Even more car manuals for everyone
Home >> Buick >> 2019 >> Encore Base >> Repair and Diagnosis >> Accessories & Equipment >> Anti-Theft Systems >> Keyless Entry System And Remote Functions >> Schematic Wiring Diagrams >> Remote Function Schematic Wiring Diagrams (Trax) >> Keyless Entry - Passive Entry and Keyless Start (Trax BTM/ATH) (2 of 2)

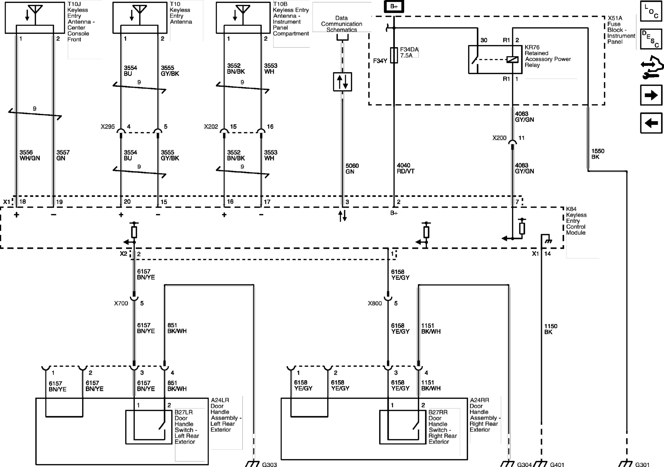
Keyless Entry - Passive Entry and Keyless Start (Trax BTM/ATH) (2 of 2)

GM4919374Courtesy of GENERAL MOTORS COMPANY