LEMON Manuals: Even more car manuals for everyone
Home >> Buick >> 2019 >> Encore Base >> Repair and Diagnosis (Single Page) >> Accessories & Equipment >> Entertainment Systems >> Cellular System, Entertainment System, And Navigation System - Schematic Wiring Diagrams >> Schematic Wiring Diagrams >> Radio/Navigation System Schematic Wiring Diagrams (Trax) >> Power, Ground, Serial Data, and Audio/Video Inputs (Trax with IOR)

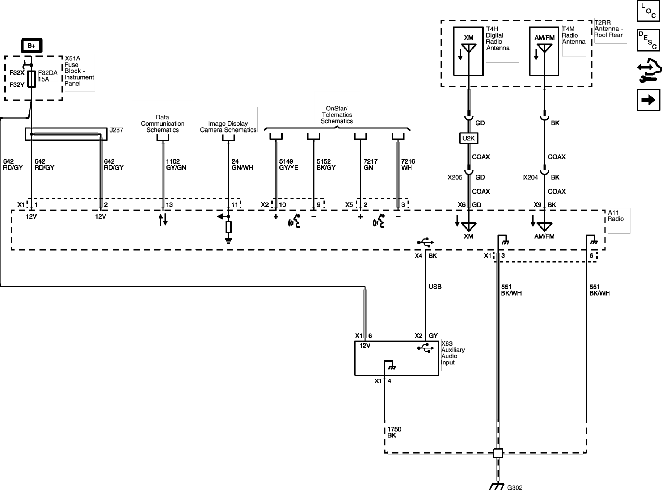
Power, Ground, Serial Data, and Audio/Video Inputs (Trax with IOR)

GM4918886Courtesy of GENERAL MOTORS COMPANY