LEMON Manuals: Even more car manuals for everyone
Home >> Buick >> 2018 >> Regal Base >> Repair and Diagnosis >> Accessories & Equipment >> Memory Modules >> Secondary And Configurable Customer Control System >> Schematic Wiring Diagrams >> Steering Wheel Secondary/Configurable Control Wiring Schematics >> Steering Wheel Controls with Redundant Audio Controls (UDD/UHS)

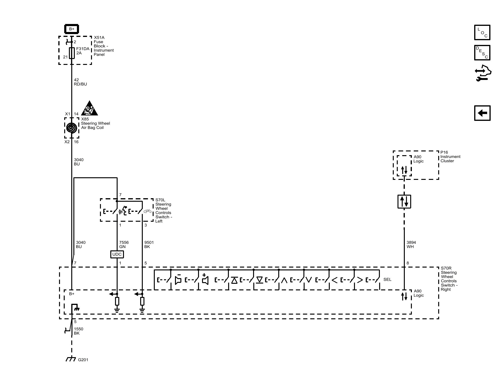
Steering Wheel Controls with Redundant Audio Controls (UDD/UHS)

GM4776045