LEMON Manuals: Even more car manuals for everyone
Home >> Buick >> 2018 >> Envision Base >> Repair and Diagnosis >> Accessories & Equipment >> Memory Modules >> Secondary And Configurable Customer Controls >> Schematic Wiring Diagrams >> Steering Wheel Secondary/Configurable Control Wiring Schematics >> Steering Wheel Secondary/Configurable Control

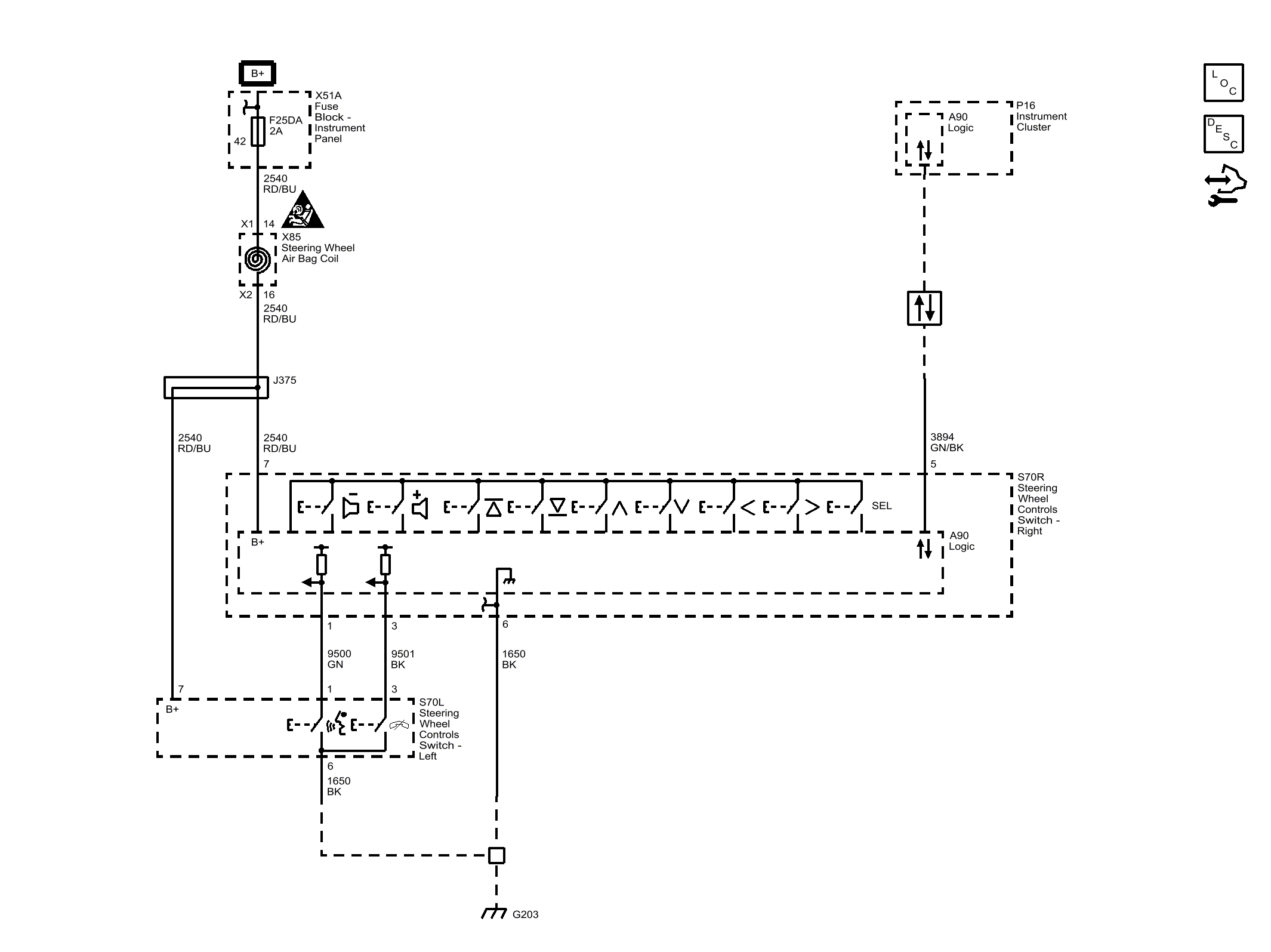
Steering Wheel Secondary/Configurable Control

GM4713106Courtesy of GENERAL MOTORS COMPANY