LEMON Manuals: Even more car manuals for everyone
Home >> Buick >> 2018 >> Envision Base >> Repair and Diagnosis (Single Page) >> Accessories & Equipment >> Communication Devices >> Data Communication System - Schematic Wiring Diagrams >> Schematic Wiring Diagrams >> Data Communication Wiring Schematics >> Serial Data Gateway Module and Data Link Connector Power and Ground

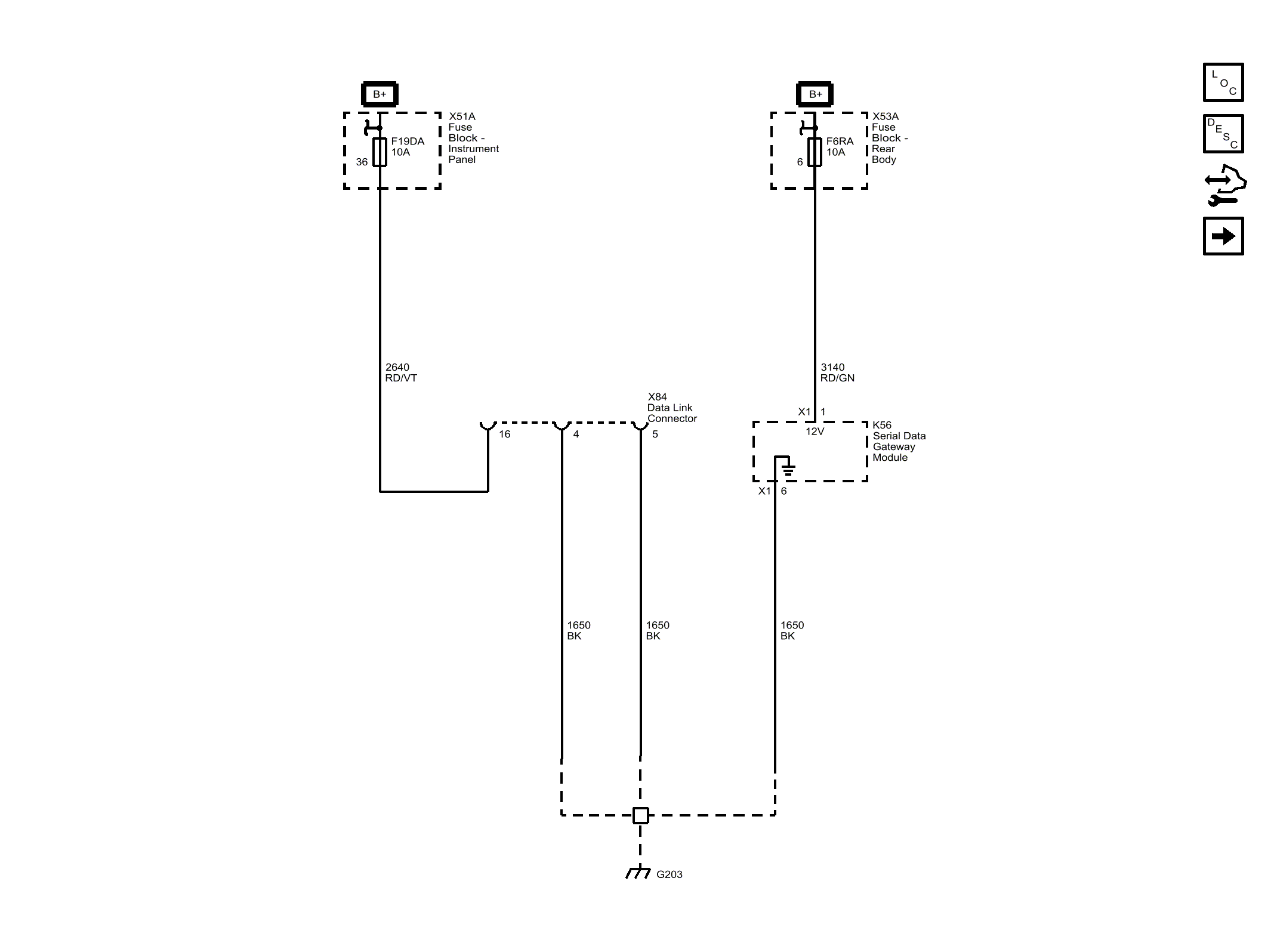
Serial Data Gateway Module and Data Link Connector Power and Ground

GM4724814Courtesy of GENERAL MOTORS COMPANY