LEMON Manuals: Even more car manuals for everyone
Home >> Buick >> 2018 >> Encore Base >> Repair and Diagnosis (Single Page) >> Accessories & Equipment >> Entertainment Systems >> Cellular System, Entertainment System, And Navigation System - Schematic Wiring Diagrams >> Schematic Wiring Diagrams >> Radio/Navigation System Wiring Schematics (Buick) >> Power, Ground, Serial Data, Info Display, Video Processing Control Module, and Human Machine Interface Module (Buick)

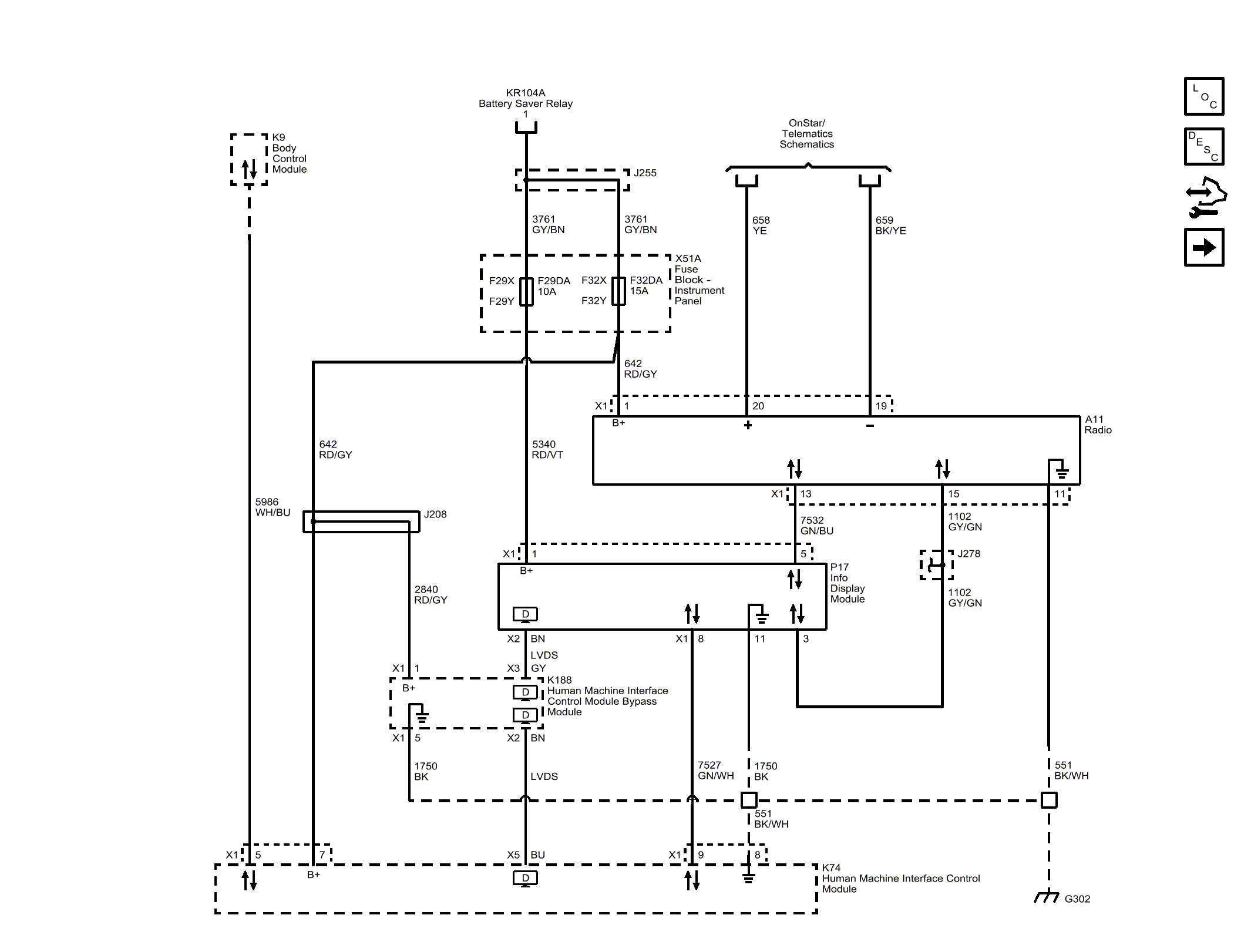
Power, Ground, Serial Data, Info Display, Video Processing Control Module, and Human Machine Interface Module (Buick)

GM4704218