LEMON Manuals: Even more car manuals for everyone
Home >> Buick >> 2018 >> Encore Base >> Repair and Diagnosis (Single Page) >> Accessories & Equipment >> Drivers Assistance Systems - ADAS >> Image Display Camera System >> Schematic Wiring Diagrams >> Image Display Camera Wiring Schematics (Buick) >> Video Processing Control Module (Buick)

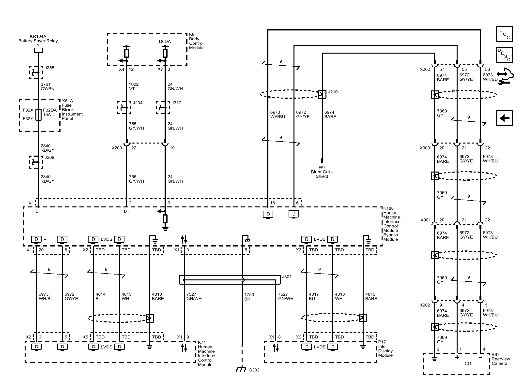
Video Processing Control Module (Buick)

GM4725533